Code Po793?

2012 TOYOTA CAMRY
135,000 MILES
Avatar
MELI LYNN
  • MEMBER
  • 6 POSTS
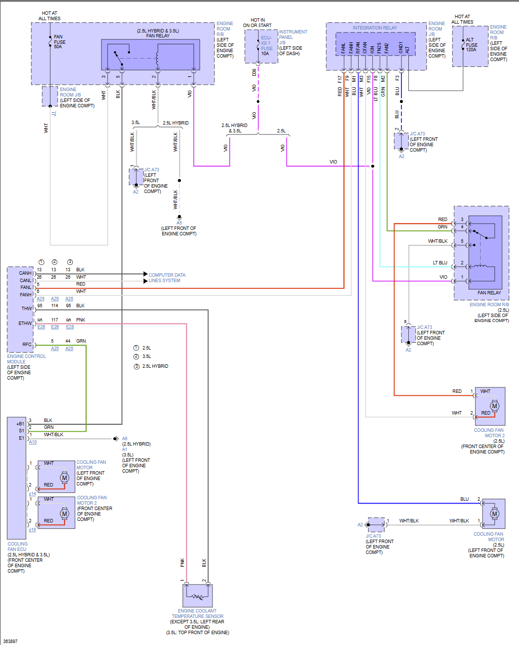
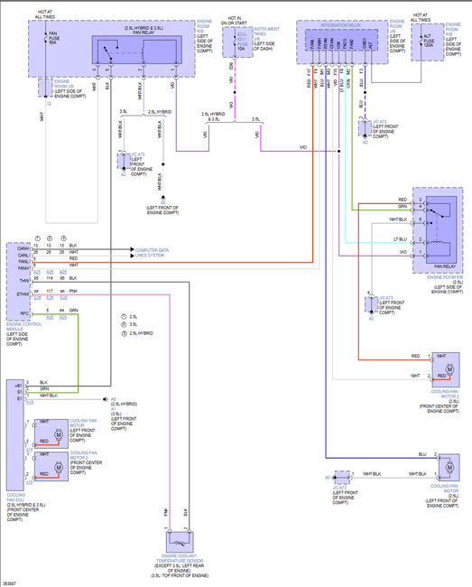
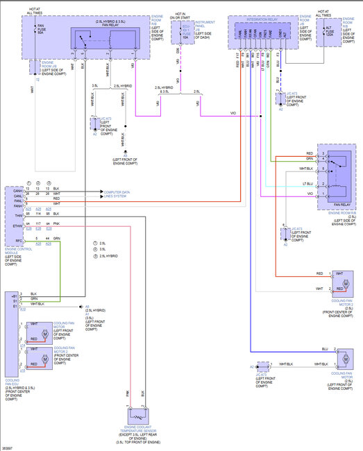
The symptoms are; all warning light on dash are on, the speedometer does not work, the power steering is going in and out, the gears are shifting right and it's an automatic. I replaced the alternator and battery and the alternator isn't charging the battery. This could all be coincidental but it all started when I put in a new radiator fan and ran the wire directly to the fan relay fuse so it would stay on if the car was on so my A/C would work, and the car would not get hot.
Jun 7, 2023 at 10:10 PM
Advertisement
Repair Safety Notice: This information is for general instructional purposes only. Vehicle repair can be dangerous. Verify all information, follow manufacturer service procedures, use proper tools and safety equipment, and consult a qualified repair shop when needed.
Avatar
BRENDON S
  • AUTOMOTIVE REPAIR CONTRIBUTOR
  • 653 POSTS
Good morning, MELI LYNN,

Can you please tell me some more information about your vehicle?
Engine size?
Trim package? Base, L, LE, SE, XLE?
Gas or Hybrid?

When dealing with wiring and transmission issues, I need a little more info about your vehicle.

So far what I have found is:
P0793: Intermediate Shaft Speed Sensor "A"

DTC Detection Condition:
When the vehicle speed is 15.5 mph or higher, the counter gear speed is less than 300 rpm for 2 seconds or more.

So, it seems like an issue with either the transmission or one of its speed sensors but it could be caused by the wiring considering the other symptoms you have.

Can you elaborate on exactly what you wired when you did the fans?

What lights are on, on the dash? Does it look like you just started it or about to start the car? If it is easier, you can take a picture and send it to me.

All these symptoms could be related. Some fuse boxes are actually modules. It's possible when you hooked to it, you could have caused some damage.

Any other symptoms you are getting now?

Were any of these issues happening before you did the wiring?

It sounds like you maybe used a fuse tap and wired your cooling fan to be on constantly, is that correct?

Could you give me more details about how you wired the fan? What fuse number did you use?

What led you to wire the fan this way. Did it just stop working? Any other issues going on? Which fan was it?

Either you caused an issue with your wiring or something else is going on and it's like you said, coincidental.

Seems like several systems are having an issue and one of the things they have in common is the fuse box.

If you could answer these questions the best you can, then we can see what is going on.

I personally would remove whatever wire you put in and see if everything goes back to normal. Unfortunately, it is possible you fried something when you wired the fan.

Thank you,
Brendon
Jun 8, 2023 at 4:00 AM
Avatar
MELI LYNN
  • MEMBER
  • 6 POSTS
four cylinder, LE, gas. I wired the radiator fan so that the fan would turn on when I started the car because both of my fans stopped working. When I turn the key every warning light comes on and stays on after I start it. i had it connected to the relay fan fuse. But after these problems happened, I took it off and replaced the relay. I replaced the alternator and battery also because I thought that was the problem.
Jun 8, 2023 at 3:53 PM
Advertisement
Avatar
BRENDON S
  • AUTOMOTIVE REPAIR CONTRIBUTOR
  • 653 POSTS
Hello MELI LYNN,

So, you wired the fan, then all these other symptoms started, dash lights, shifting issues, power steering going in and out, not charging and this code P0793. But now you have undone the wiring and replaced the relay, and the fans work fine but the rest of the symptoms remain unchanged? Is that right?

Thank you,
Brendon
Jun 8, 2023 at 4:11 PM