security system not functioning

2004 SCION XA
100,000 MILES
Avatar
CRACKLE
  • MEMBER
  • 1 POST
someone is accessing the OBD and trying to damage the car. they have disabled the security system, light does not flash to show armed and windows wont open of close on drivers side.
Jul 14, 2021 at 7:05 PM
Advertisement
Repair Safety Notice: This information is for general instructional purposes only. Vehicle repair can be dangerous. Verify all information, follow manufacturer service procedures, use proper tools and safety equipment, and consult a qualified repair shop when needed.
Avatar
JACOBANDNICKOLAS
  • AUTOMOTIVE REPAIR CONTRIBUTOR
  • 110,190 POSTS
Hi,

I will be happy to help, but I'm not sure I understand what is happening. The OBD (onboard diagnostics) system doesn't provide the ability to shut down the left windows or the anti-theft system.

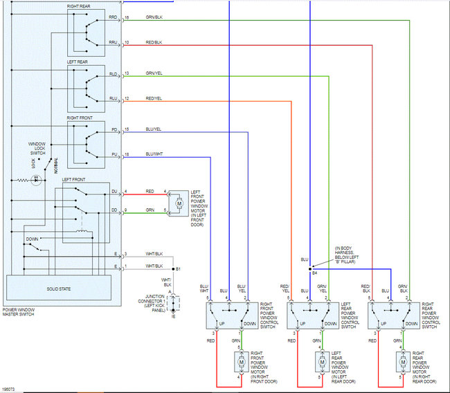
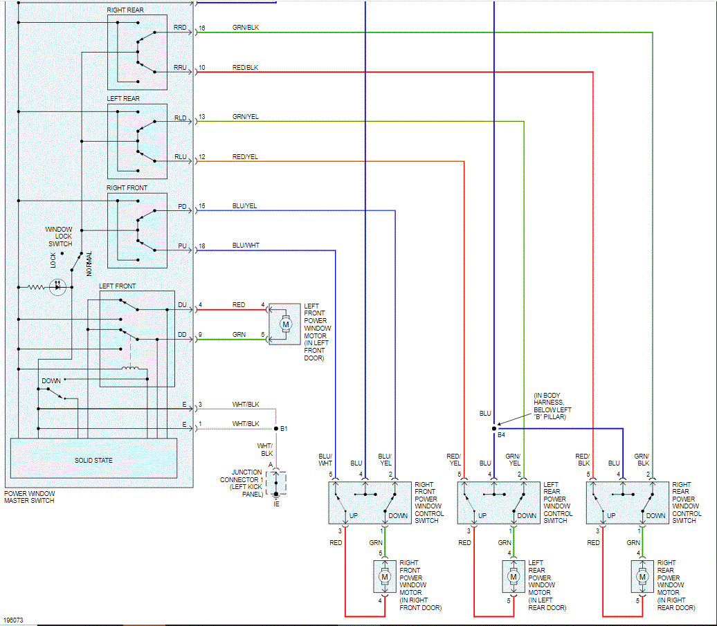
All windows are powered by one fuse. For the left side to fail, either someone would have had to open the door panel and damage the power supply or we have a switch-related issue. I attached the wiring schematic below for the windows. Note that the blue wires provide power to the front and rear windows. The rear windows (left and right) get power from the same wire. The right and left front each have a blue wire providing power. So, I'm not sure if that is something someone would have done.

Now, for the anti-theft, there is an immobilizer reset, but that is for reprogramming keys when the old ones are lost. Basically, the person would need new keys to reprogram it. Once it's reset, the old key will no longer work. Does your key still work?

I did find a technical service bulletin related to the antitheft system when it can't be armed. I provided that below as well. Take a look through it and let me know if it mirrors what you are experiencing.

Let me know.

Joe

See pics below.
Jul 14, 2021 at 9:09 PM
Avatar
CRACKLE
  • MEMBER
  • 1 POST
Well, I don't really know much about cars. I read the owners manuals, three or four of them, cover to cover. I bought the car used during the pandemic. I have never owned a car with a computer. That said, I am pretty sure the "power armed" security feature on my car was never activated by the former owner and it is not activated now- so not an issue.

And all I know is when I brought my car home it was working fine. Then it started showing all these crazy data for the OBD. I reset OBD and car running fine again. But it kept happening and I kept resetting. Then is kid drove up in a car and parked next mine. When I came out of the store the OBD was acting crazy and then the security had been turned off and the doors I left locked were open. I can not seem to reset the security which in truth does have something to do with the driver side power windows according to the owners manual therefore I don't think it is a fuze.

Scary, this is scary,
Christine
Jul 19, 2021 at 8:36 AM
Advertisement
Avatar
JACOBANDNICKOLAS
  • AUTOMOTIVE REPAIR CONTRIBUTOR
  • 110,190 POSTS
Hi Christine,

Hang in there. We'll figure it out.

You indicated the OBD. Have you been able to retrieve diagnostic trouble codes? If you have, let me know what they are.

Joe
Jul 19, 2021 at 8:05 PM
Avatar
CRACKLE
  • MEMBER
  • 1 POST
Hi. Thanks for working on this with me. I got brave and replaced the number 18 gauge fuse. Then I bought a OBDII scanner albeit a cheap one. On the way home I was finally able to get the driver side rear window to close!!! Surprise, surprise!! It did not close in the normal way but it is now closed. Then I plugged in the scanner and it found no problem codes at all. I don't know what to make of that. I was going to replace the number 15 fuse cartridge to insure the power windows work as expected. The security system on the car was flashing as normal when it should not have been, as the rear driver's side window was open, therefore it should not have functioned as normal with that window still wide open. Is that system even working?? I don't know.

I have never done this sort of work on a car and I was a pretty shaky scan operator.

Best,
Christine
Jul 26, 2021 at 10:09 AM
Advertisement