Scraping noise coming from under the hood

Tiny
NEWYORKINJUNE
  • MEMBER
  • 1994 JEEP CHEROKEE
  • 4.0L
  • 6 CYL
  • 4WD
  • AUTOMATIC
  • 189,000 MILES
I am getting a light scraping/scratching type noise under the hood at idle or at a stop light/sign. I’m stumped as to what it is. I do have a video of the noise. Any help would be much appreciated!
Tuesday, February 12th, 2019 AT 6:14 AM

5 Replies

Tiny
JACOBANDNICKOLAS
  • MECHANIC
  • 110,194 POSTS
Hi and thanks for using 2CarPros.

If you are only hearing it at idle, it could be several things. Any of the belt driven accessories could have a bearing going bad, the belt may be dry from age and making a noise, or even a loose belt.

Take a look through this link. It discusses possible causes for a variety of different noises from under the hood.

https://www.2carpros.com/articles/engine-noises

If you could upload the noise you are hearing, it would be helpful. Also, let me know if it is a Grand Cherokee or not.

I will watch for your reply.

Take care,
Joe
Was this
answer
helpful?
Yes
No
Tuesday, February 12th, 2019 AT 5:55 PM
Tiny
NEWYORKINJUNE
  • MEMBER
  • 3 POSTS
Hi Joe! Thank you for your reply to my question. My thoughts were it was a pulley or belt too. I’ve uploaded a video of the noise. Can you see it?
Was this
answer
helpful?
Yes
No
Tuesday, February 12th, 2019 AT 6:14 PM
Tiny
JACOBANDNICKOLAS
  • MECHANIC
  • 110,194 POSTS
Yep, it sounds like a pulley bearing. What I suggest is this. Remove the serpentine belt and start the engine for a couple seconds. See if the noise is gone. If it is, spin each pulley, one at a time, to see if you can recreate the sound. Then grasp each of the belt driven pulleys and see if there is any side to side play.

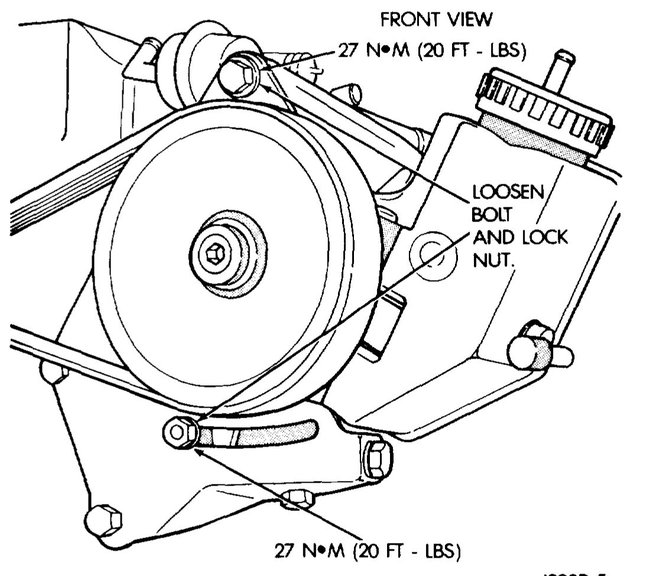
Now, to remove the belt on this vehicle is a bit difficult. It doesn't have an automatic belt tensioner. The belt tension is controlled by adjustment at the power steering pump. I have attached four pictures for you to see what needs done.

The first picture shows the back of the power steering pump. You need to loosen those two bolts first. Picture 2 shows the front of the pump. There is only one bolt that needs loosened. You don't have to take them all the way out, just loosen them enough that the pump can pivot.

Once you have all three bolts loosened, there is an adjustment bolt that you will turn. If you tighten the bolt, it will tighten the belt, and loosen the belt if you loosen the bolt. It is a long threaded bolt that goes through a threaded adapter which the front bolt you loosened (bolt number 3) holds in place.

Remove the belt and check the pulleys as I suggested. I have a feeling it is either the water pump or the idler pulley. See picture 4 for belt routing and component identification. Also, I added picture 3. If you look at it, letter D points to the bolt that is the adjuster. That is the one you turn after loosening the three mounting bolts in order to loosen or tighten the belt.

Once you determine what the noise is actually coming from (I think it's the idler or the water pump) let me know what it is and I will provide the directions for replacing the component.

If the belt is old, this would be a great time to replace it.

Let me know the results or if you need help.

Take care,
Joe
Was this
answer
helpful?
Yes
No
Tuesday, February 12th, 2019 AT 7:02 PM
Tiny
NEWYORKINJUNE
  • MEMBER
  • 3 POSTS
Thank you very much! So you don’t think it sounds like an issue inside the engine?
Was this
answer
helpful?
Yes
No
Tuesday, February 12th, 2019 AT 7:16 PM
Tiny
JACOBANDNICKOLAS
  • MECHANIC
  • 110,194 POSTS
Honestly, it sounds like a bearing in one of the accessories. The best thing is to remove the belt and start it for a couple seconds only to see if the noise is gone. It can overheat so don't run very long at all. It doesn't sound like anything with the engine itself, so don't worry.

Let me know what you find. I will watch for your response.

Joe
Was this
answer
helpful?
Yes
No
Tuesday, February 12th, 2019 AT 7:32 PM

Please login or register to post a reply.