Hi marssandm, Welcome to 2carpros and TY for the donation
REMOVAL

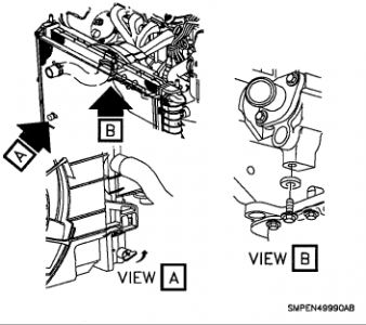
Drain coolant from the radiator and engine drain plug located at the right front of engine.
Disconnect lower radiator hose at thermostat housing. Use Snap-on Tool HCP10 or 20 (or equivalent).
Remove two bolts in water inlet housing.

Remove water inlet housing and thermostat assembly.
Remove O-ring.
CAUTION: The O-ring gasket must be replaced whenever the thermostat housing is removed.
NOTE: The thermostat element should not be removed if the assembly requires testing.

Remove the thermostat element using the service tool provided with the replacement element.
CAUTION: The thermostat will not function correctly once it is contacted by oil. If oil is found in the cooling system, it must be flushed and the thermostat's cartridge replaced.
Inspect the thermostat components for damage, seat deterioration, etc.
INSTALLATION

Replace the thermostat element using the service tool provided.
NOTE: Make sure the element's retaining tangs are properly seated in the two legs and the element piston is correctly positioned in the water inlet housing.

Install a new O-ring on the inlet housing:
Install the thermostat and inlet housing into the cylinder block.
Install the retaining bolts. Torque to30 Nm (22 ft. lbs.) .
Close radiator drain plug and install cylinder block drain plug. Torque to35 Nm (25 ft. lbs.) .
Install the lower radiator hose.
CAUTION: The vehicle must be level when filling with coolant.
Fill the system with coolant. Use only a non-phosphate ethylene glycol-base coolant, mixed according to the manufacturer's directions.
Start engine.
Fill the cooling system surge tank to the FULL COLD line after the engine has run for two to three minutes.

Install pressure cap and check for leaks.
Saturday, August 14th, 2010 AT 3:43 PM