Thursday, February 11th, 2010 AT 8:59 PM
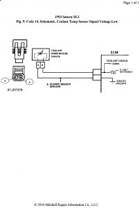
Have replaced O2, MAP, TPS, Air Intake sensor, air filter, spark plugs & wires, fuel injectors, cleaned butterfly in intake, and still get engine code 45, running rich. No Kidding it looks like a diesel when it is running down the road.

