Safety neutral switch location

Tiny
JESSEROGERS998
  • MEMBER
  • 1998 PLYMOUTH NEON
  • 2.0L
  • 4 CYL
  • 2WD
  • MANUAL
  • 240,000 MILES
Can't find the safety neutral switch.
Sunday, November 8th, 2020 AT 1:14 PM

1 Reply

Tiny
ASEMASTER6371
  • MECHANIC
  • 52,796 POSTS
Good afternoon,

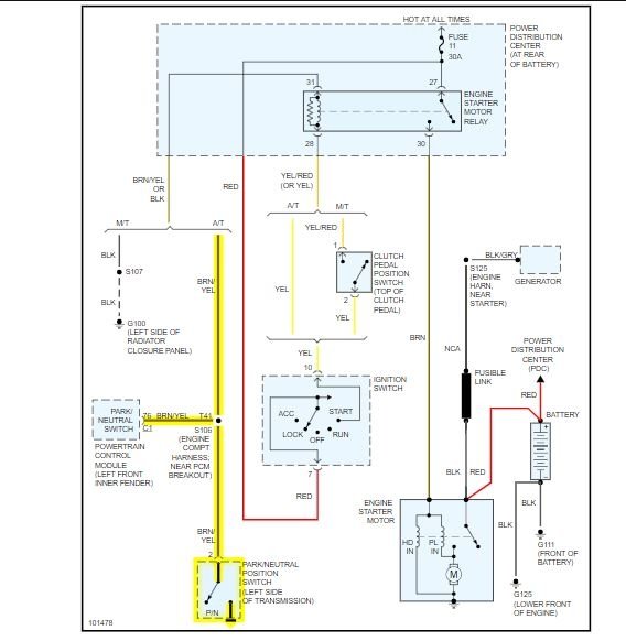
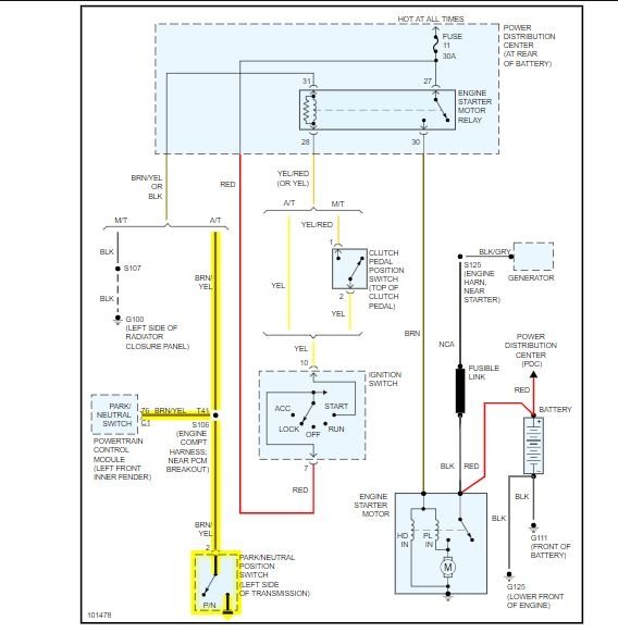
I attached the location of the switch for you to view.

I also attached a diagram for you of the switch.

Let me know if you have any other questions.

Roy

OPERATION
On vehicles with 3-speed automatic transmission the park/neutral switch provides an input to the Powertrain Control Module (PCM).

The park/neutral position switch is located on the automatic transaxle housing Fig. 20. Manual transaxles do not use park/neutral switches. The switch provides an input to the PCM to indicate whether the automatic transaxle is in Park/Neutral, or a drive gear selection. This input is used to determine idle speed (varying with gear selection) and ignition timing advance. The park/neutral input is also used to cancel vehicle speed control. The park/neutral switch is sometimes referred to as the neutral safety switch.
Was this
answer
helpful?
Yes
No
+1
Sunday, November 8th, 2020 AT 1:24 PM

Please login or register to post a reply.