Friday, June 1st, 2018 AT 11:12 PM
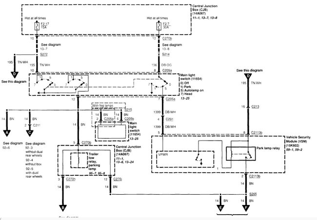
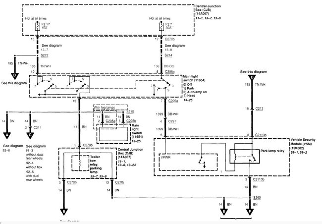
So I had just parked my truck, and I heard the clock of my gauge cluster turn off. Well I turned my lights on, and my headlights work, my brake lights work, and my turn signals work. But I cannot get my running lights or my gauge cluster lights to work. So I went online looking for the fuse box diagram, and I cannot find the fuse for that. I do have an aftermarket radio that I put in about eight months ago now, but this is the first time it has ever done that. I cannot figure out what it is! I am hoping it is something simple like the illumination wire to the radio but I do not know.



