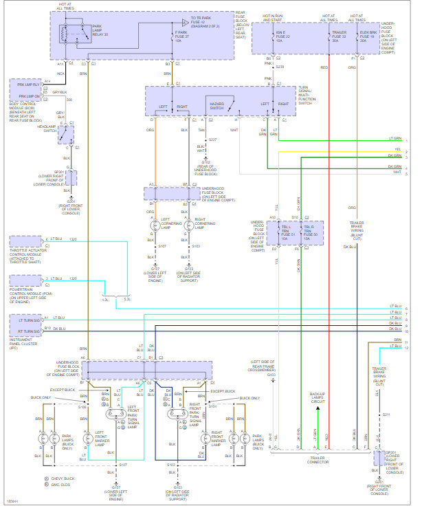
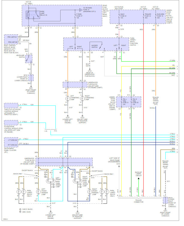
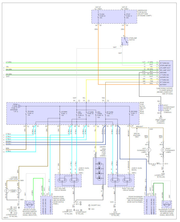
Saturday, February 9th, 2019 AT 9:29 PM
My uncle took battery out, then put it back in. Everything works except right side of turn signals. However it has rained a bunch and my mirror turn signal got water in it. Could that make all the right side bad? I checked fuses and bulbs in front and back, everything good.



