Where is the reverse light switch located?

Tiny
DLG4339
  • MEMBER
  • 2008 HONDA ACCORD
  • 3.5L
  • 6 CYL
  • 2WD
  • AUTOMATIC
  • 123,000 MILES
Reverse light switch location.
Friday, June 16th, 2023 AT 11:16 AM

1 Reply

Tiny
KEN L
  • MASTER CERTIFIED MECHANIC
  • 55,185 POSTS
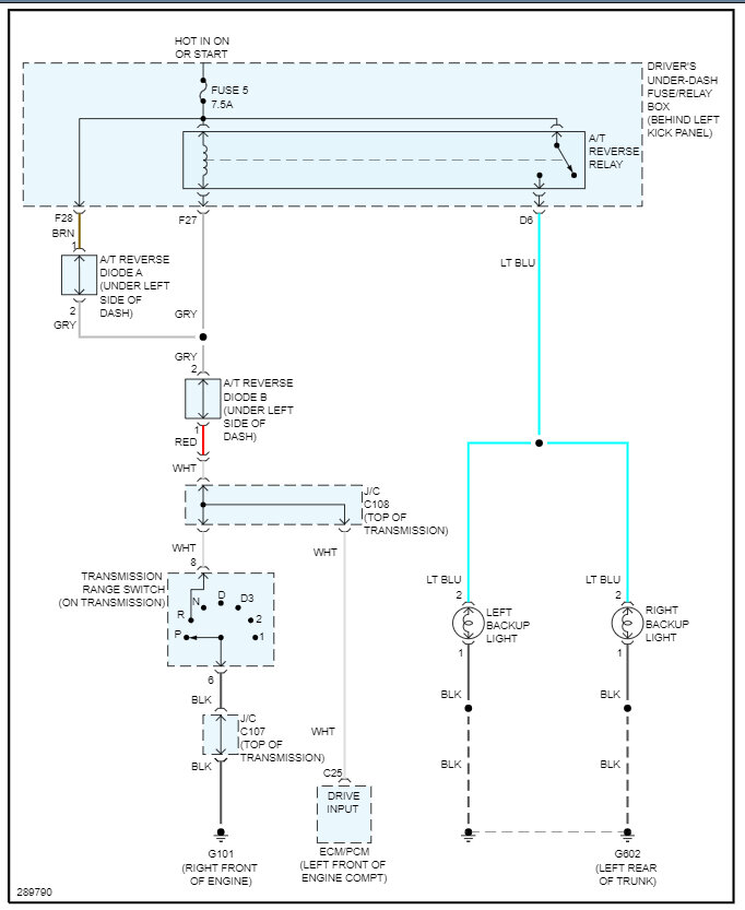
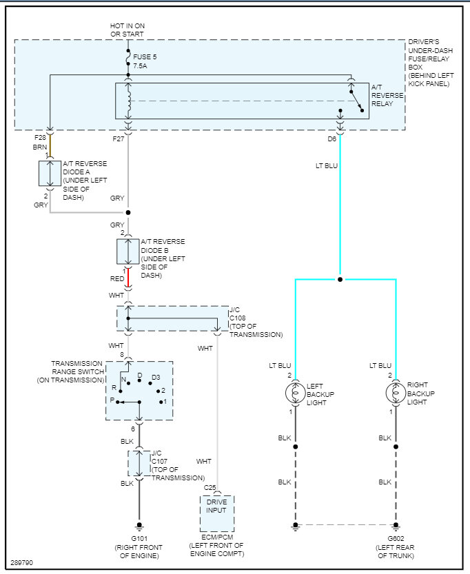
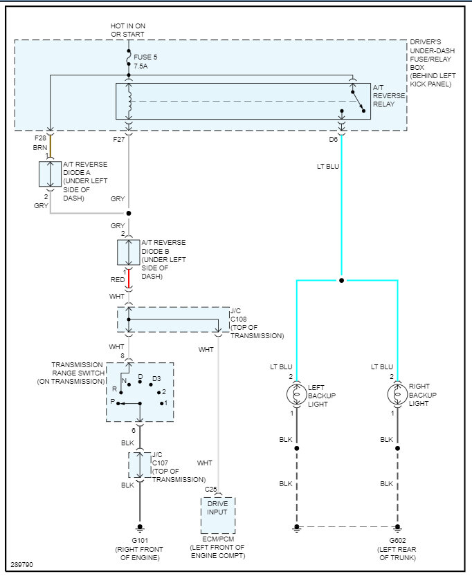
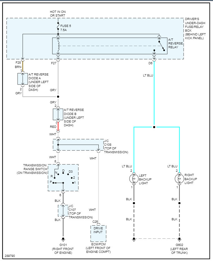
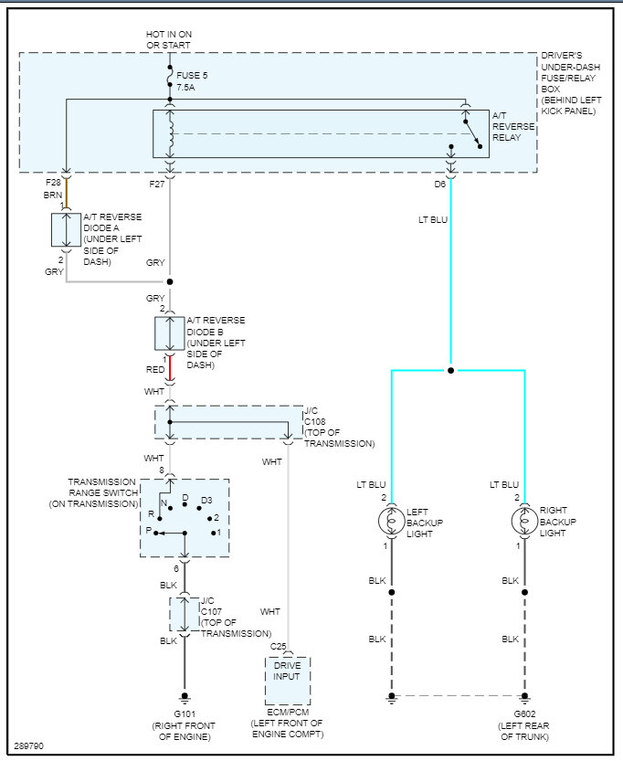
The reverse light switch is located on the transmission as part of the gear range sensor/switch. Here are the wiring diagrams for the system and the sensor/switch location in the images below. Please let us know if you need anything else to get the problem fixed.
Was this
answer
helpful?
Yes
No
+1
Friday, June 16th, 2023 AT 2:56 PM

Please login or register to post a reply.