Sunday, October 27th, 2019 AT 6:26 AM
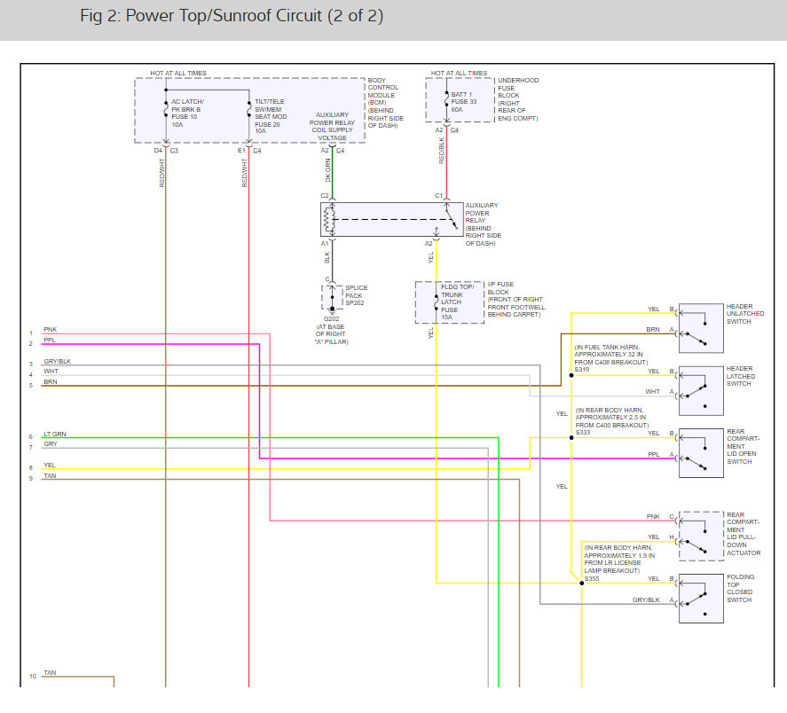
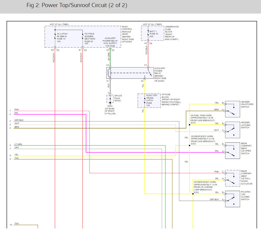
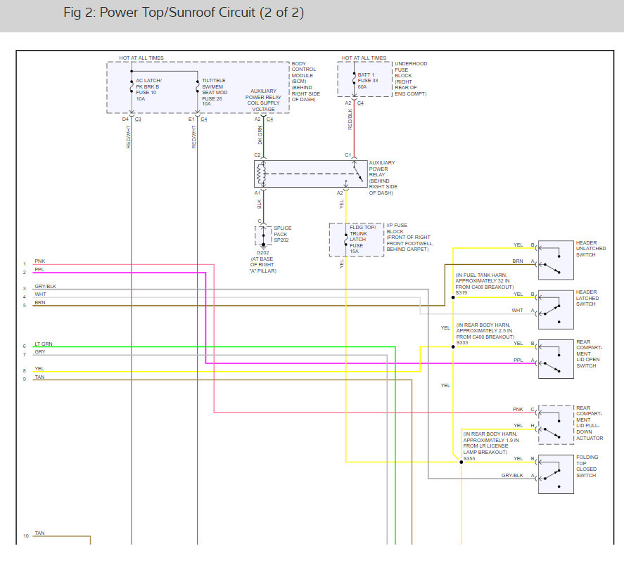
Retractable roof inoperable. Three sensors in back okay, ohms good, fuses okay. Disconnected battery no codes. Don't know about body codes indexed windows. Any solutions?














