Alternator out-put

Tiny
KGETZ
  • MEMBER
  • 2013 DODGE CARAVAN
  • 3.6L
  • V6
  • 2WD
  • AUTOMATIC
  • 59,413 MILES
This message is for Danny L. I put a reply to your question about the alternator out-put, but I do not know if you techs are alerted of responses. I went out and tested it, and it bounces between 13.82 and 13.84.
Sunday, September 30th, 2018 AT 6:23 PM

7 Replies

Tiny
DANNY L
  • MECHANIC
  • 5,648 POSTS
Hello, Danny here.

That is way below specifications. It should be closer to 14.5-15 volts.
You need to replace the alternator. I have attached an alternator replacement tutorial. Hope this helps and thanks for using 2CarPros.
Danny-

https://www.2carpros.com/articles/how-to-replace-an-alternator
Was this
answer
helpful?
Yes
No
-1
Sunday, September 30th, 2018 AT 8:08 PM
Tiny
KGETZ
  • MEMBER
  • 104 POSTS
I recently had a load test done on the system, and the tech said both the battery and alternator passed with flying colors, and they were both working perfectly. I never had an issue with the charging light come on, running out of power at night or just in general, the battery going flat. Besides this thing only has over 59,000 on it, so it should not be failing. But I will try it again during the daylight.
Was this
answer
helpful?
Yes
No
Sunday, September 30th, 2018 AT 9:20 PM
Tiny
DANNY L
  • MECHANIC
  • 5,648 POSTS
Hello again.

Okay, let us know what happens.
Danny-
Was this
answer
helpful?
Yes
No
Sunday, September 30th, 2018 AT 9:34 PM
Tiny
KGETZ
  • MEMBER
  • 104 POSTS
I will. I will try it again when the sun is out.
Was this
answer
helpful?
Yes
No
Sunday, September 30th, 2018 AT 11:01 PM
Tiny
DANNY L
  • MECHANIC
  • 5,648 POSTS
Okay.
Thanks again for using 2CarPros.
Danny-
Was this
answer
helpful?
Yes
No
Monday, October 1st, 2018 AT 12:12 AM
Tiny
KGETZ
  • MEMBER
  • 104 POSTS
  • 2013 DODGE CARAVAN
  • 3.6L
  • V6
  • 2WD
  • AUTOMATIC
  • 59,413 MILES
Is it necessary to turn on accessories to put a load on the alternator like you see these mechanics do on YouTube?
Was this
answer
helpful?
Yes
No
Monday, October 1st, 2018 AT 11:25 AM (Merged)
Tiny
JACOBANDNICKOLAS
  • MECHANIC
  • 110,192 POSTS
Hi and thanks for using 2CarPros.com.

When testing, you should. That way you place the biggest load on the system. If it is going to fail, it will then.

Here is a link that shows how to check an alternator. See if it helps.

https://www.2carpros.com/articles/how-to-check-a-car-alternator

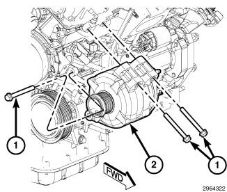
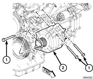
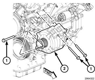
If you find the alternator needs replaced, here are the removal and install directions. All attached pictures correlate with these directions.

GENERATOR - REMOVAL
3.6L
1. Disconnect the negative battery cable.

2. Remove the air cleaner body (1) See: Air Cleaner Housing > Removal and Replacement > Air Cleaner Body - Removal.
3. Remove the serpentine belt See: Drive Belt > Removal and Replacement > Serpentine Accessory Drive Belt - Removal.

4. Remove the lower generator bolt.

5. Partially drain cooling system below upper radiator hose.

6. Lower the vehicle.
7. Remove the cooling fan (1) See: Radiator Cooling Fan > Removal and Replacement > Cooling Fan - Removal.

8. (see picture 4)
9. Disconnect the generator field electrical connector (1).

10. Remove the B+ retainer (2) and remove the B+ cable.
11. Remove the upper generator retainers (1).

12. Remove the generator from the vehicle.
___________________________________________________________________________

GENERATOR - INSTALLATION
3.6L

1. Position the generator (2) to the engine and loosely install the upper and lower retainers (1).

Tighten the upper generator mounting retainers to 25 Nm (18.4 ft. lbs.).
2. Install the B+ cable (3) and retainer (2).

Tighten the B+ retainer to 13 Nm (9.5 Ft Lbs.).

3. Install the generator field connector (1).

1. Raise vehicle.
2. Tighten the lower generator retainer.

3. Install the serpentine belt. See: Drive Belt > Removal and Replacement > Serpentine Accessory Drive Belt - Installation.
4. Install the cooling fan (1) See: Radiator Cooling Fan > Removal and Replacement > Cooling Fan - Installation.
5. Install the air cleaner body (1) See: Air Cleaner Housing > Removal and Replacement > Air Cleaner Body - Installation.

6. Connect the negative battery cable.

__________________________________________-

If you find it difficult to check it yourself, most parts stores will do it for free on the vehicle. However, if the vehicle is not running, remove the alternator and have them bench test it. Same thing with that. Most do it for free hoping to sell you a part.

Let me know if this helps or if you have other questions.

Take care,
Joe
Was this
answer
helpful?
Yes
No
Monday, October 1st, 2018 AT 11:25 AM (Merged)

Please login or register to post a reply.