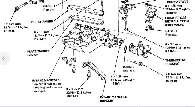
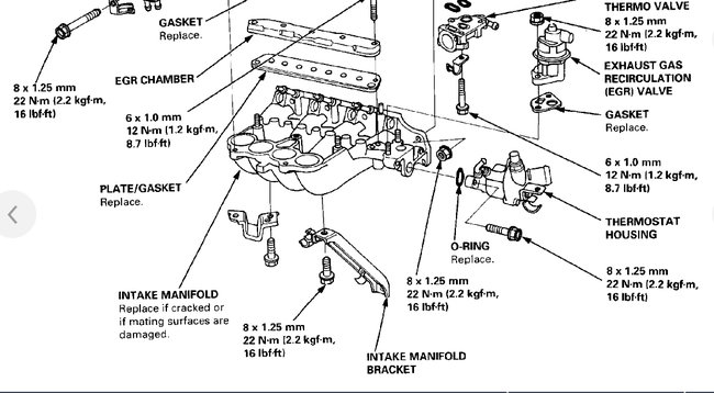
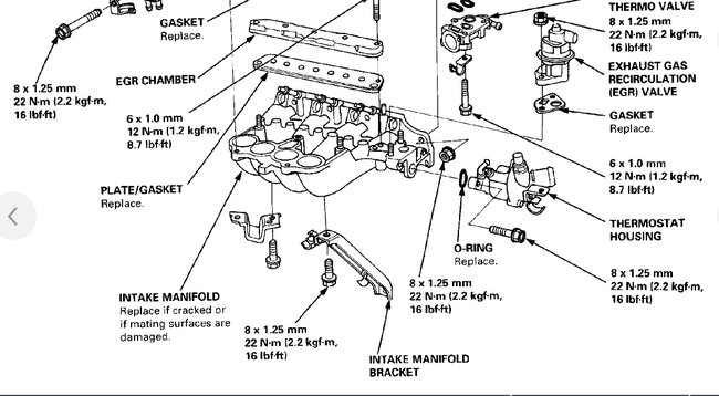
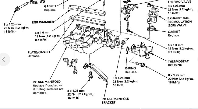
Sunday, May 19th, 2019 AT 2:24 AM
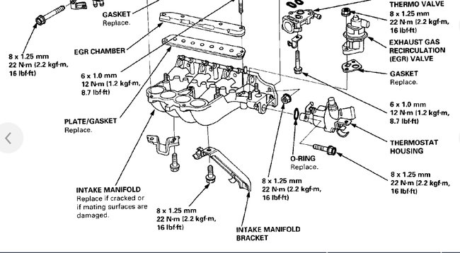
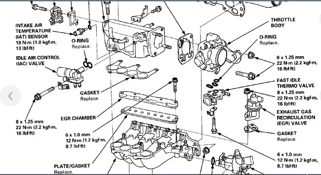
I need to replace all the gaskets top and bottom ones spark plug seals. How much torque is needed to put camshaft back on? Thanks in advance.






















