Replacing the Ignition Lock Housing?

1996 CHEVROLET 1500
315,000 MILES • 5.7L • V8 • 4WD • AUTOMATIC
Avatar
MANGIE
  • MEMBER
  • 1 POST
What do I need to complete all these tasks? The truck listed above is a K1500.
Jan 6, 2023 at 11:03 PM
Repair Safety Notice: This information is for general instructional purposes only. Vehicle repair can be dangerous. Verify all information, follow manufacturer service procedures, use proper tools and safety equipment, and consult a qualified repair shop when needed.
Advertisement
Avatar
STRAILER
  • CAR REPAIR CONTRIBUTOR
  • 54,193 POSTS
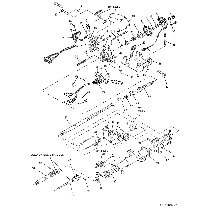
It will take normal tools and a steering wheel puller here are the instructions on how to change out the ignition lock in the diagrams below. Please let us know if you need anything else to get the problem fixed. Check out the images (below). Let us know what happens and please upload pictures or videos of the problem.
Jan 8, 2023 at 6:30 PM
Advertisement