Monday, June 10th, 2019 AT 4:00 PM
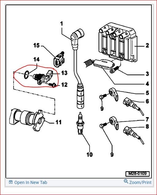
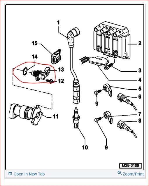
I need to replace the. Cam position sensor this motor is bbw vin#3VWSA69M75M018012. This sensor is the one with one bolt do you just unscrew and slide out and put new one part# 06A906455B.











