ECU or immobilizer relay location

Tiny
SDPNOY45
  • MEMBER
  • 2005 VOLKSWAGEN JETTA
  • 2.5L
  • 5 CYL
  • 2WD
  • AUTOMATIC
  • 170 MILES
Is there a relay under the dash for the ECU or immobilizer?
Monday, August 27th, 2018 AT 3:50 AM

3 Replies

Tiny
AL514
  • MECHANIC
  • 5,596 POSTS
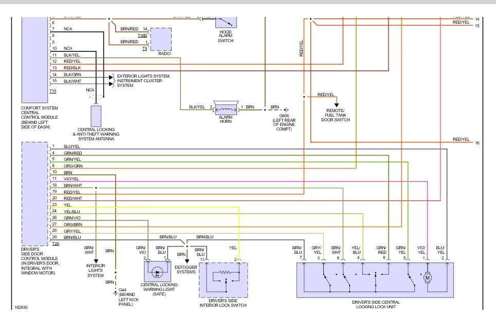
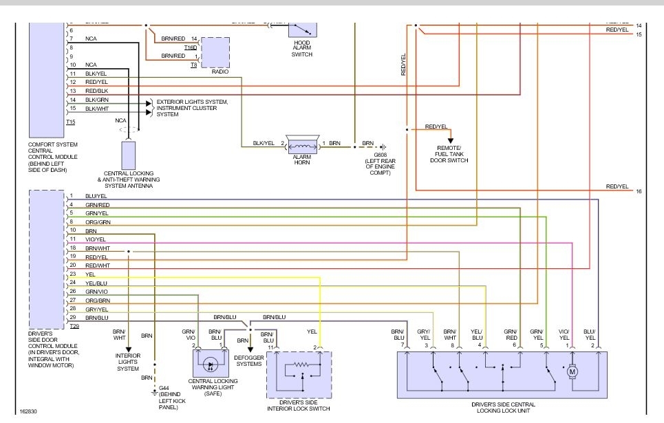
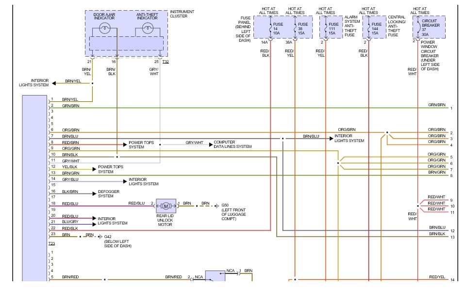
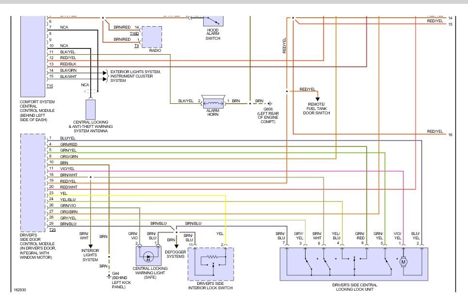
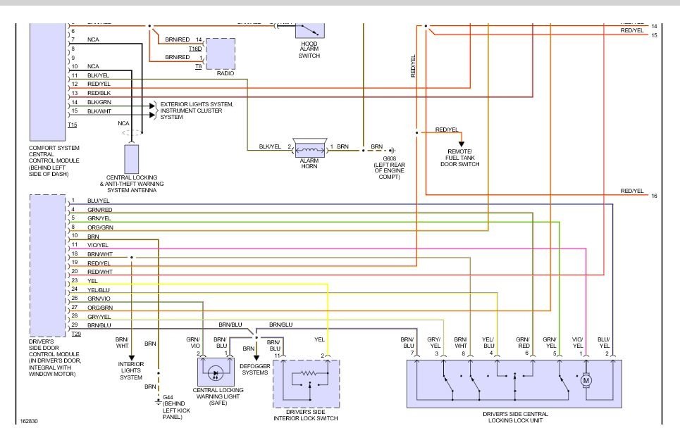
Hello there, here are the diagrams for the entire (anti-theft) security system. There are a number of modules, switches, motors and relays. Hopefully this will help.
Was this
answer
helpful?
Yes
No
Monday, August 27th, 2018 AT 12:47 PM
Tiny
SDPNOY45
  • MEMBER
  • 2 POSTS
Lost my key, bought a new one. But still trying to figure out a way to somehow reprogram the immobilizer with out spending any money that I really cannot afford.
Was this
answer
helpful?
Yes
No
Monday, September 3rd, 2018 AT 10:05 PM
Tiny
KEN L
  • MASTER CERTIFIED MECHANIC
  • 55,512 POSTS
As you can see by the wiring diagrams there is no relay if you have a new key it must be programmed most shops will do it for about $130.00. Sorry, it cannot be done any other way.
Was this
answer
helpful?
Yes
No
Thursday, September 6th, 2018 AT 11:22 AM

Please login or register to post a reply.