Rear wiper not shutting off

Tiny
CRCESHERMAN
  • MEMBER
  • 2007 CHEVROLET SUBURBAN
  • 6.0L
  • V8
  • 4WD
  • AUTOMATIC
  • 197,000 MILES
With ignition on the rear wiper will not shut off. It has been irregular in parking but even then it's only for a short time. Have pulled the fuse but winter weather makes it a desirable feature to work correctly.
Had it detailed in December and has had this issue since picking it up.
Friday, February 15th, 2019 AT 2:08 PM

1 Reply

Tiny
KEN L
  • MASTER CERTIFIED MECHANIC
  • 55,538 POSTS
Hello,

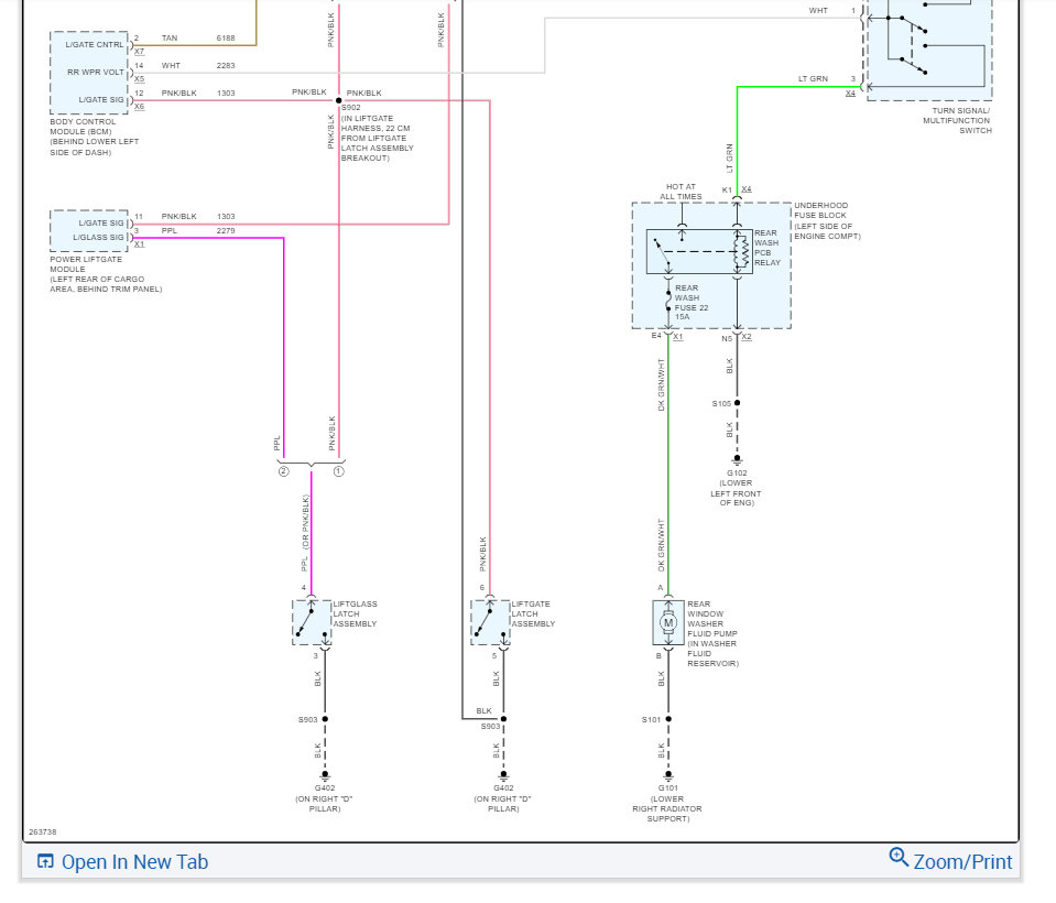
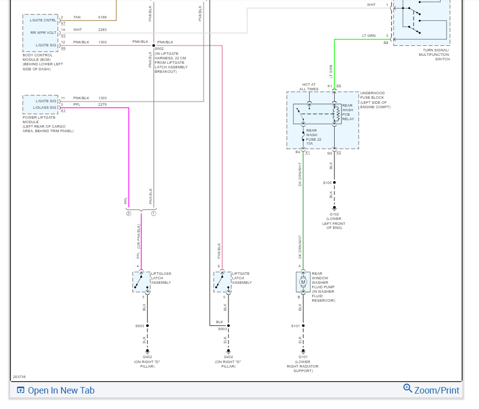
It sounds like the logic inside the wiper motor has gone bad. Here is a wiring diagrams for the rear wiper so you can see how the system works. You will need to replace the rear wiper motor. I have included a troubleshooting guide as well. Check out the diagrams (below). Please let us know what you find. We are interested to see what it is.
Was this
answer
helpful?
Yes
No
Monday, February 18th, 2019 AT 10:53 AM

Please login or register to post a reply.