Re: Chrysler Town and Country won't start

Tiny
RANDALL0617
  • MEMBER
  • 2004 CHRYSLER TOWN AND COUNTRY
  • 156,000 MILES
Chrysler Town and Country won't start. Lights, radio and horn works just fine. Even tried to give it a jump but nothing.
Wednesday, January 13th, 2016 AT 11:21 AM

1 Reply

Tiny
HMAC300
  • MECHANIC
  • 48,601 POSTS
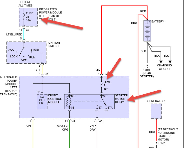
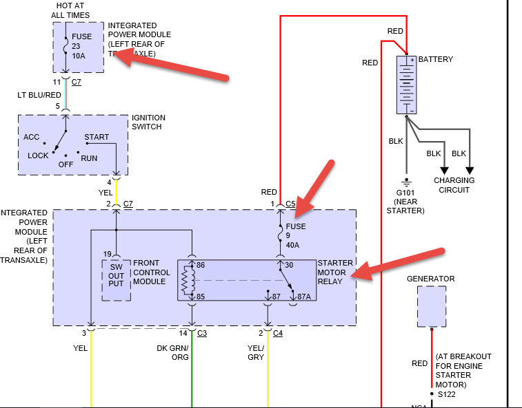
Try resetting security system first if no manual look online. If still not starting check items in pic then get it scanned as it may be the tpim module
Was this
answer
helpful?
Yes
No
Wednesday, January 13th, 2016 AT 12:00 PM

Please login or register to post a reply.