Random misfiring/rough running, no code

Tiny
CETA
  • MEMBER
  • 2002 BUICK CENTURY
  • 3.1L
  • 6 CYL
  • 2WD
  • AUTOMATIC
  • 135,000 MILES
Car started misfiring/skipping randomly. When it is not doing this, it runs, idles, and cranks great. Started out, just a mild skip, but keeps going. After a while, it got worse and would skip and misfire a lot and backfire under the hood. It would even shut off, but would crank back within a few seconds. When it does this, it takes a few minutes to get it to go again without shutting off. But most of the time, it will skip a few times, I let off the gas a second and then it quits and I can go. Repairs so far: Codes p0404, p0401. Replaced EGR valve and connector due to wires pulled out. No change. Mechanic got random misfire code, but did not tell which cylinder. Had codes checked at the parts store, only p0420. Took to a different mechanic, said needs catalytic converter and o2 sensors. Did both. Drove good about an hour, then same symptoms. He said the checked the coils and they are good. He also said both motor mounts are broke, though we just replaced both within two months. Said next should replace the Ignition Control Module. Had a new one that was sitting in a none running car, it tested good at the parts store, so husband put it in. Did not make it a mile before it quit. Finally started back and got it back home, but kept shutting off. Tested the ICM we took off, and it tested good, so putting it back on. What could possibly be causing this? No check engine light since catalytic converter replaced. We are frustrated because nobody seems to be able to figure this out. Any suggestions? Sorry this is so long. Thanks.
**Also had plugs and wires done within five to six months.
Sunday, November 11th, 2018 AT 6:03 PM

3 Replies

Tiny
JACOBANDNICKOLAS
  • MECHANIC
  • 110,194 POSTS
Hi and thanks for using 2CarPros.com.

First, has anyone checked the crankshaft position sensor? Take a look through this link.

https://www.2carpros.com/articles/symptoms-of-a-bad-crankshaft-sensor

Often times, they will run fine, miss, stall and so on. That is about the only thing I did not see replaced and one of the most common problems.

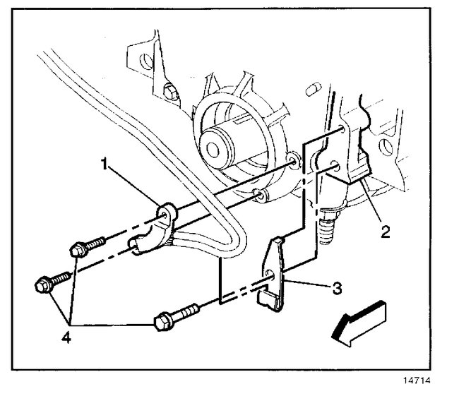
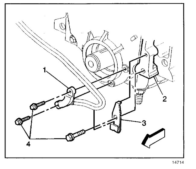
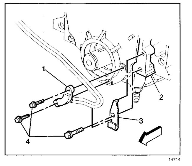
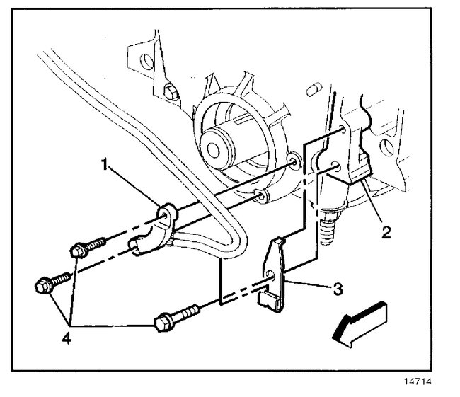
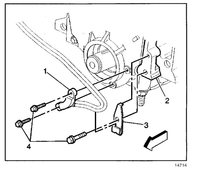
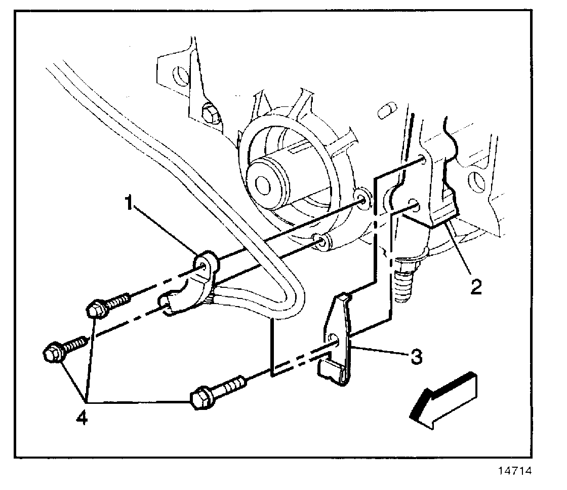
You will notice in the link, a bad sensor may or may not set a code. I attached a picture of the component and its location. It is not an expensive part, and you should be able to replace it yourself. Here are the directions:

1. Raise and support the vehicle. Refer to Lifting and Jacking the Vehicle
2. Remove the lower air deflector.
3. Disconnect the sensor electrical connector.
4. Remove the sensor from the bracket.
5. Remove the crankshaft balancer.
6. Note the routing of the sensor harness before removal.
7. Remove the harness retaining bolt (4) and the clip (3).
8. Remove the CKP sensor bolts (4).
9. Remove the CKP sensor (1).

INSTALLATION PROCEDURE

1. Install the 24X crankshaft position sensor (1) to the front cover.

NOTE: Refer to Fastener Notice in Service Precautions.

2. Install the CKP sensor bolts (4).

Tighten
Tighten the bolts to 10 N.m (89 lb in).

3. Install the harness retaining clip (3) with bolt (4).

Tighten
Tighten the bolt (4) to 10 N.m (89 lb in).

4. Connect the CKP sensor electrical connector.
5. Install the CKP sensor harness to the bracket.
6. Install the crankshaft balancer.
7. Install the lower air deflector.
8. Lower the vehicle.

______________________________________

Let me know what you find or if you have other questions.

Take care,
Joe
Was this
answer
helpful?
Yes
No
+1
Sunday, November 11th, 2018 AT 7:54 PM
Tiny
CETA
  • MEMBER
  • 3 POSTS
Thanks, I will try it and let you know.
Was this
answer
helpful?
Yes
No
Monday, November 12th, 2018 AT 6:57 AM
Tiny
JACOBANDNICKOLAS
  • MECHANIC
  • 110,194 POSTS
Welcome back:

That sounds like a plan. If you had a live data scanner, you could check for an RPM signal from the sensor to see if it is failing.

Regardless, I hope it helps.

If I may, there is one more thing. The harmonic balancer, which is located behind the crankshaft pulley, should be checked, too. This component is made of metal and rubber. I have actually seen issues where the rubber shrinks (dry rot) causing both a knocking noise as well as issues with the sensor. Make sure to inspect it.

Let me know what you find or if you have other questions.

Take care,
Joe
Was this
answer
helpful?
Yes
No
Monday, November 12th, 2018 AT 5:28 PM

Please login or register to post a reply.