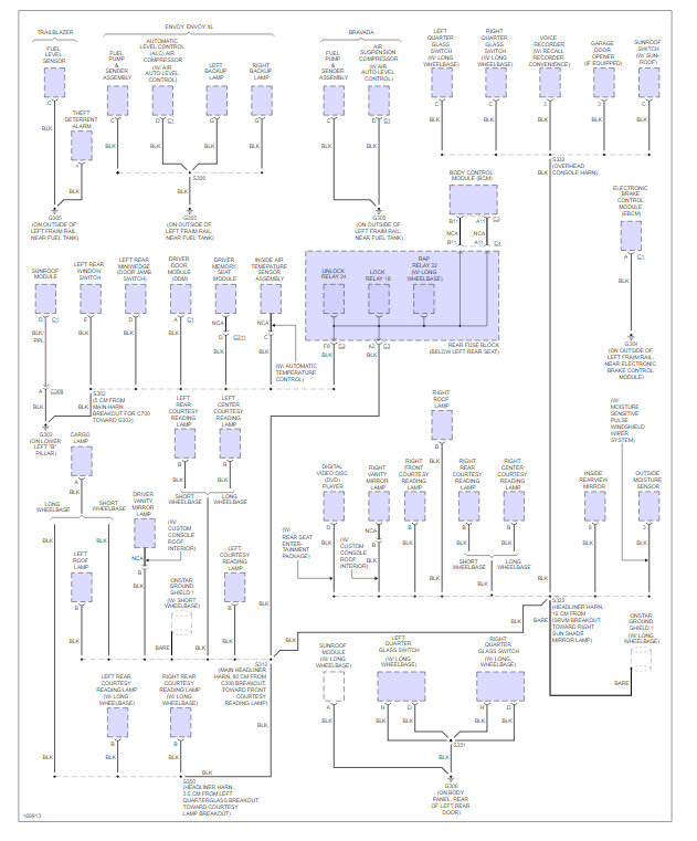
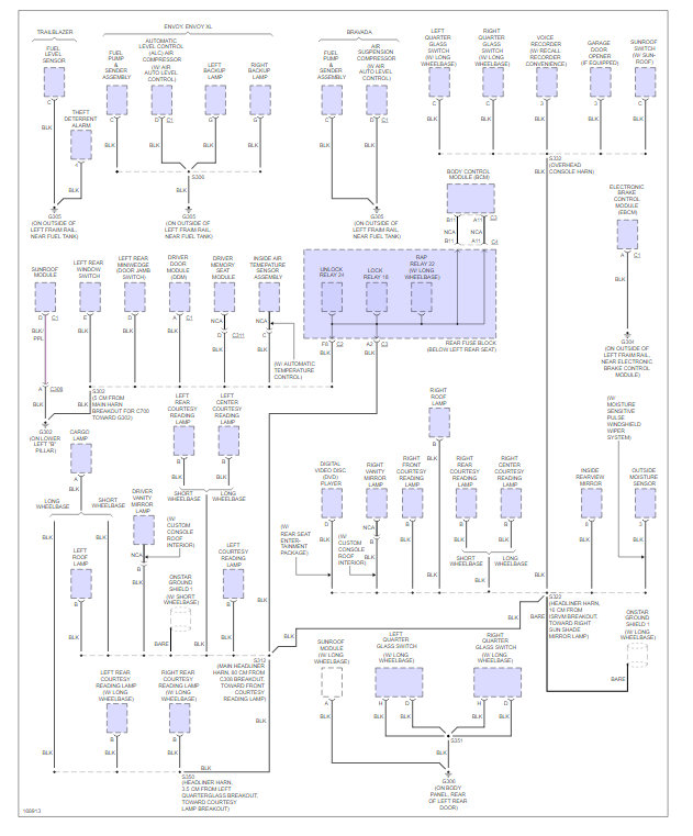
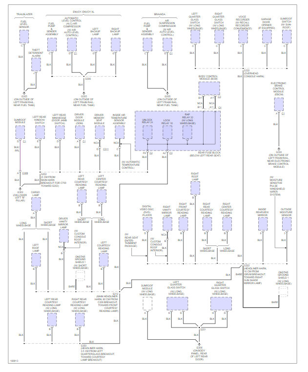
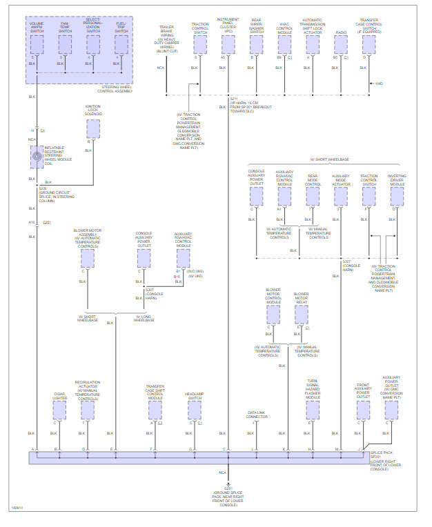
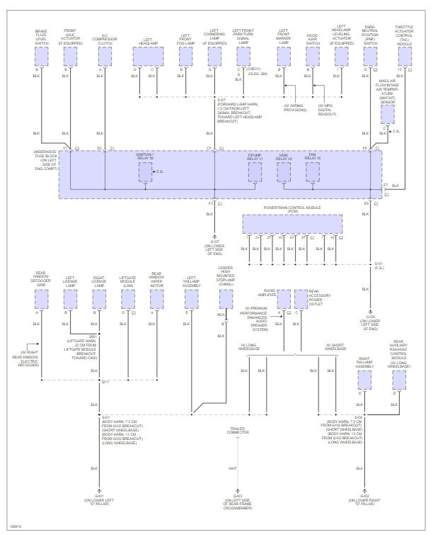
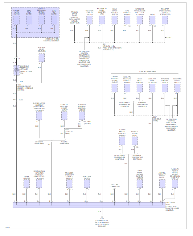
Monday, February 11th, 2019 AT 5:30 AM
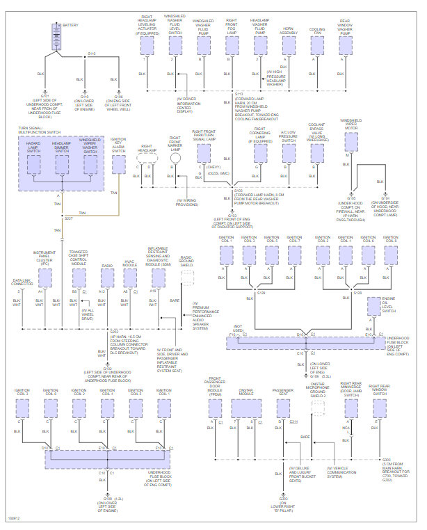
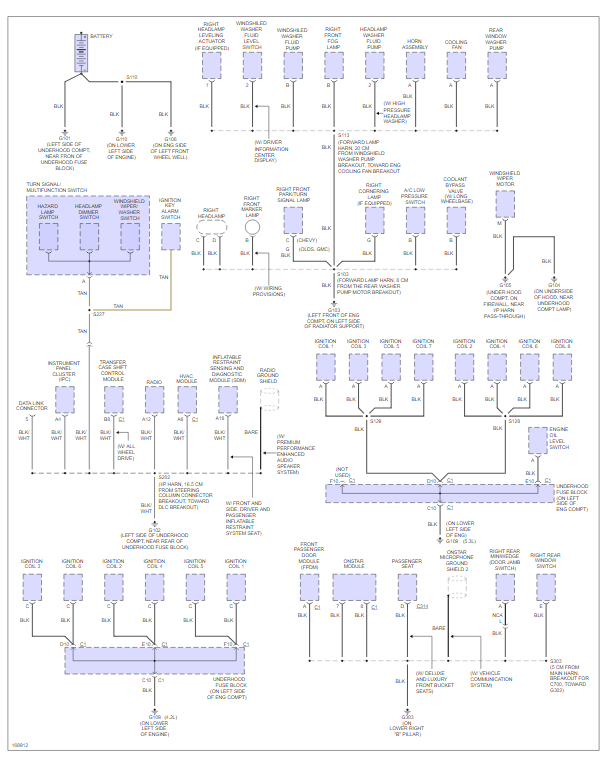
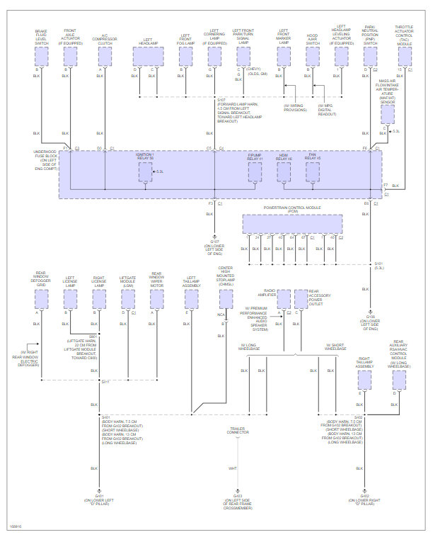
I was recently doing some work on my vesicle and came across this random ground wire that leads into my firewall as shown in picture 1, picture 2 is where I found the wire laying, and picture 3 is to show what the wire looks like under the plastic cover. Was wondering if you could tell me what its for?








