Radio/Wiring questions?

Tiny
MARIOXAVI
  • MEMBER
  • 2020 KIA SPORTAGE
  • 67,000 MILES
Hi, I want to upgrade the speakers of my car but I don't find any information online about how the radio Wiring works, because my car doesn't have a AUX out cable. It will be better to replace the OEM radio? Or it is any chance to use an external amplifier with the OEM radio?

And it is worth it do if I do that or it will be fine just with new speakers? Thanks
Sunday, February 2nd, 2025 AT 4:24 PM

1 Reply

Tiny
KEN L
  • MASTER CERTIFIED MECHANIC
  • 55,090 POSTS
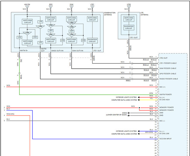
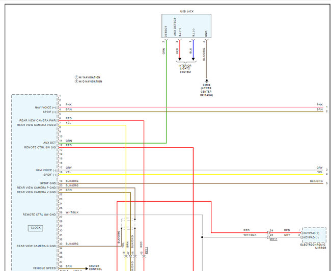
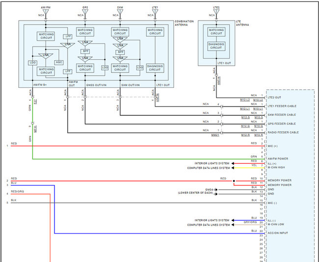
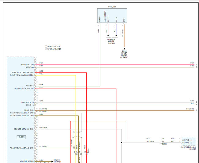
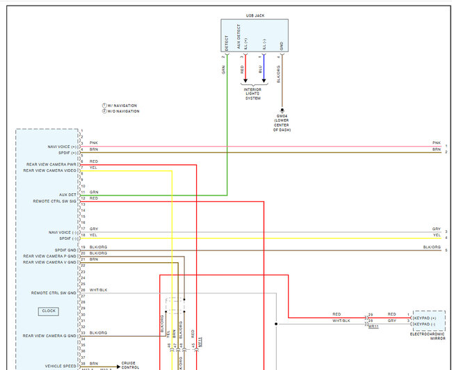
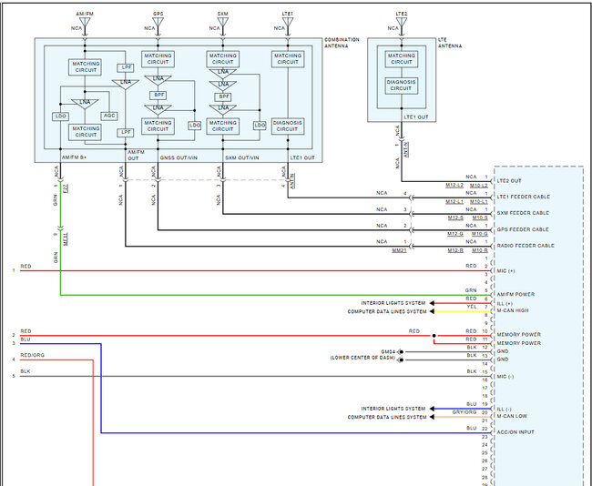
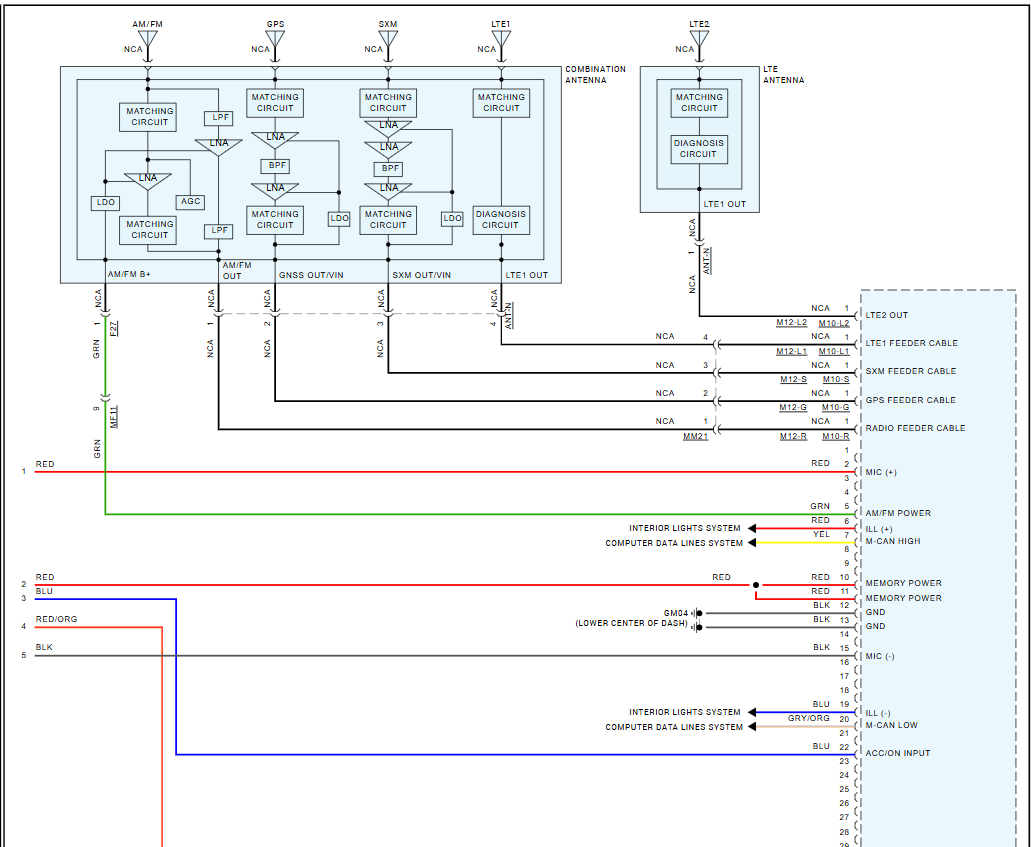
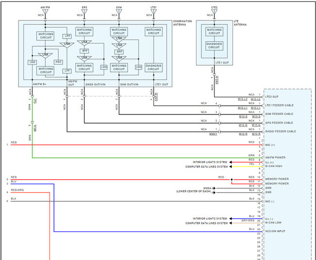
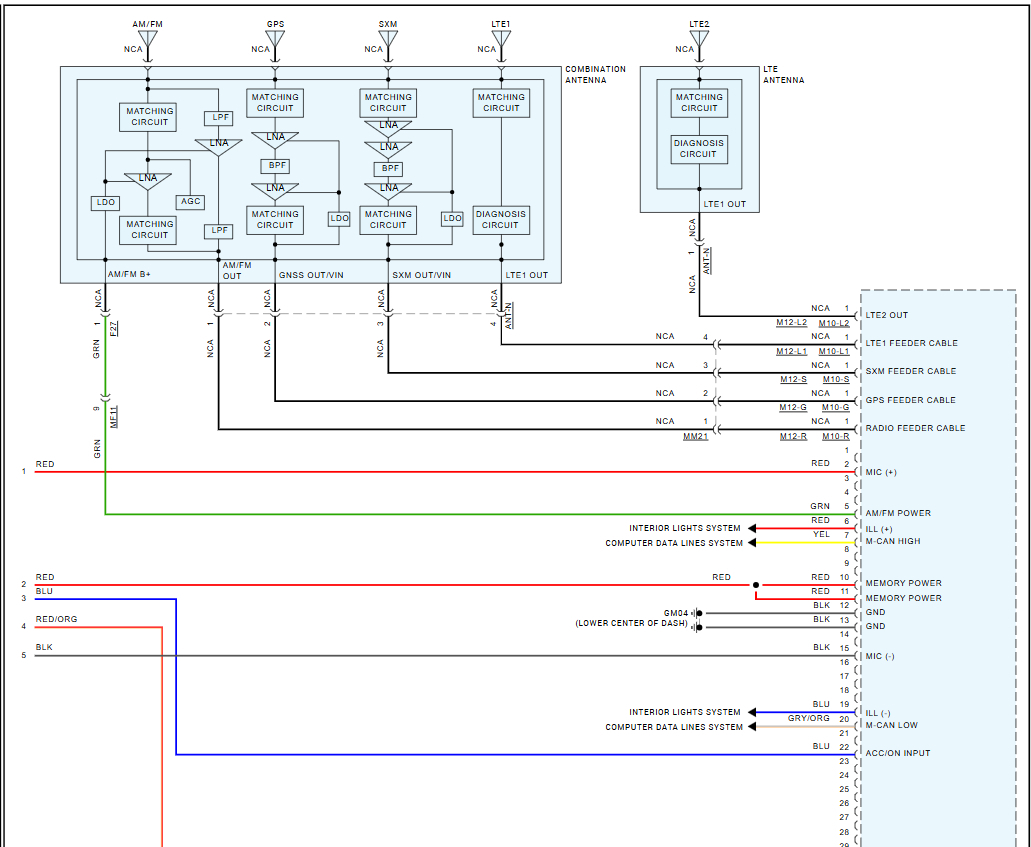
I would just uninstall the new speakers; the factory head units are pretty good these days. Here is how the radio wiring diagrams so you can see how the system works, and which color speaker wires go where. Also, most of the time an aftermarket head unit will not integrate with the external controls. Check out the images (below). Let us know if you need anything else.
Was this
answer
helpful?
Yes
No
Tuesday, February 4th, 2025 AT 9:36 AM

Please login or register to post a reply.