Thursday, January 17th, 2019 AT 4:35 PM
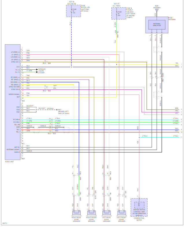
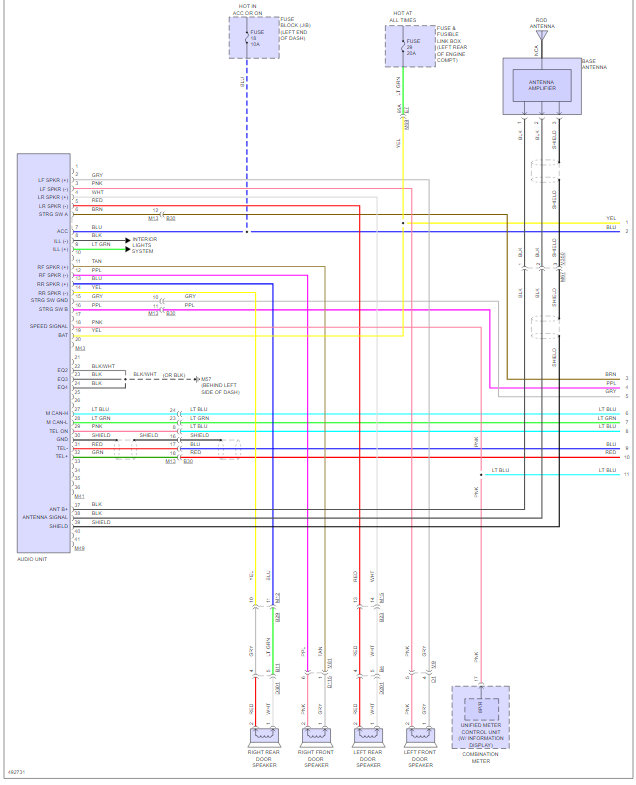
I have the vehicle listed above sedan with the basic radio. I found another Versa sedan, same year, at an auto salvage lot. I was wondering if I’d be able to swap out my basic radio for the nicer radio with a screen and navigation simply? Or if there are more steps that would need to be taken in order to do this properly? Can I just pull them both out and swap them or do I need to rewire in order for it to work properly?











