Radio wiring diagrams please?

Tiny
XSTINCTION
  • MEMBER
  • 2004 HONDA CIVIC
  • 1.7L
  • 4 CYL
  • 2WD
  • MANUAL
  • 151,000 MILES
Will replacing the stock head unit with an aftermarket Head Unit trigger the Security Anti Theft in the car listed above (EX model)?
Friday, March 6th, 2020 AT 9:51 PM

6 Replies

Tiny
SCGRANTURISMO
  • MECHANIC
  • 4,897 POSTS
Hello,

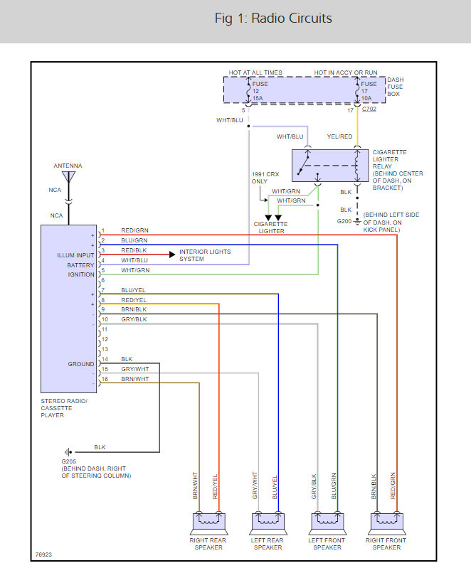
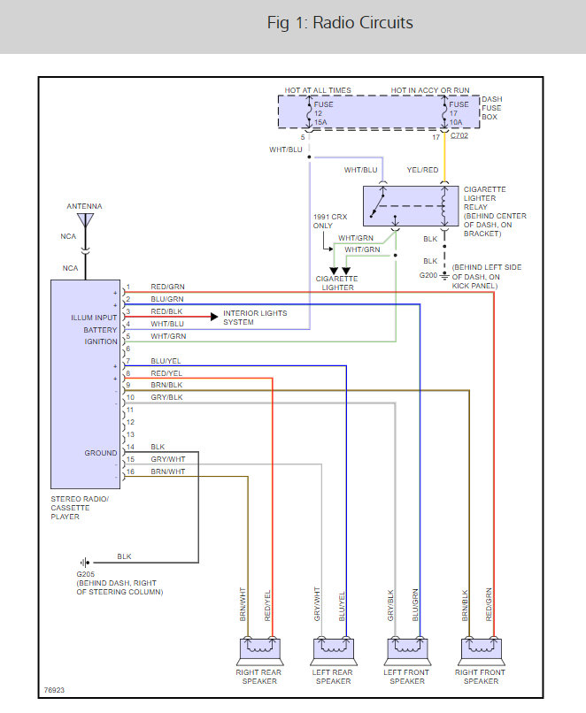
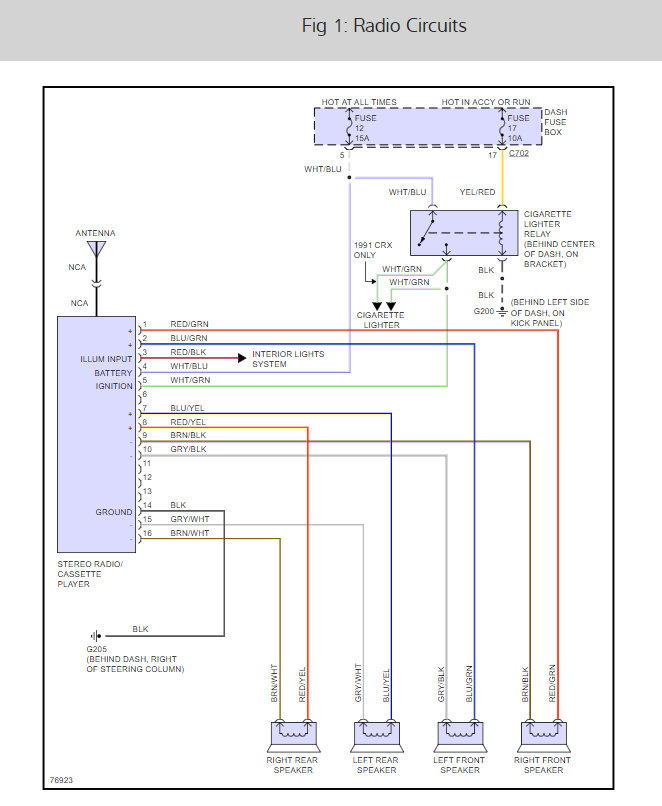
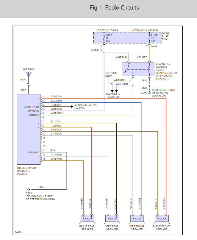
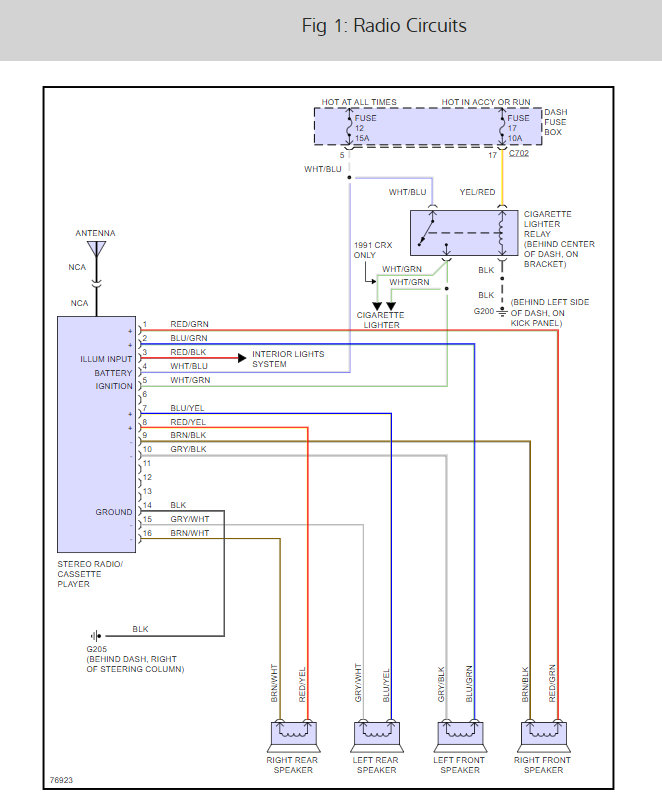
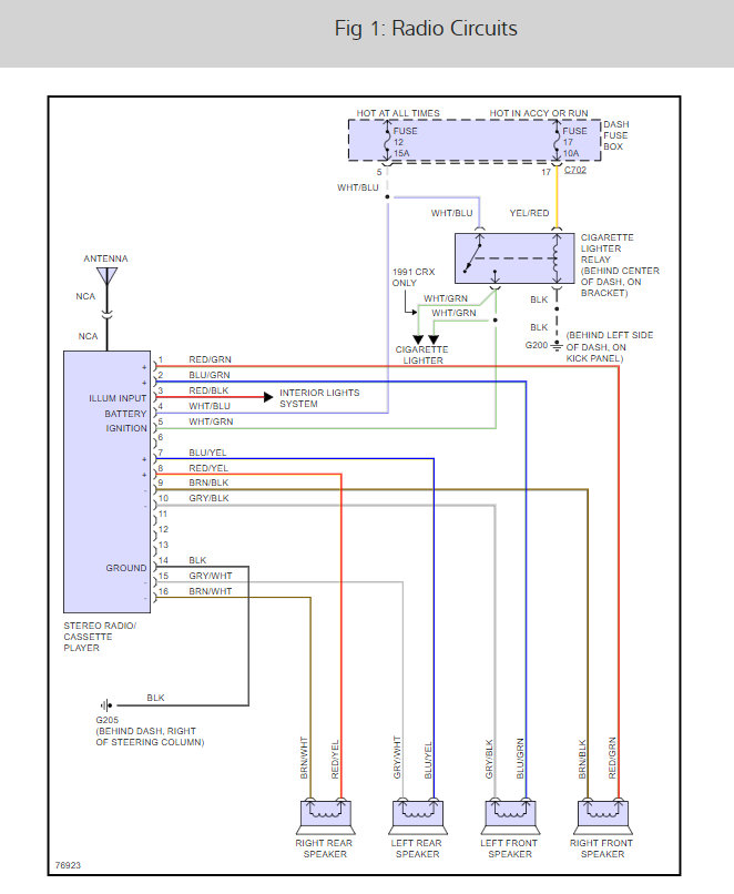
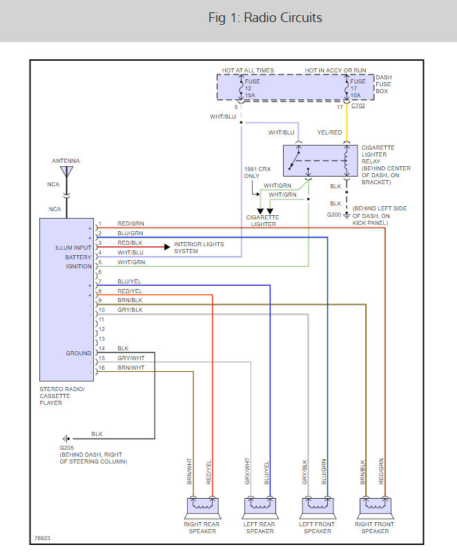
No, it will not. In the diagrams down below I have included the instructions for the removal of the stereo in your vehicle. I have also included the stereo wiring diagram for you. Please go through this guide and get back to us with how everything turns out.

Thanks,
Alex
2CarPros
Was this
answer
helpful?
Yes
No
Friday, March 6th, 2020 AT 10:15 PM
Tiny
WENELI
  • MEMBER
  • 1 POST
  • 2002 HONDA CIVIC
  • 4 CYL
  • 2WD
  • AUTOMATIC
  • 87,000 MILES
When I'm driving down the road, my gauges suddenly go crazy as my radio completely shuts off. This does not happen everyday but happens rather frequently throughout the day. I've noticed that it happens more when going through heavy slow traffic. The car did shut off completely one time, I was able to turn it back on and has not happened since. One mechanic suggested that I pull the stereo fuse to see if it is a wiring issue, but I have had this stereo for over 3 years. Another said it is probably a pcm issue. Being on a tight budget now a days, Could it be something serious enough to take it in asap? I am worried that it might leave me stranded one day. Thanks for your help. You guys are awesome.
Was this
answer
helpful?
Yes
No
Wednesday, October 28th, 2020 AT 11:20 AM (Merged)
Tiny
KHLOW2008
  • MECHANIC
  • 41,814 POSTS
Hi weneli,

Based on your description, I would suspect the ignition switch to be the cause. There was a Technical Service Bulletin regarding recalls on the switch and I would suggest contacting the local dealer to check if your vehicle is on the list and get a replacement part under the recall.
Was this
answer
helpful?
Yes
No
Wednesday, October 28th, 2020 AT 11:20 AM (Merged)
Tiny
SLEEPING FOREST
  • MEMBER
  • 12 POSTS
  • 1991 HONDA CIVIC
  • 4 CYL
  • FWD
  • AUTOMATIC
  • 200,000 MILES
Ok I have a radio i'm trying t install on my 1991 Honda Civic DX hatchback, and I need some help trying to get it to work. The radio lights up, but I get no sound and the face of the radio shows nothing. Does anyone have a proper wiring diagram for my car to ensure that I have the harness for the aftermarket radio wired to the car properly. Oh and i'm a automotive student in college.
Was this
answer
helpful?
Yes
No
Wednesday, October 28th, 2020 AT 11:20 AM (Merged)
Tiny
KHLOW2008
  • MECHANIC
  • 41,814 POSTS
Here is the radio wiring diagram you needed in the diagrams below. Check out the diagrams (Below). Please let us know if you need anything else to get the problem fixed.
Was this
answer
helpful?
Yes
No
+5
Wednesday, October 28th, 2020 AT 11:20 AM (Merged)
Tiny
FOUR BANGER
  • MEMBER
  • 1 POST
I have a 2008 Honda Civic coupe. I need help with finding my radio diagram it’s non navigation and non premium audio sound. I can’t find anything.
Was this
answer
helpful?
Yes
No
Monday, March 22nd, 2021 AT 5:42 AM

Please login or register to post a reply.