Radio not working on/off switch shows time date then Ford audio Symbol on screen only?

Tiny
JIMBOBM
  • MEMBER
  • 2012 FORD FIESTA
  • AUTOMATIC
  • 100,000 MILES
Radio had popping noise through speakers on and off ignition switch. Then no radio sound. On / off switch shows time date then ford audio symbol on screen only. Fuses good. Any suggestions?
Sunday, August 14th, 2022 AT 7:40 PM

1 Reply

Tiny
KEN L
  • MASTER CERTIFIED MECHANIC
  • 55,522 POSTS
Hi Jimbo,

It sounds like the amplifier inside the radio has gone out was means you need to replace the radio. But it could also be the APIM (accessory interface protocol module) in this case I would do a CAN scan to see which one is having an issue this is easy to do and you can get a CAN scanner from Amazon for about $30.00 here is a video to show you how.

https://youtu.be/u-4syLc-ifQ

Here is a scanner link:

https://amzn.to/3o41KcZ

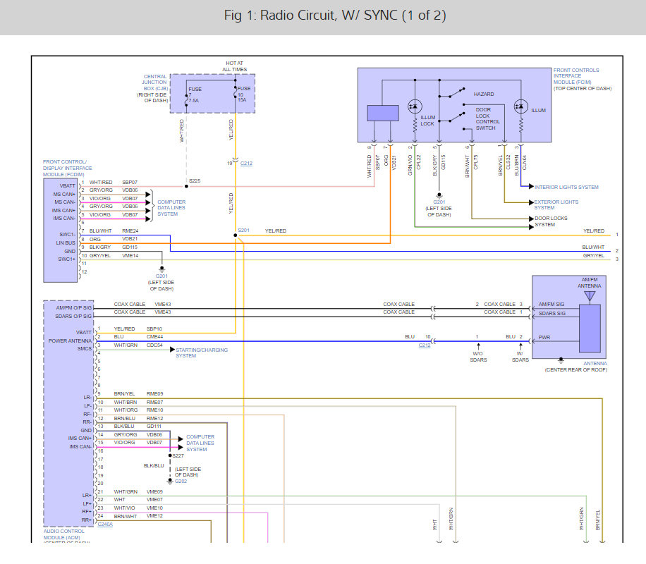
Here are the radio wiring diagrams for your car in the images below so you can see how the system works. Check out the diagrams (below). Please let us know what you find. We are interested to see what it is.

Was this
answer
helpful?
Yes
No
Monday, August 15th, 2022 AT 10:22 AM

Please login or register to post a reply.