Radio and Navigation functionality lost

Tiny
HENZ08
  • MEMBER
  • 2012 ACURA MDX
  • 3.7L
  • V6
  • 4WD
  • AUTOMATIC
  • 115,500 MILES
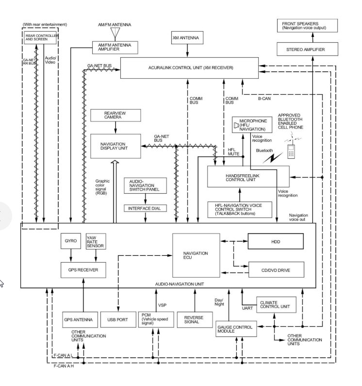
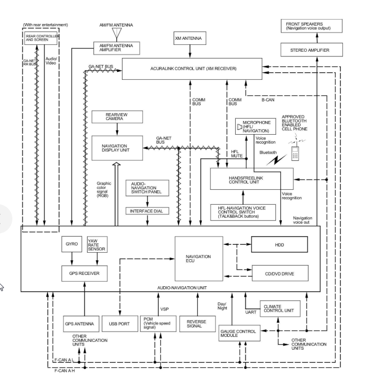
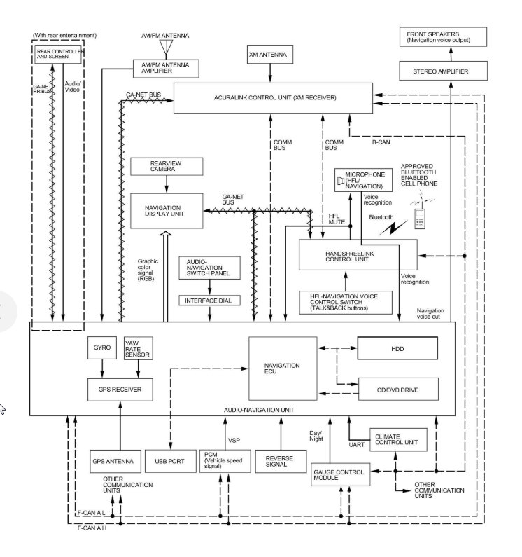
Radio and Navigation suddenly stopped working. Navigation screen only works when put in reverse, camera view. Checked radio fuse, was okay, still replaced. This did not resolve. Aux connection in center console also not working. No additional electronic/electrical issue that I am aware of.

Thanks in advance.
Tuesday, October 8th, 2019 AT 6:14 PM

1 Reply

Tiny
KASEKENNY
  • MECHANIC
  • 18,907 POSTS
Hi,

Unfortunately, the systems that you are describing are all contained within the Audio/Navigation Unit. I included the wiring diagram but unless the dealer has a software update that will repair this, I don't see any other way to repair it other than replacing the unit.

Let me know if you have questions and we can go from there. Thanks
Was this
answer
helpful?
Yes
No
Wednesday, October 9th, 2019 AT 5:12 PM

Please login or register to post a reply.