Thursday, November 5th, 2020 AT 2:52 PM
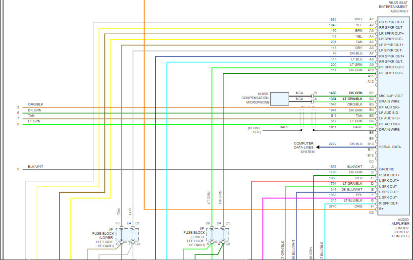
Hi, I have the vehicle listed above that has a parasitic draw. When I pull my stereo/amp fuse the draw goes away. I am wanting to know what all is involved in the wiring in this system. I had changed my amp already and it didn't make a difference.










