Wednesday, May 15th, 2013 AT 7:53 PM
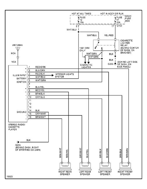
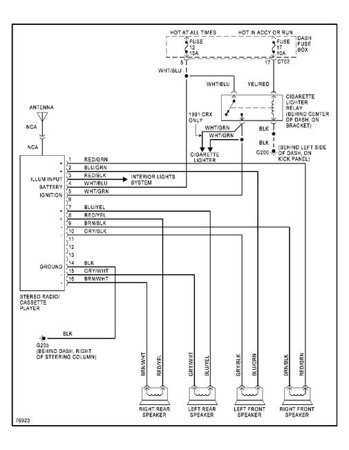
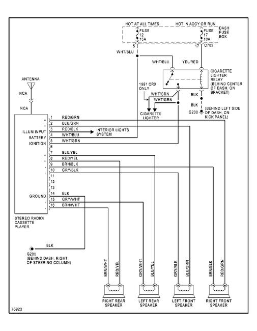
Would it be possible that u have the schematic for the radio cable for this car, cause I search but when I looked in the web it says a yellow cable for the ignition but there's no yellow cable. I GOT THE 1.5 HONDA CIVIC 91 LX SOHC. Thank you





