Radiator fan unit not turning on

Tiny
JCOOKSEY
  • MEMBER
  • 2010 FORD EDGE
  • 3.6L
  • 6 CYL
  • 2WD
  • AUTOMATIC
  • 130,000 MILES
A couple of days ago, my engine overheated in stand still traffic. I’ve been having issues with the air conditioning not functioning when I’m not moving, but when I’m going forward it’s not a problem. My father in law checked it out and found that neither fan on my radiator unit would turn on.

Things we have done:
- Confirmed all fuses and electrical connections are good
- Replaced the relay/fan unit

Things we know:
-Temperature gauge appears to be functioning correctly (showing rising temperatures, etc.)

We don’t know where to go from here.
Wednesday, June 19th, 2019 AT 6:06 AM

6 Replies

Tiny
JCOOKSEY
  • MEMBER
  • 4 POSTS
P.S. This vehicle does not have a tow package.
Was this
answer
helpful?
Yes
No
Wednesday, June 19th, 2019 AT 6:32 AM
Tiny
ASEMASTER6371
  • MECHANIC
  • 52,796 POSTS
Good afternoon,

Did you check for power to the fan motors?

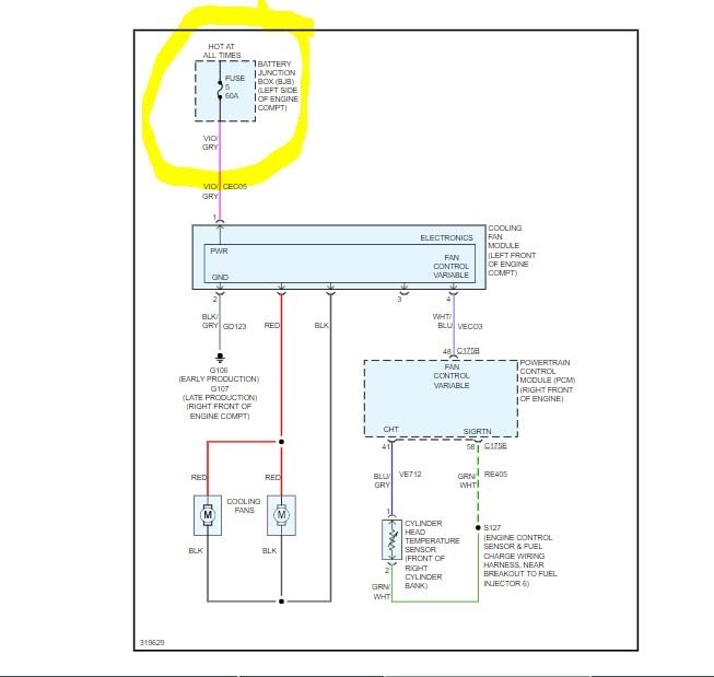
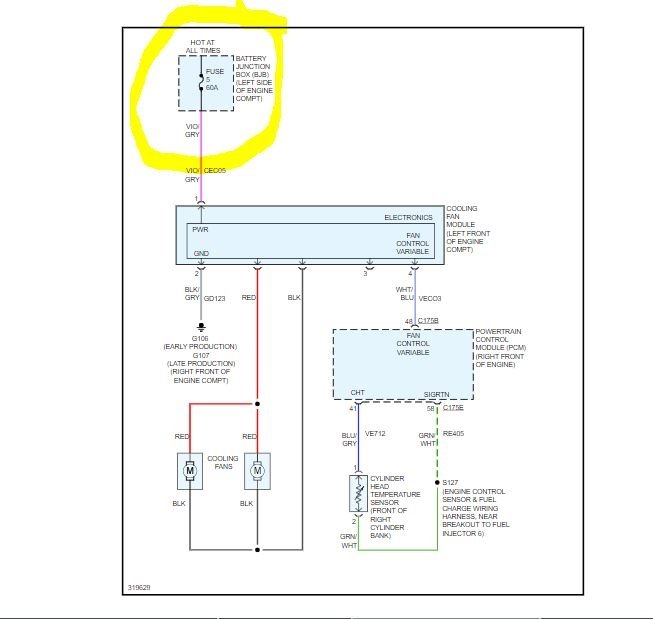
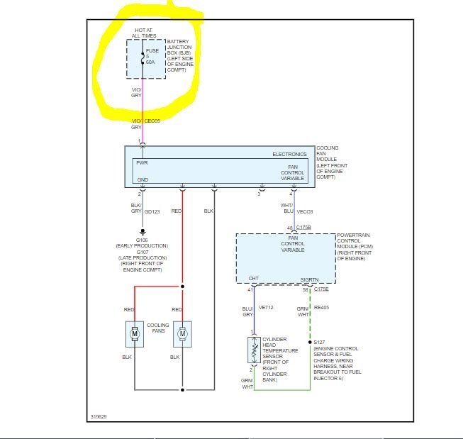
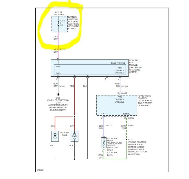
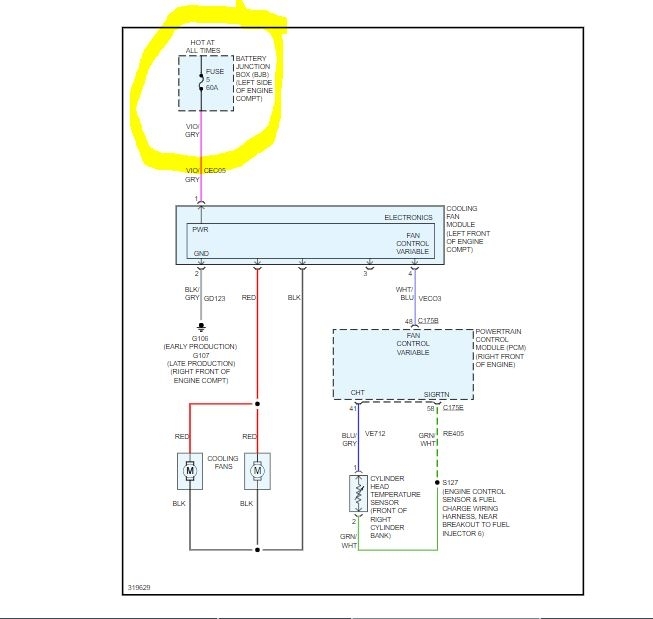
Let us start with checking the 60 amp fuse for power on both sides.

Roy
Was this
answer
helpful?
Yes
No
Wednesday, June 19th, 2019 AT 2:12 PM
Tiny
JCOOKSEY
  • MEMBER
  • 4 POSTS
Fuses, wires, and sensors are all getting juice.
Was this
answer
helpful?
Yes
No
Wednesday, June 19th, 2019 AT 5:09 PM
Tiny
ASEMASTER6371
  • MECHANIC
  • 52,796 POSTS
Do you mean there is power to the cc fans?

Roy
Was this
answer
helpful?
Yes
No
Wednesday, June 19th, 2019 AT 5:37 PM
Tiny
JCOOKSEY
  • MEMBER
  • 4 POSTS
As far as we can tell. We checked all wires and connections with a voltmeter, and were able to hot-wire the fan. It just doesn’t come on when the car is running, and I can only get cold A/C when the car is in motion.
Was this
answer
helpful?
Yes
No
Thursday, June 20th, 2019 AT 5:40 AM
Tiny
ASEMASTER6371
  • MECHANIC
  • 52,796 POSTS
Check terminal 2 and terminal 4 of the module for power on the diagram I sent you.

Roy
Was this
answer
helpful?
Yes
No
Thursday, June 20th, 2019 AT 6:57 AM

Please login or register to post a reply.