Friday, September 1st, 2023 AT 6:32 PM
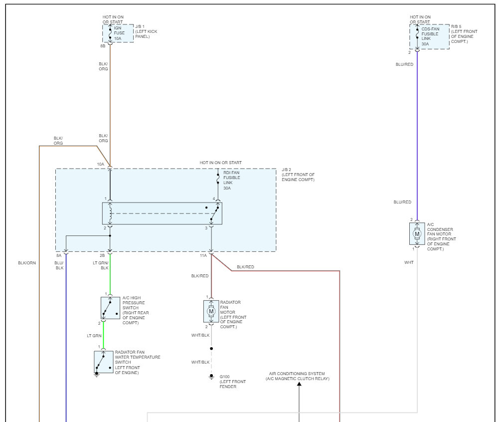
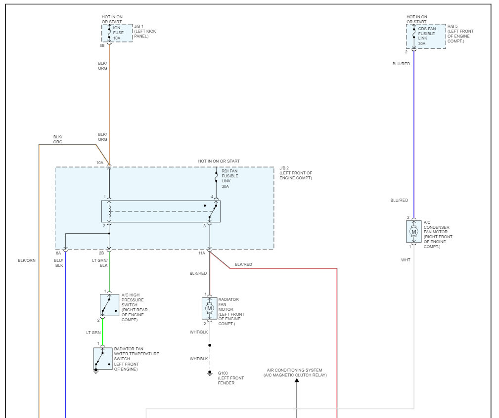
Radiator fans are not working, power to the front fan but not the rear fan. Disconnect the thermo switch and the fans do not work. Can hear the relay click when I disconnect and connect the switch. Fuse and wiring look good.


