Monday, March 27th, 2023 AT 2:41 AM
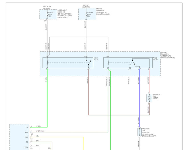
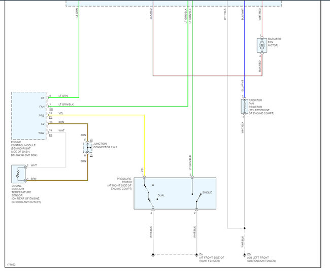
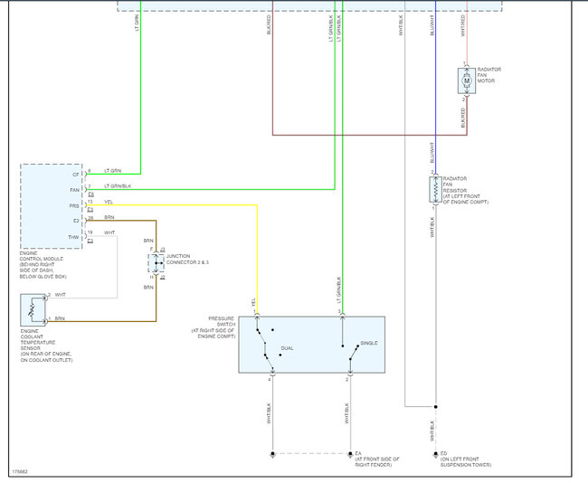
The fan never turns on when I'm at a drive thru or a red light for too long. The car will overheat. I've changed radiators, I installed a new engine coolant temperature sensor, I replaced the fan motor, the 5-pin relay, and I can't figure out why the fans won't turn on. The fan will work if I bypass and plug it straight into the battery. I did notice the last time I took the coolant out there was a lot of oil in there. Not sure if that's related. Also, the wiring to the fan only has one wire. Fan does not turn on when the ECT sensor is disconnected.


