Radiator swap

Tiny
SHLBTWD
  • MEMBER
  • 2006 KIA OPTIMA
  • 2.4L
  • 4 CYL
  • 2WD
  • MANUAL
  • 140,000 MILES
Crack in front of plastic radiator. Can I use another radiator from any car?
Saturday, July 9th, 2022 AT 10:52 PM

1 Reply

Tiny
KEN L
  • MASTER CERTIFIED MECHANIC
  • 55,065 POSTS
Nope, you must use a radiator for this car, you can get a cheap one from amazon for $76.00.

https://amzn.to/3RoiZDu

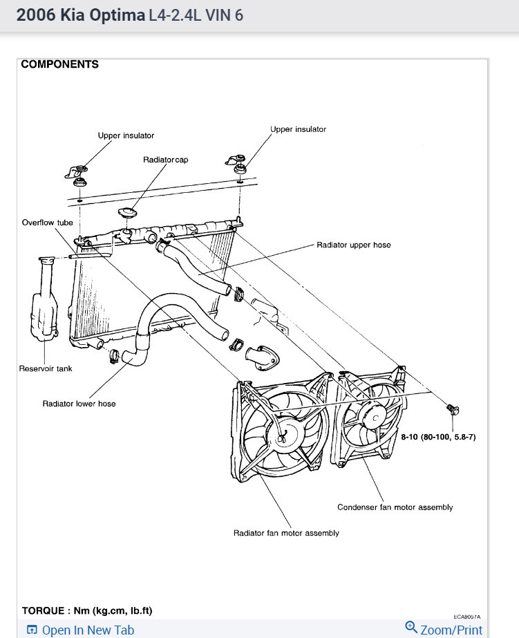
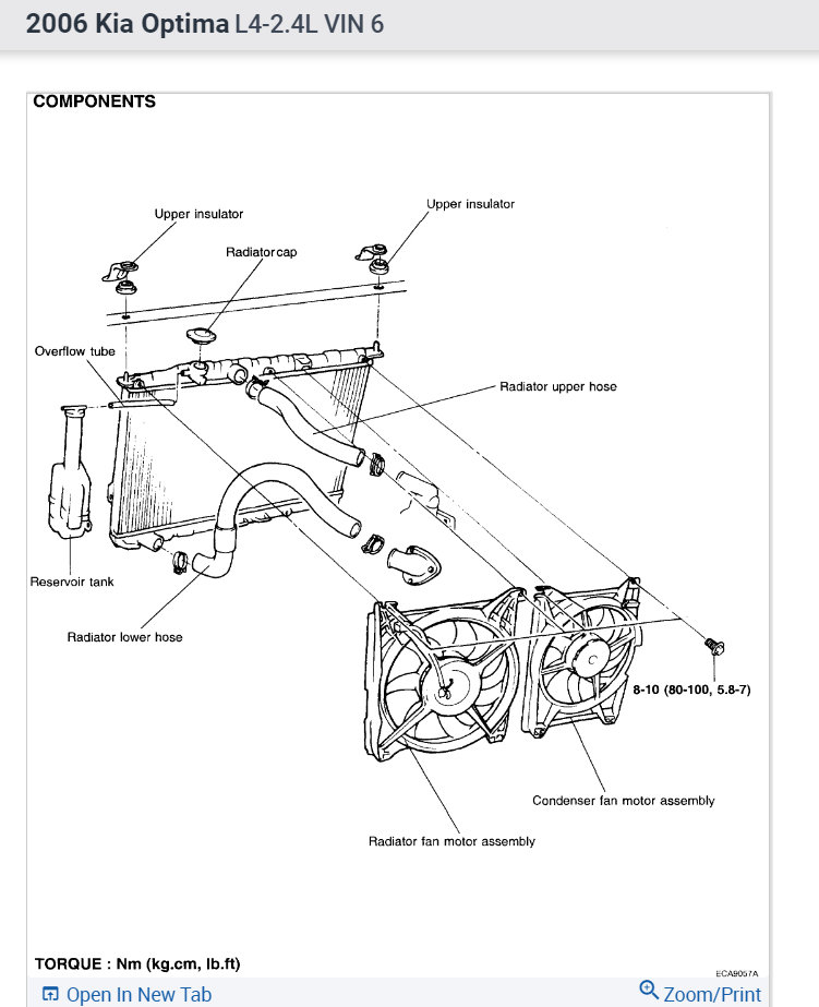
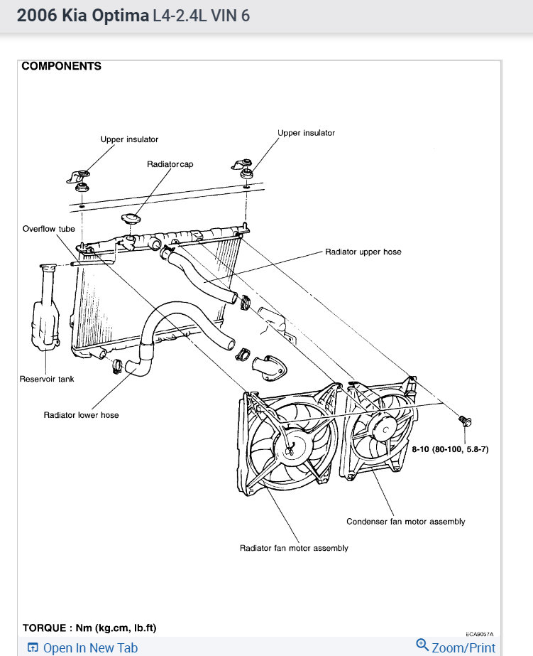
Here is a generic guide on how to replace it with diagrams below to show you how on your car:

https://www.2carpros.com/articles/how-to-replace-a-car-radiator

Check out the diagrams (below). Please let us know if you need anything else to get the problem fixed.
Was this
answer
helpful?
Yes
No
Sunday, July 10th, 2022 AT 3:55 PM

Please login or register to post a reply.