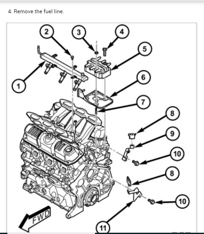
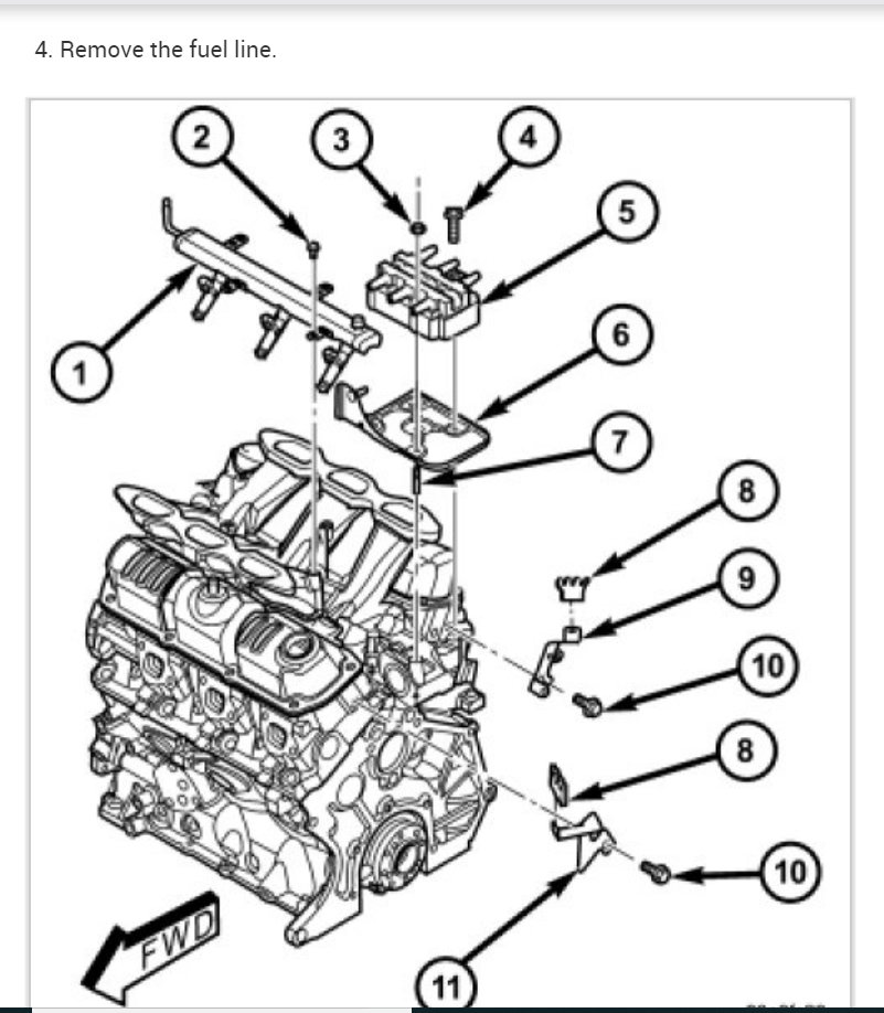
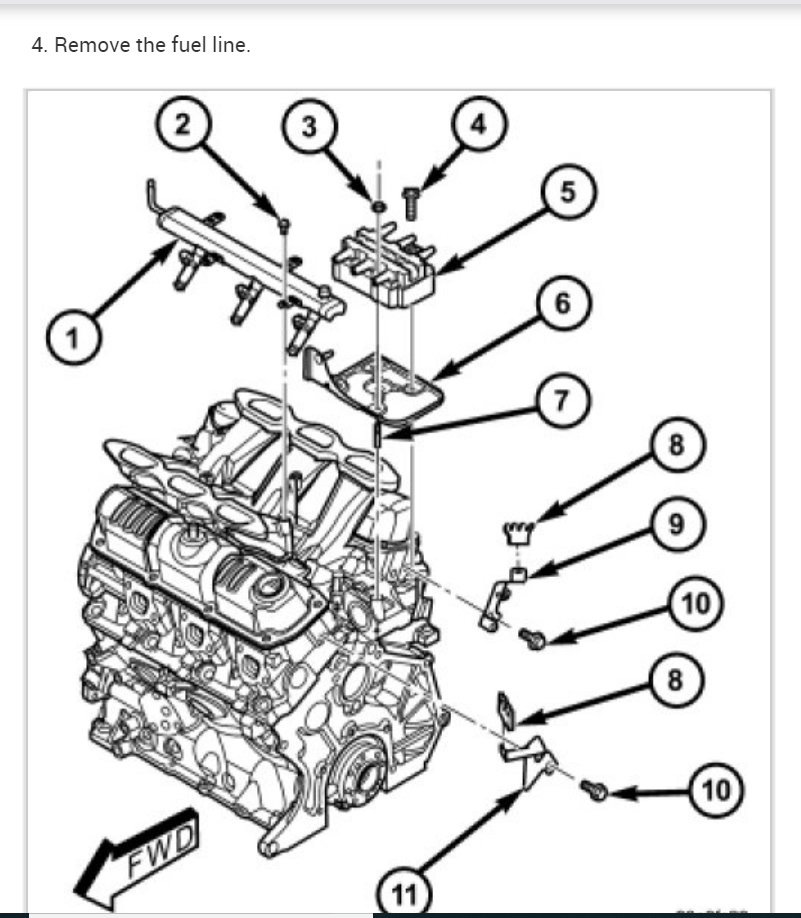
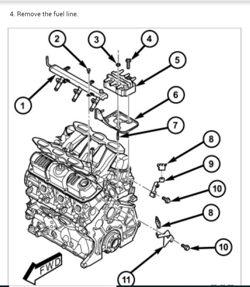
What's the exact procedure for the head gasket removal? Must I drain the radiator completely or could I leave some in there? And the oil will have to be drained of course but do I also need to suck out fluid from the channels?
And I need to know advice on removing gasket material/cleaning the mating surfaces there.
Monday, June 24th, 2019 AT 3:54 AM








































