Monday, September 5th, 2022 AT 2:45 PM
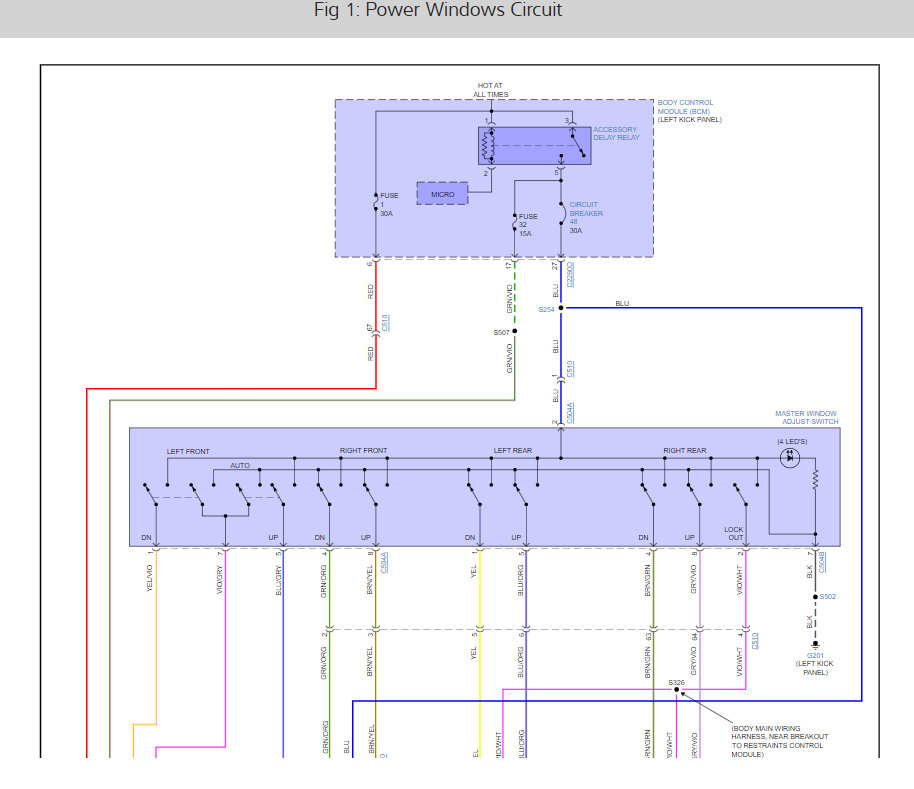
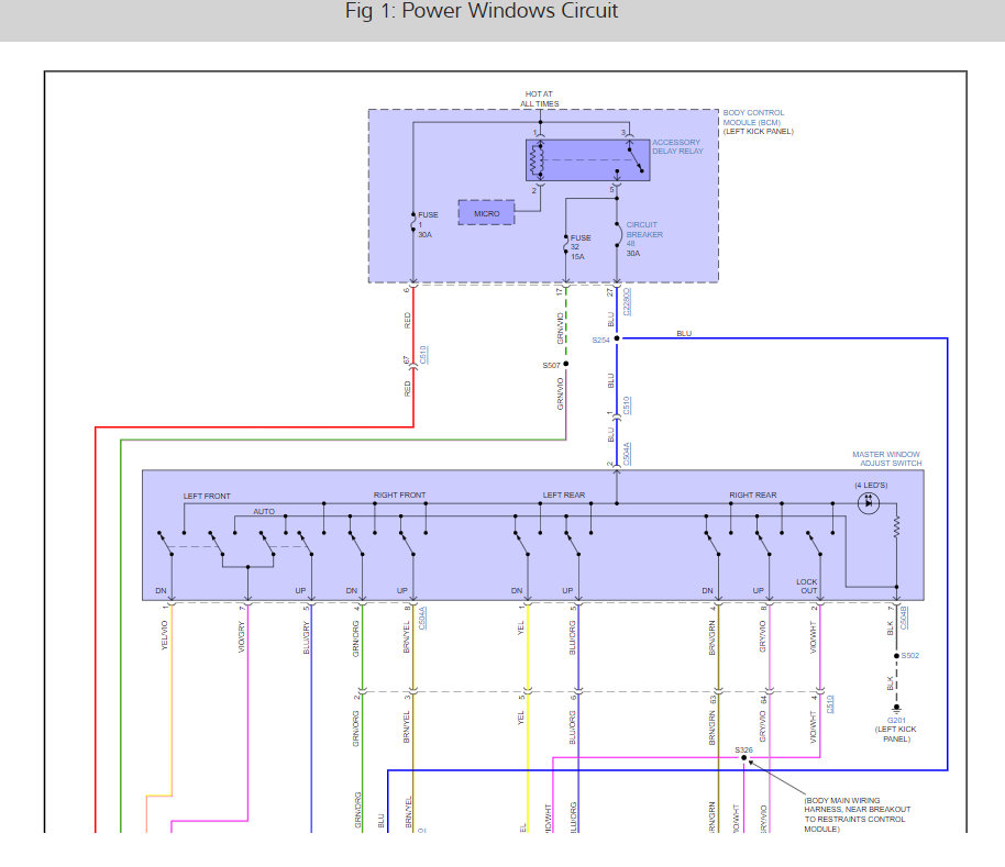
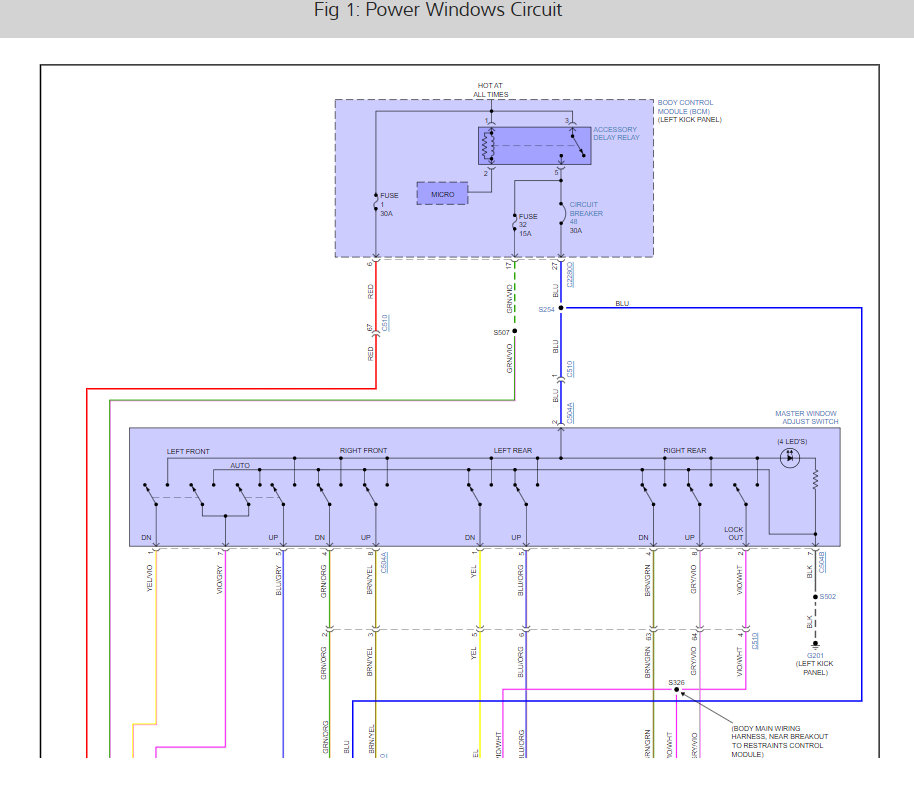
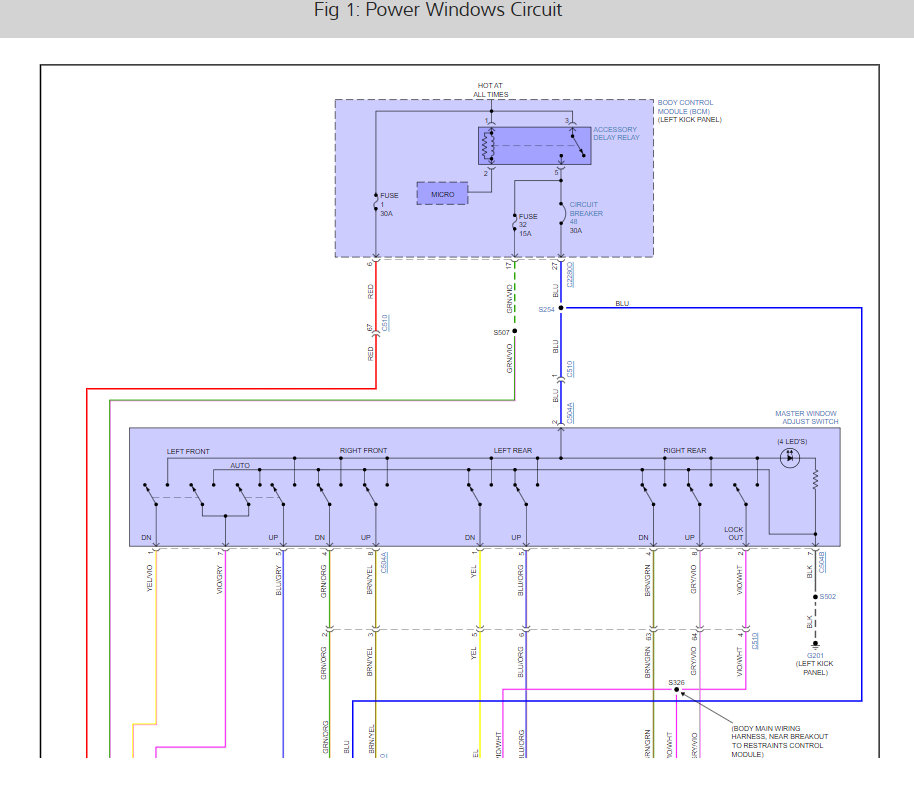
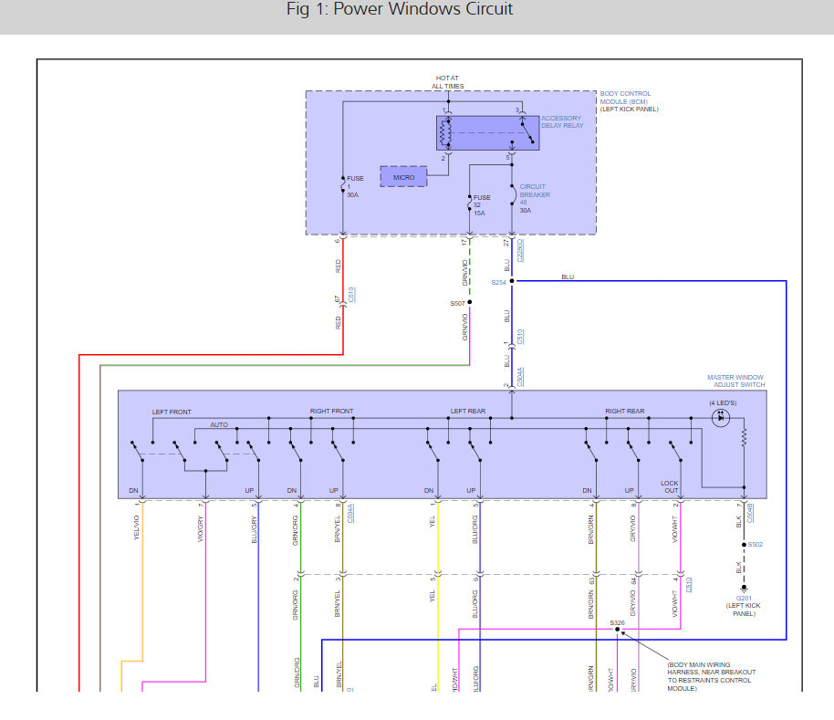
Checked fuses and they are all good. Took the car to an automotive car shop and he put it on his computer and said it was a BCM (body control module). Ford has discontinued this part. Is it really the BCM or is it another problem like a relay?





