Power windows no movement at all?

Tiny
STEVEN BROADWELL
  • MEMBER
  • 1989 MAZDA RX7
  • 2WD
  • MANUAL
  • 166,666 MILES
Hello. The 30A fuse appears to be okay. The driver's window went down. The passenger window went down about 1/2” then stopped. Replaced the door Panel switches. No movement at all. Ideas? It would seem to be more than a coincidence that both motors would stop working at the same time. I have a few other questions, but one at a time. This one is the most pressing.
Thank you.

And are any of you within driving distance of Birmingham AL?
Monday, August 21st, 2023 AT 1:19 PM

3 Replies

Tiny
KEN L
  • MASTER CERTIFIED MECHANIC
  • 55,030 POSTS
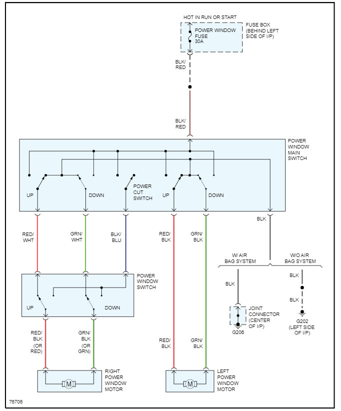
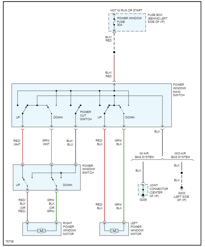
Sorry, we are all over the country but nothing close to Birmingham AL. We need to check for power at the fuse and ground for the system. This guide will help, and I have included the window wiring diagrams so you can see how the system works and which wires to test.

https://www.2carpros.com/articles/how-to-use-a-test-light-circuit-tester

and this guide may help as well:

https://www.2carpros.com/articles/electric-window-repair

Check out the images (below). Please let us know what happens.
Was this
answer
helpful?
Yes
No
Monday, August 21st, 2023 AT 4:24 PM
Tiny
STEVEN BROADWELL
  • MEMBER
  • 2 POSTS
Thank you so much Ken! You have no idea how much it means nowadays when people actually respond. I will follow your links and this weekend see what I can determine, and I will most definitely let you know. She’s a beautiful RX with just “things”... Comes with age! Lol
Was this
answer
helpful?
Yes
No
Monday, August 21st, 2023 AT 5:50 PM
Tiny
KEN L
  • MASTER CERTIFIED MECHANIC
  • 55,030 POSTS
Lol yep! Good luck this weekend, please let me know what happens.
Was this
answer
helpful?
Yes
No
Tuesday, August 22nd, 2023 AT 11:06 AM

Please login or register to post a reply.