Monday, October 1st, 2018 AT 3:43 PM
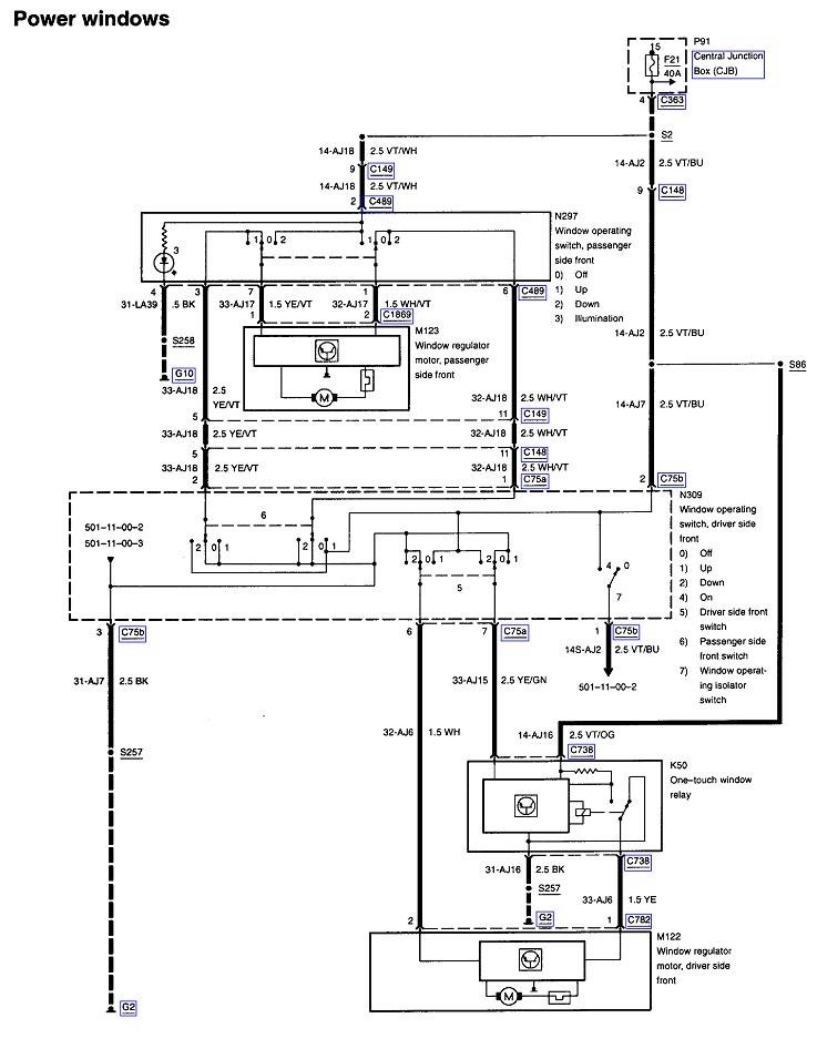
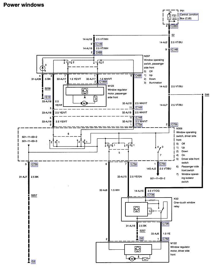
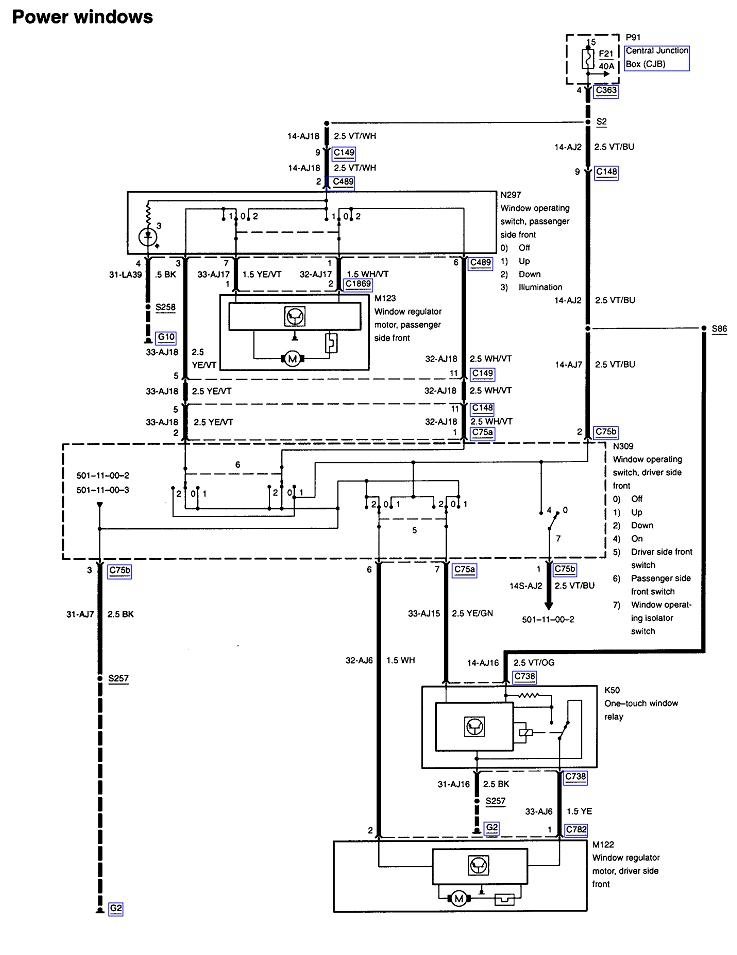
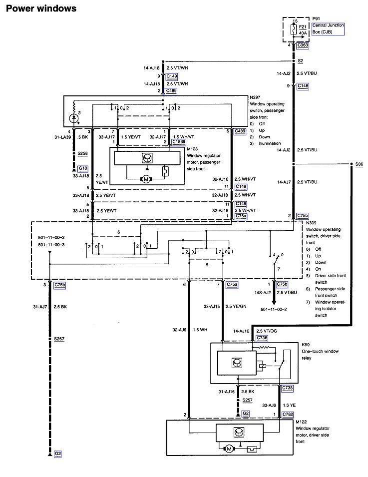
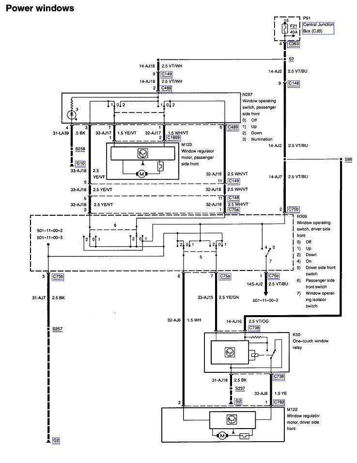
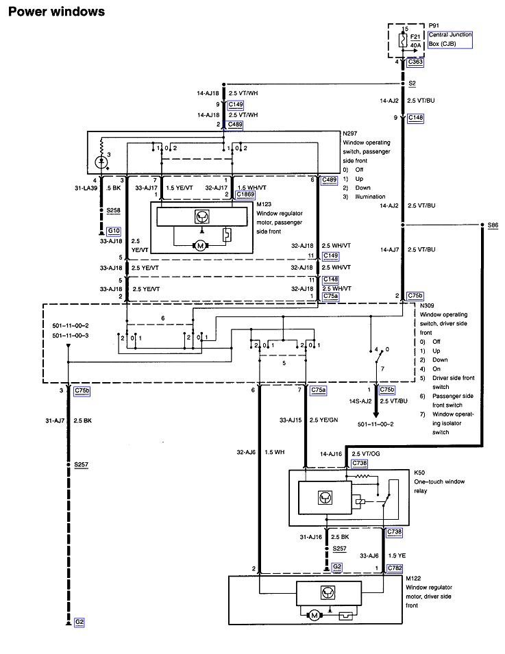
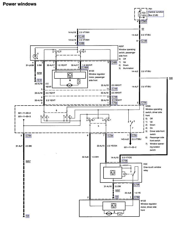
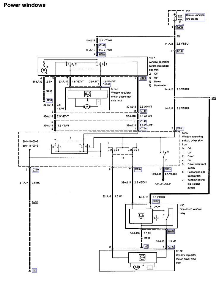
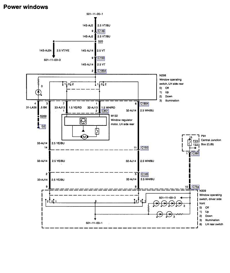
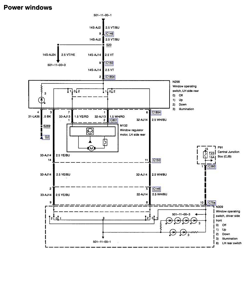
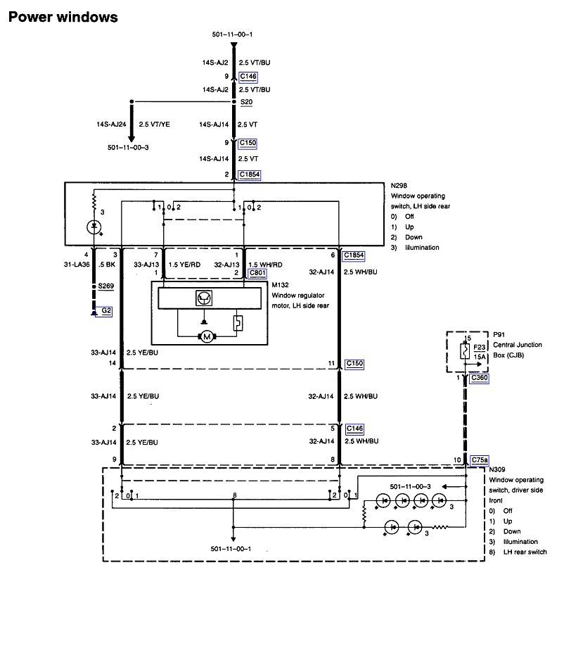
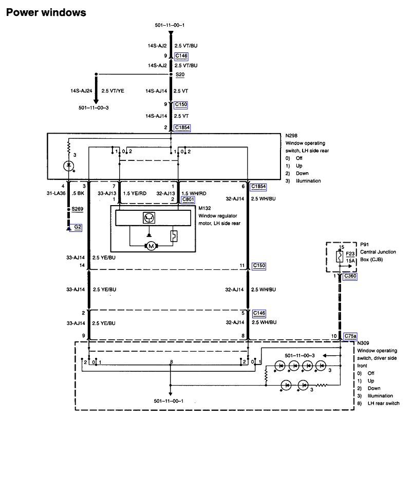
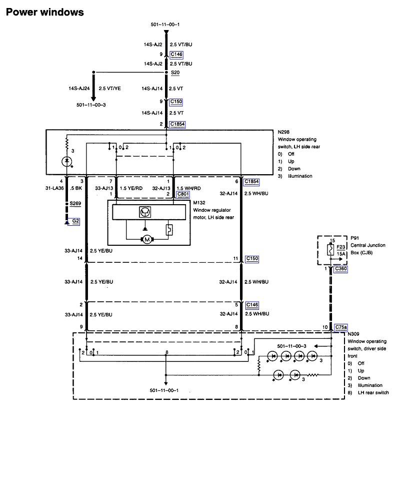
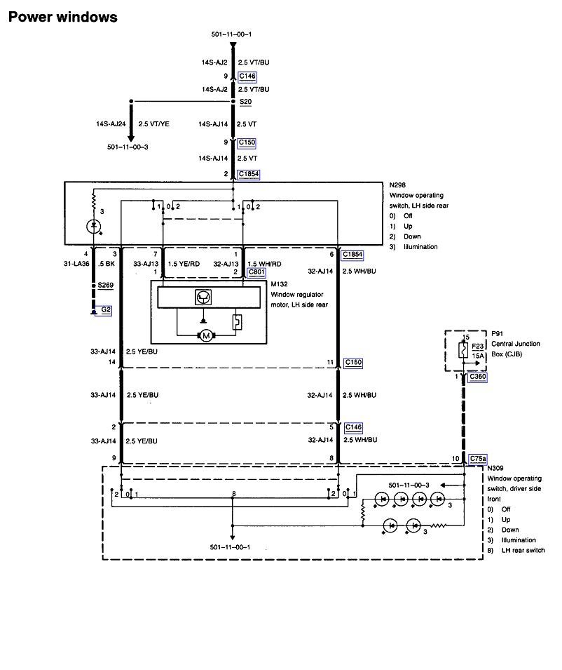
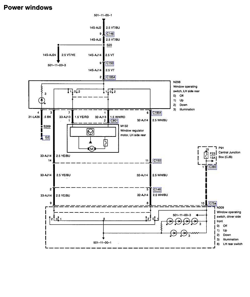
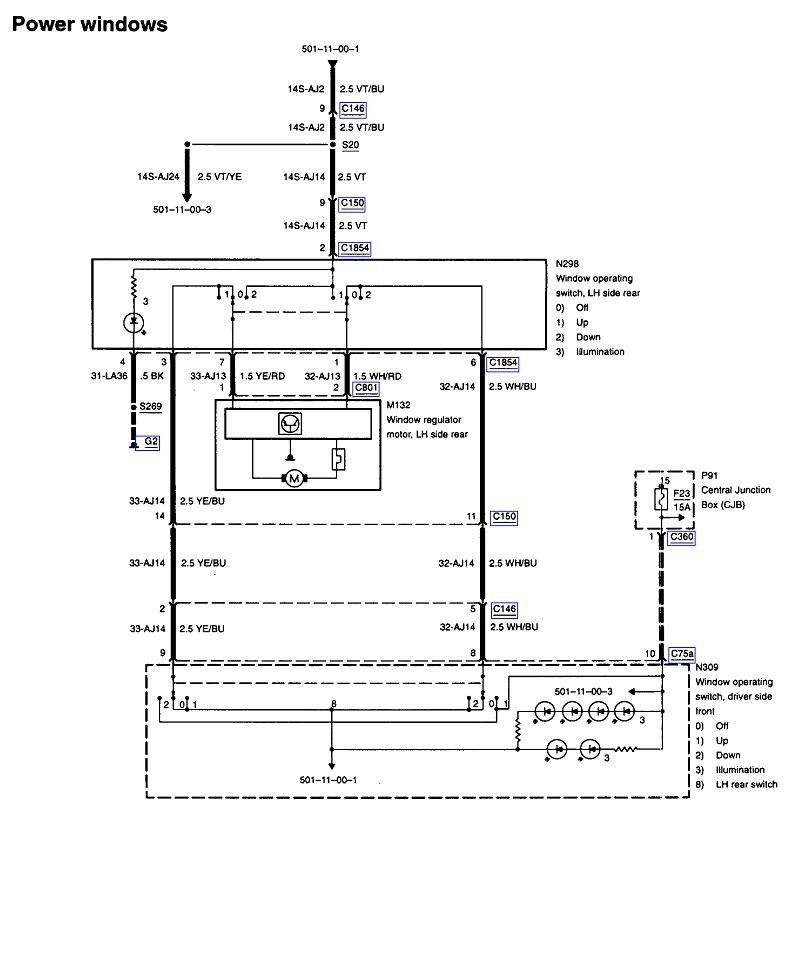
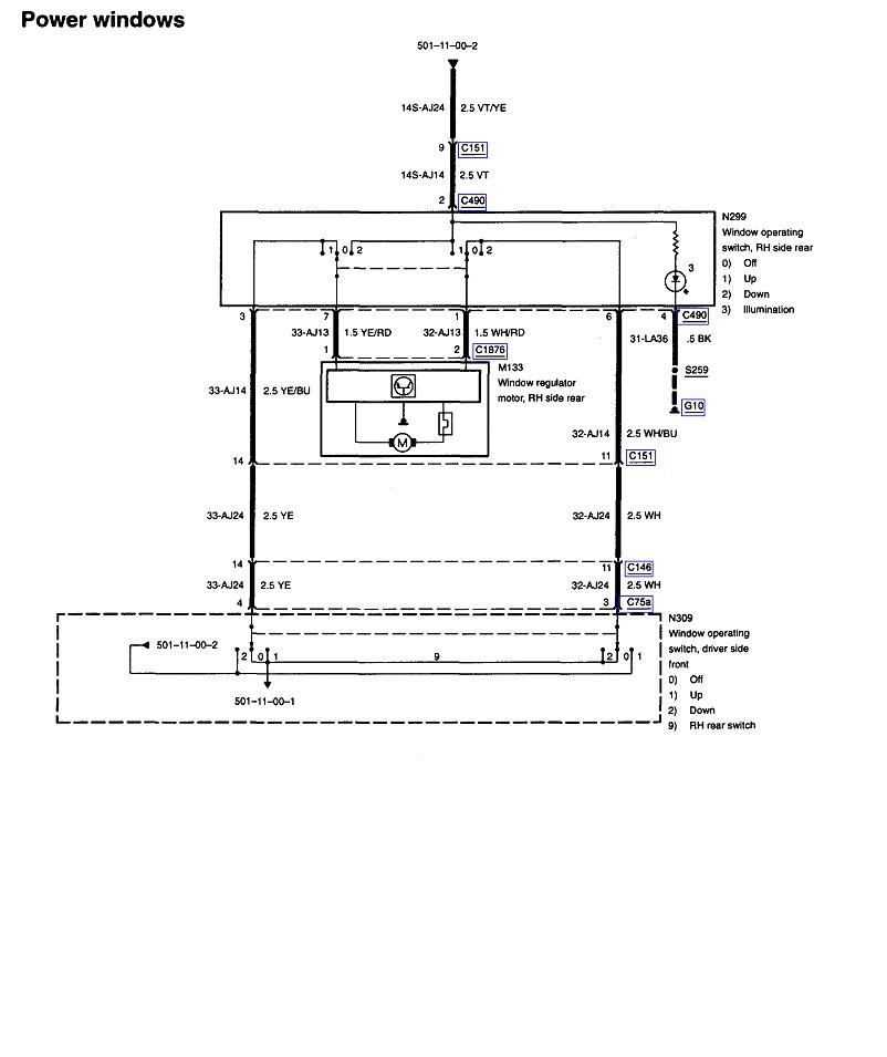
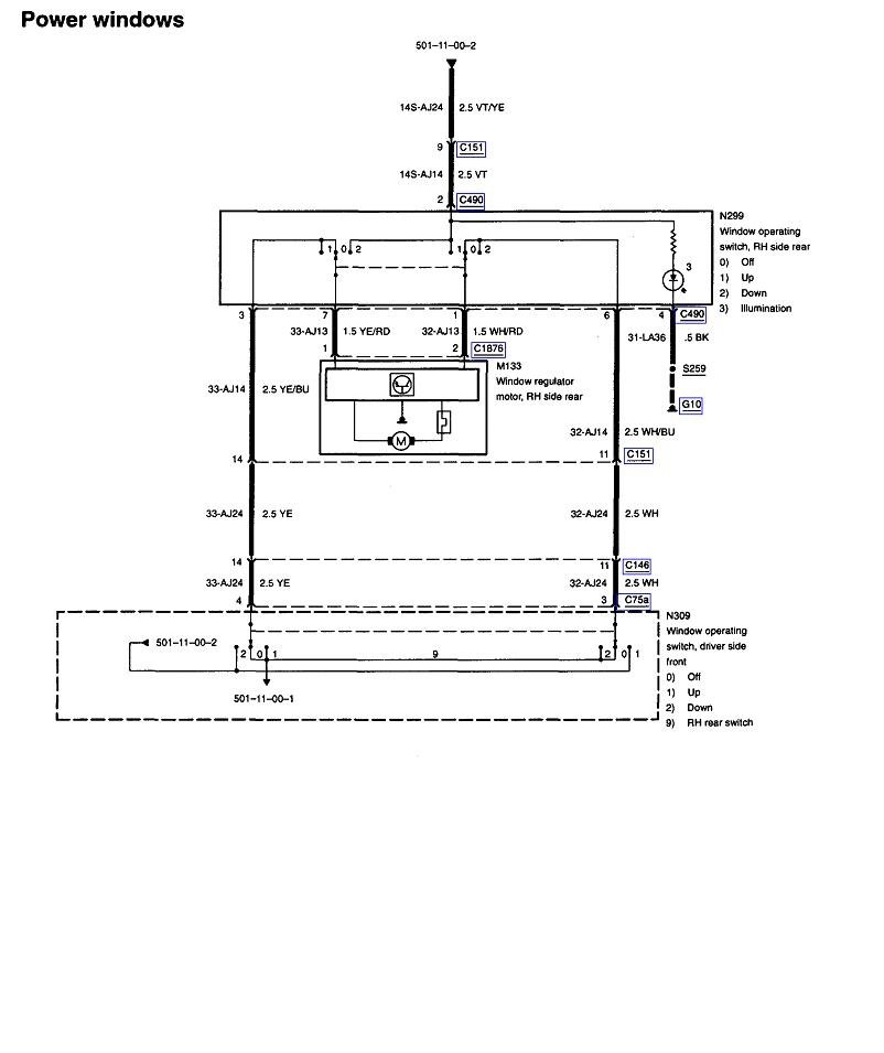
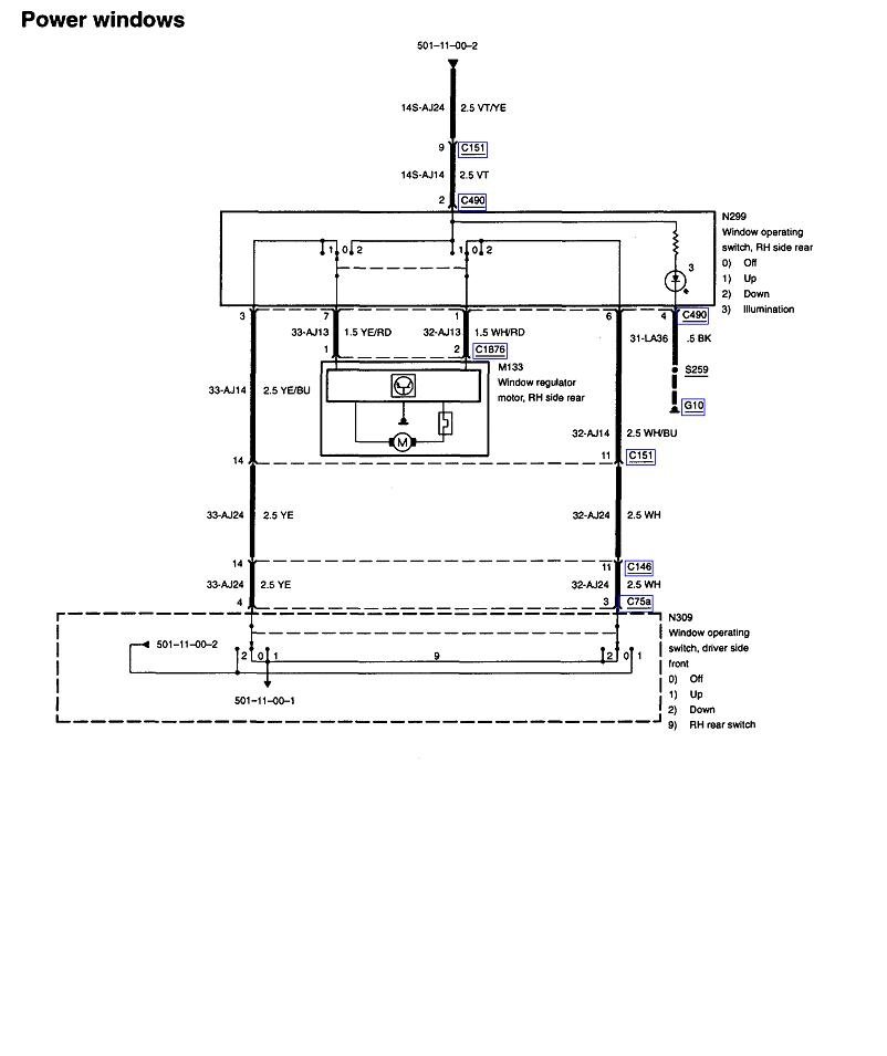
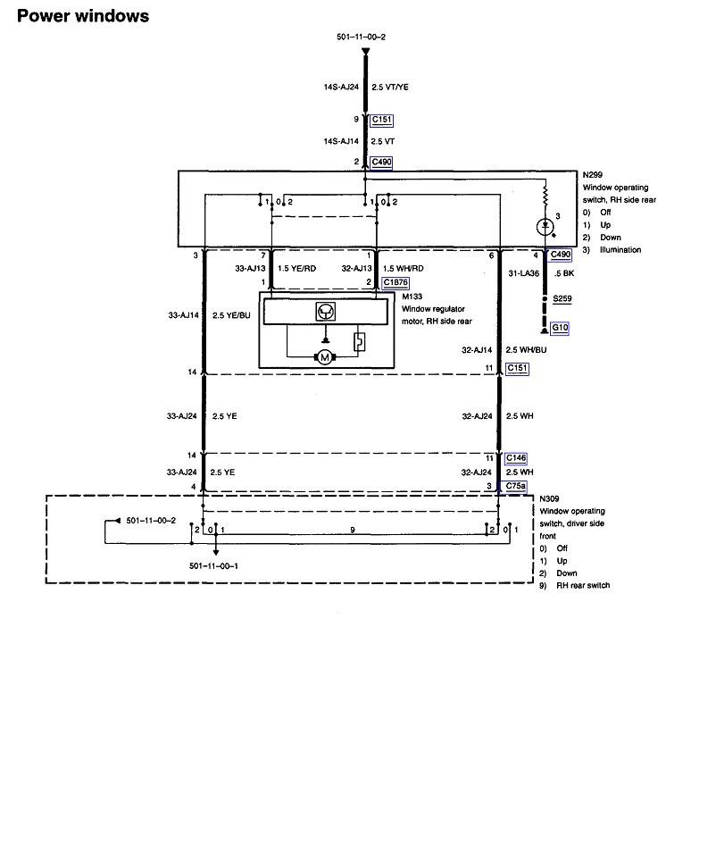
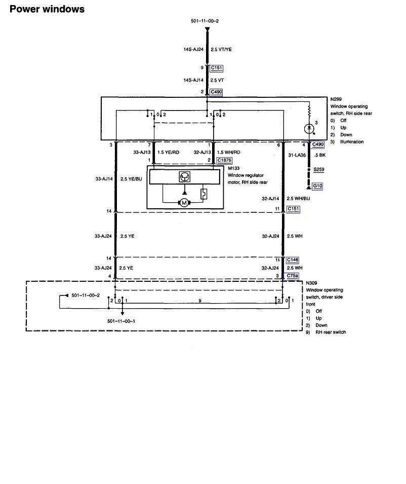
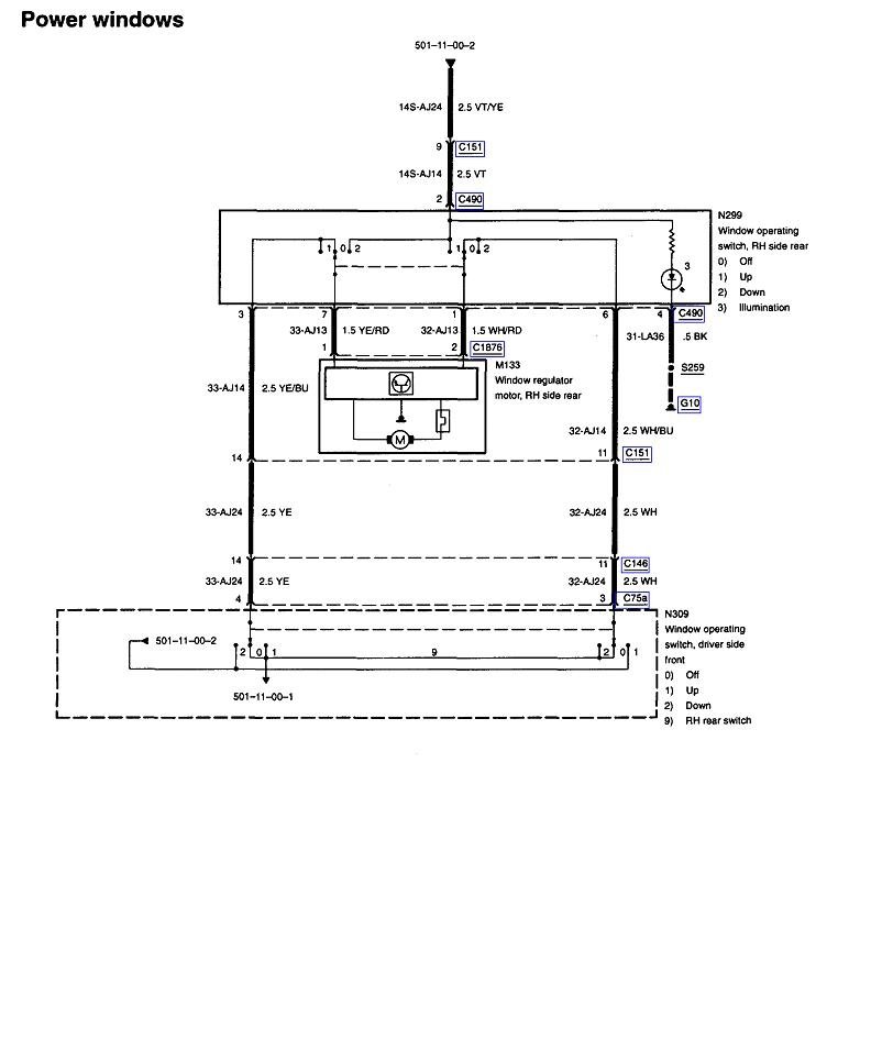
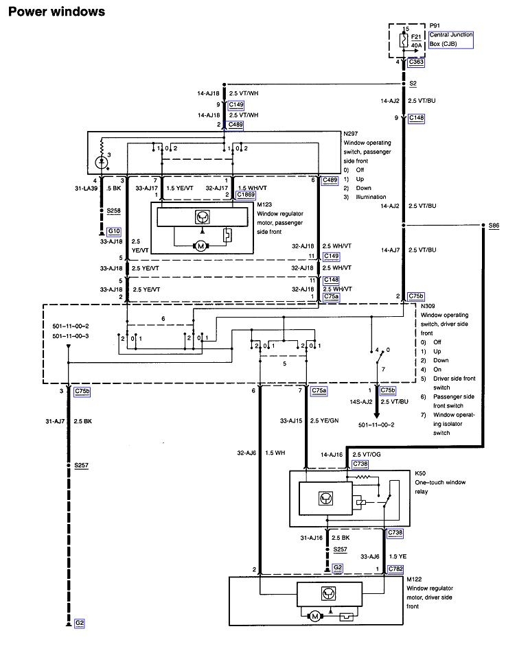
Do you have a power window wiring diagram or can you tell me what color wire is the hot wire on the driver's side. I have a short somewhere and need to at least get the window up. Motor is good.



