Power steering pulley replacement

Tiny
ERIBUSH92
  • MEMBER
  • 2000 FORD ESCORT
  • 4 CYL
  • 2WD
  • MANUAL
  • 175,000 MILES
The power steering pulley fell off and that has not happened before. I want to replace it but need some instructions on what tools to use and how to reinstall a new one.
Monday, July 2nd, 2018 AT 5:47 AM

3 Replies

Tiny
ASEMASTER6371
  • MECHANIC
  • 52,796 POSTS
Good morning.

Instructions below.

Roy

Removal

imageZoom/Print

1. Disconnect the battery ground cable.
2. Remove the power steering pump reservoir.

ImageZoom/Print

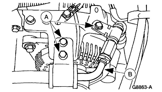
3. Remove the (A) bolts and position the (B) power steering pressure hose aside.

ImageZoom/Print

4. Remove the (A) bolts and position the (B) power steering pressure hose support bracket aside.

ImageZoom/Print

5. Rotate the (A) drive belt tensioner to release the tension and remove the (B) drive belt.

ImageZoom/Print

6. Remove the (A) generator bolts and position the (B) generator (GEN) aside.

ImageZoom/Print

7. Use (A) Strap Wrench to remove the (B) pulley bolts.
8. Remove the power steering pump pulley.

Installation
Was this
answer
helpful?
Yes
No
+1
Monday, July 2nd, 2018 AT 6:22 AM
Tiny
ERIBUSH92
  • MEMBER
  • 2 POSTS
Thank you for the quick response. I will let you know how it goes.
Was this
answer
helpful?
Yes
No
Monday, July 2nd, 2018 AT 6:53 AM
Tiny
ASEMASTER6371
  • MECHANIC
  • 52,796 POSTS
Feel free to ask any follow up questions.

Roy
Was this
answer
helpful?
Yes
No
Monday, July 2nd, 2018 AT 7:00 AM

Please login or register to post a reply.