Monday, April 29th, 2019 AT 8:30 AM
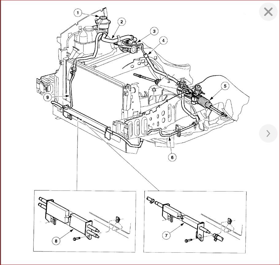
I have the van listed above LX model. I am having power steering issues. I just replaced the pump, pulley and pressure line. Noticed a new leak on the opposite side, fluid pours out. I think I knocked something loose when I put the van back down. I was wondering if there is a diagram I could see to know what I am looking for.






