Saturday, October 20th, 2018 AT 3:00 AM
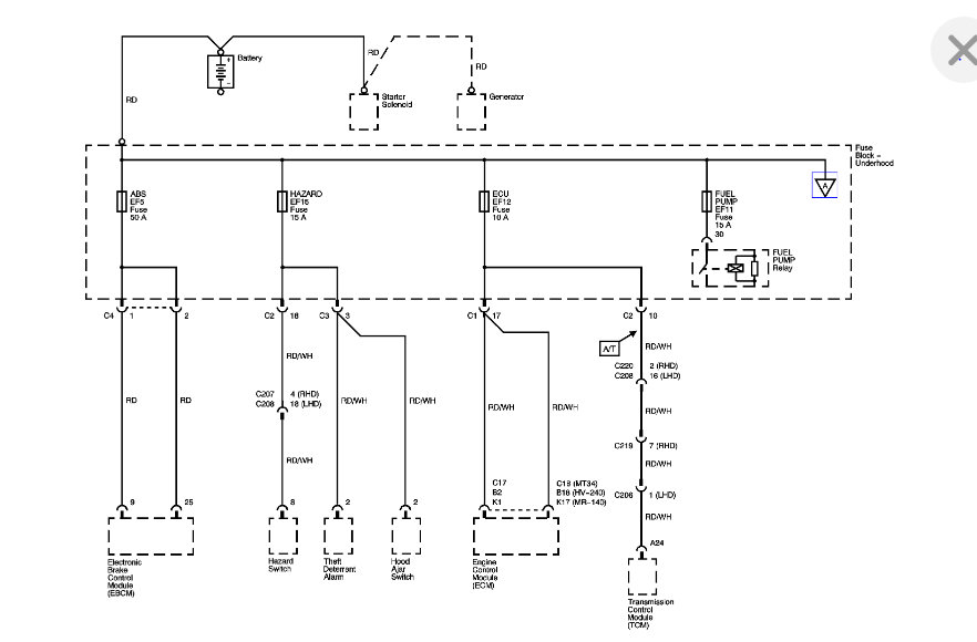
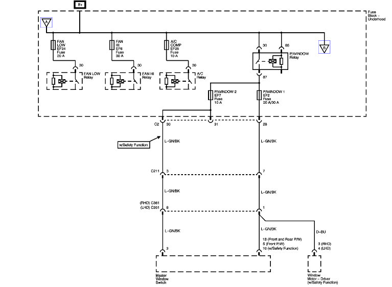
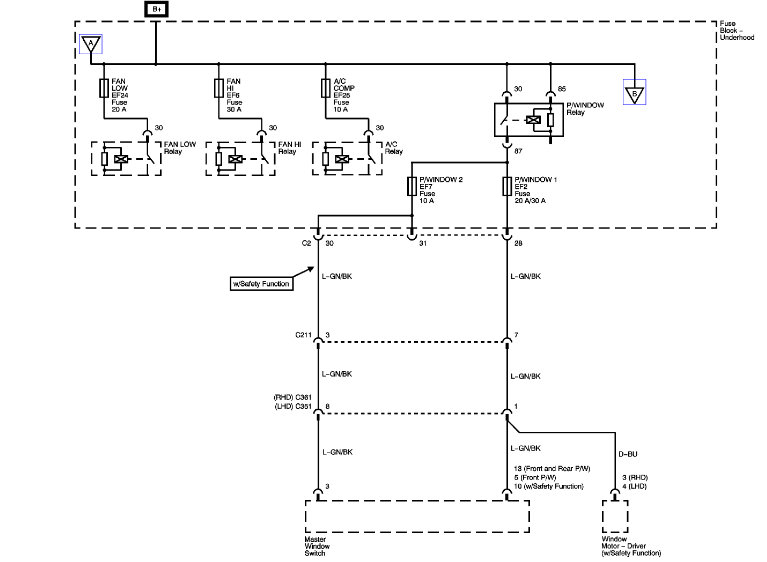
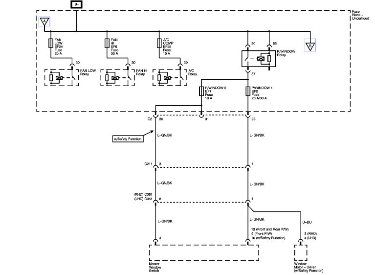
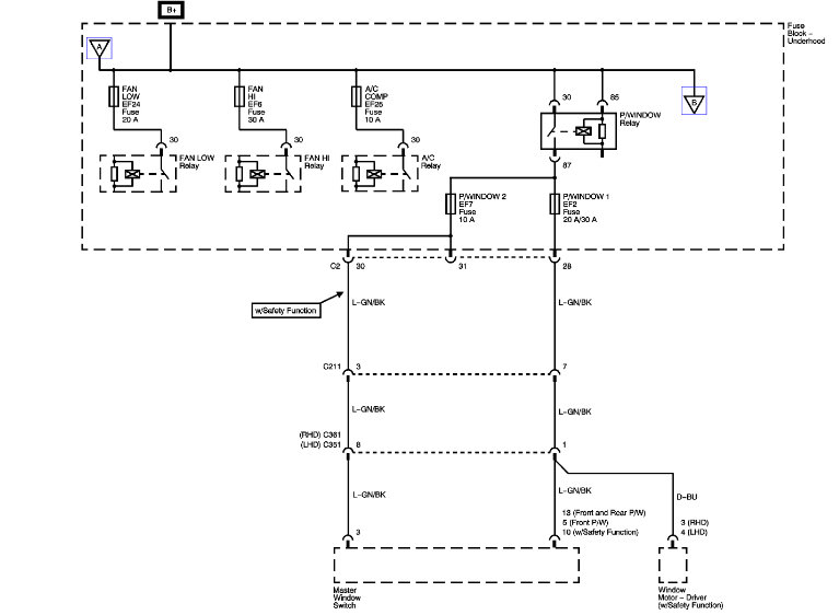
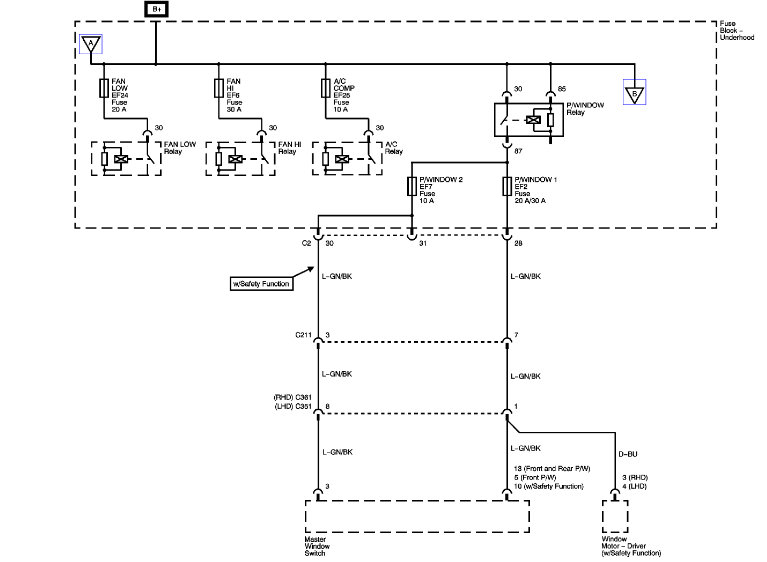
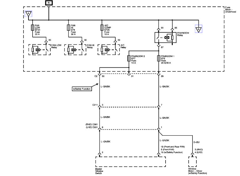
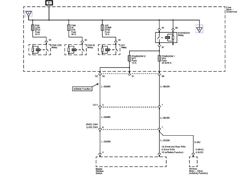
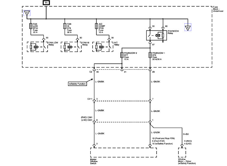
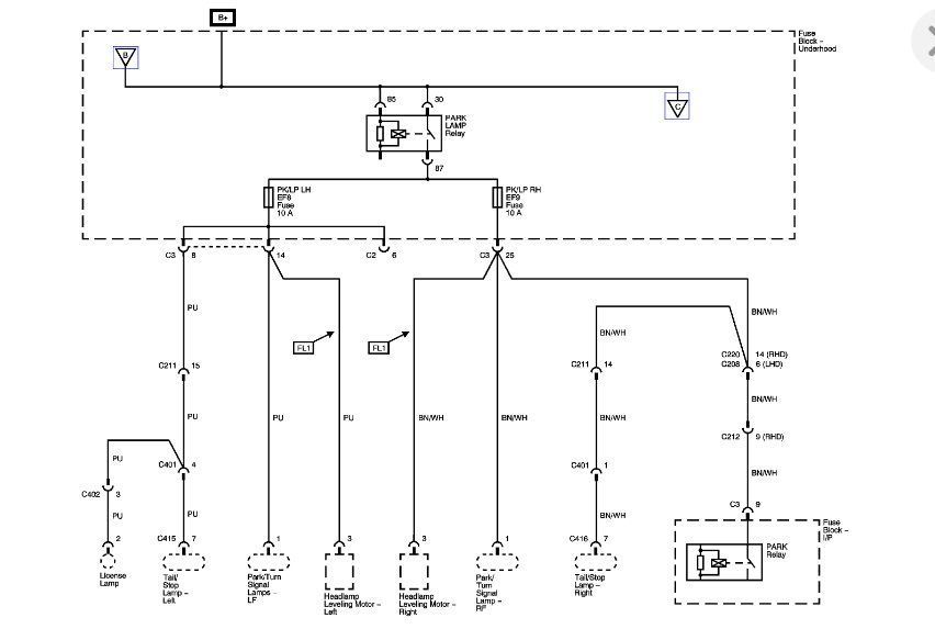
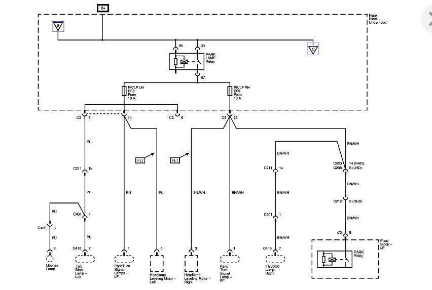
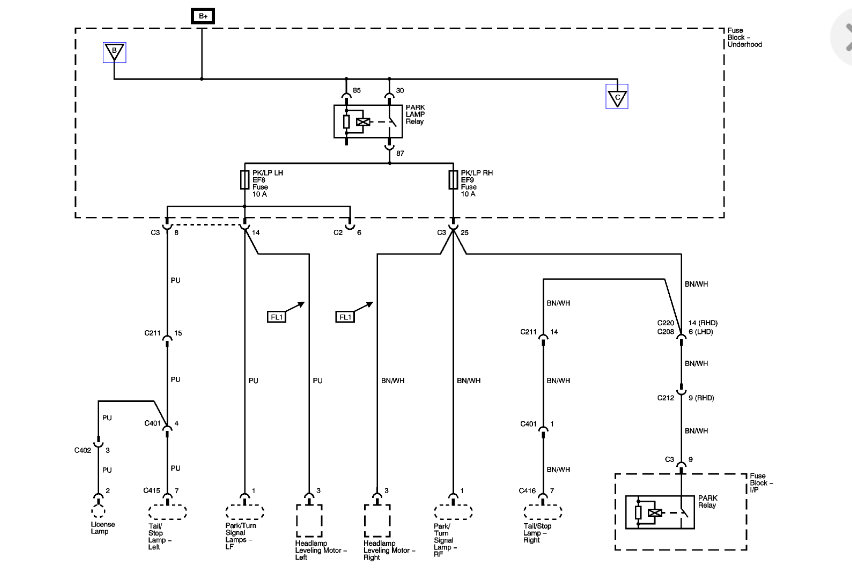
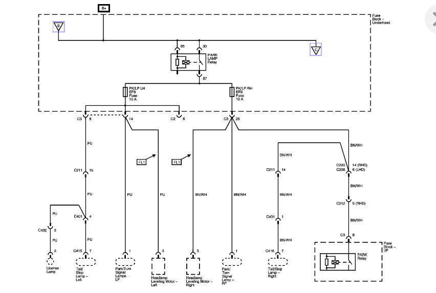
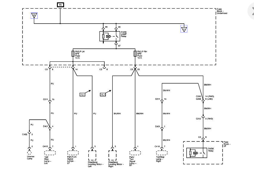
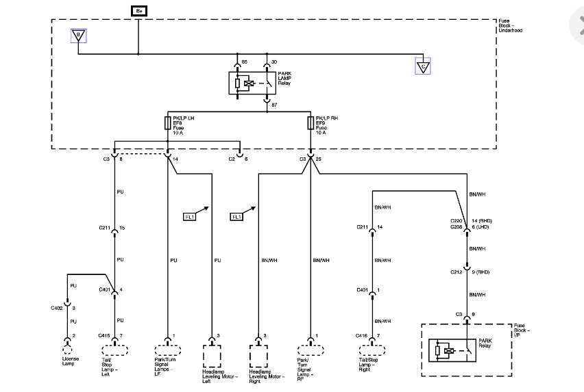
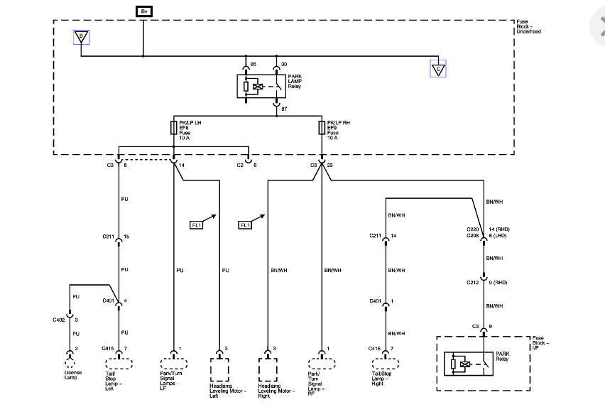
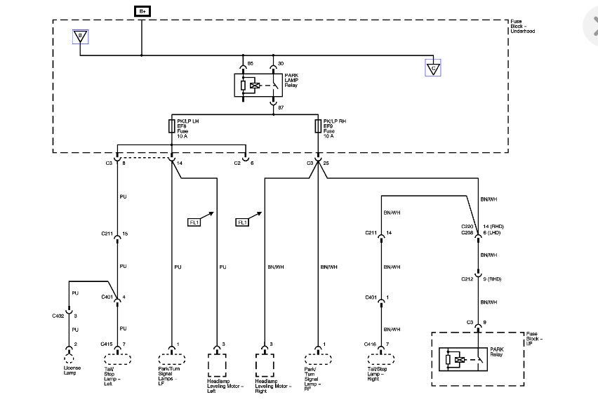
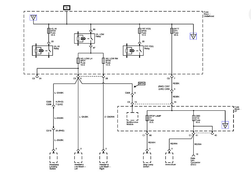
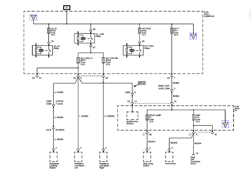
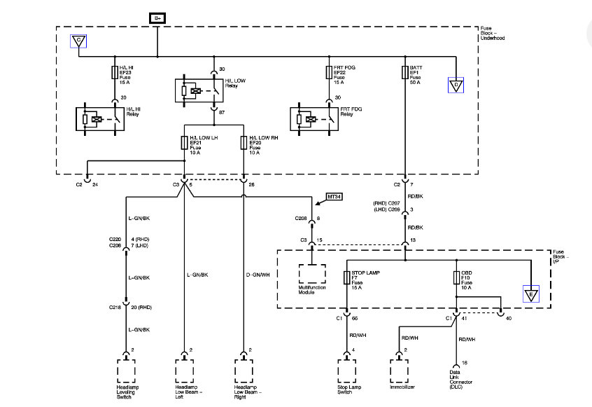
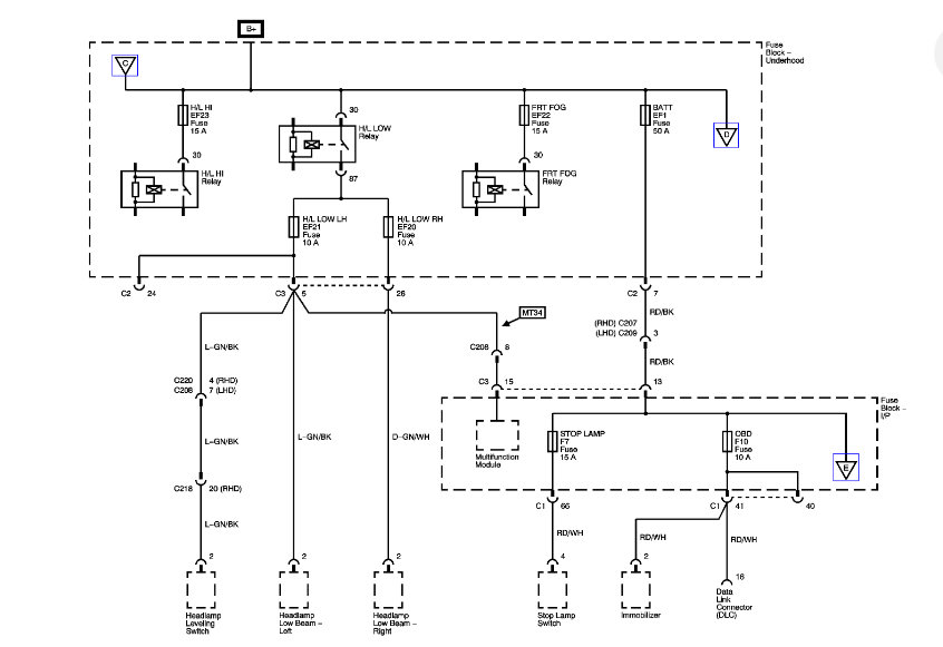
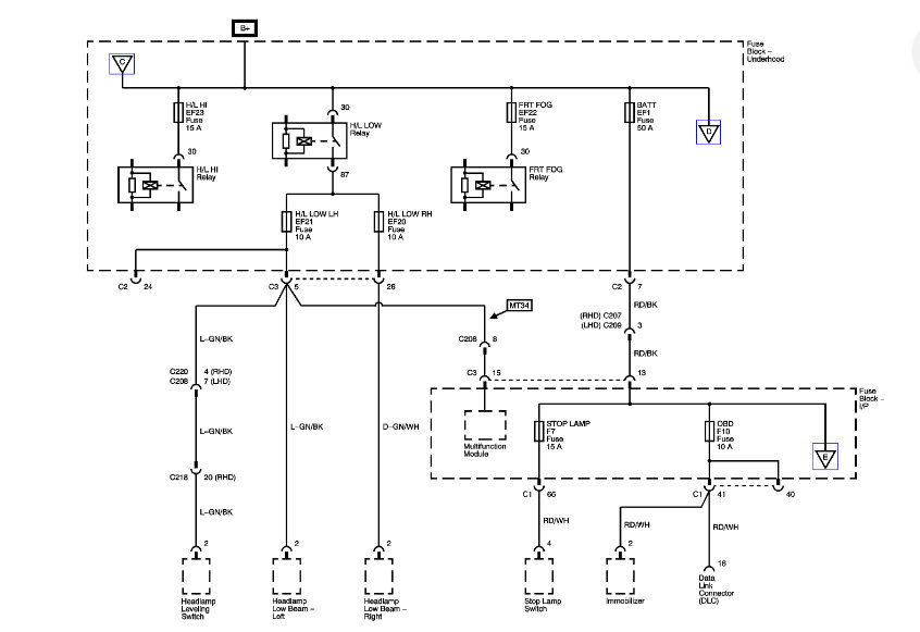
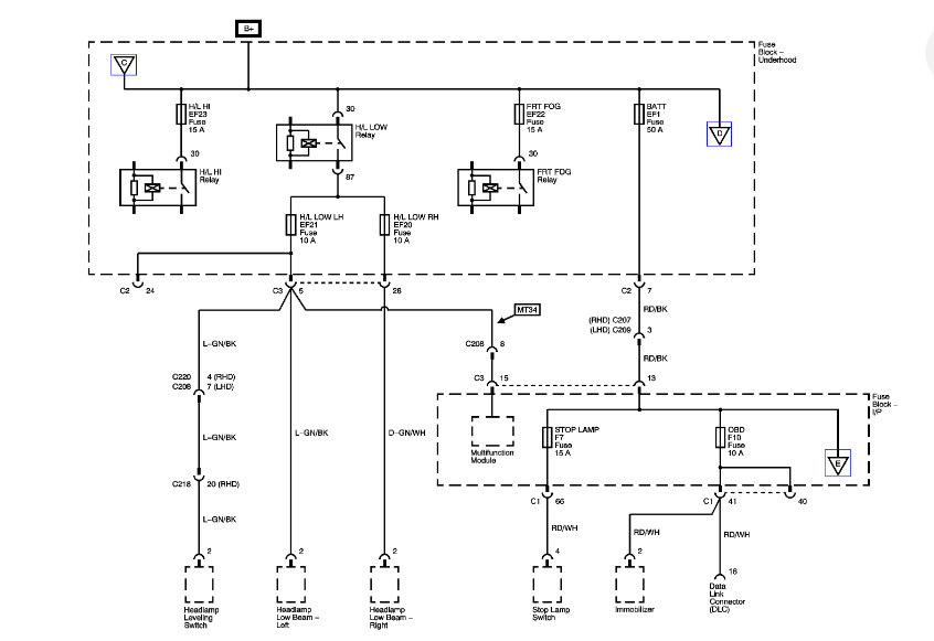
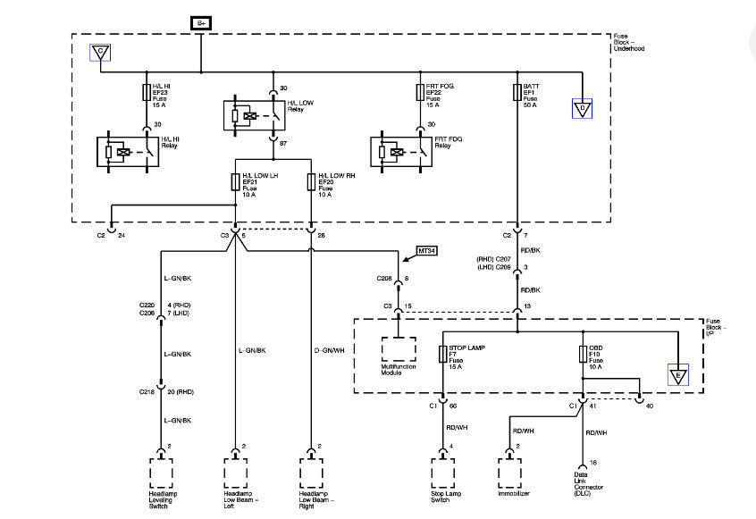
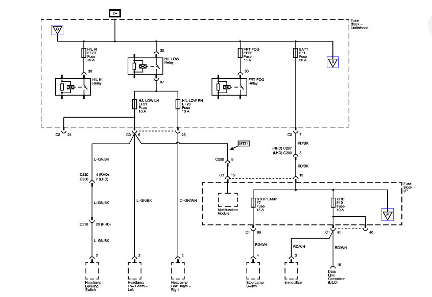
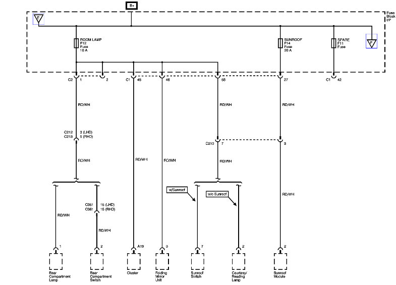
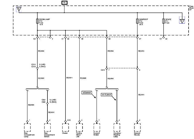
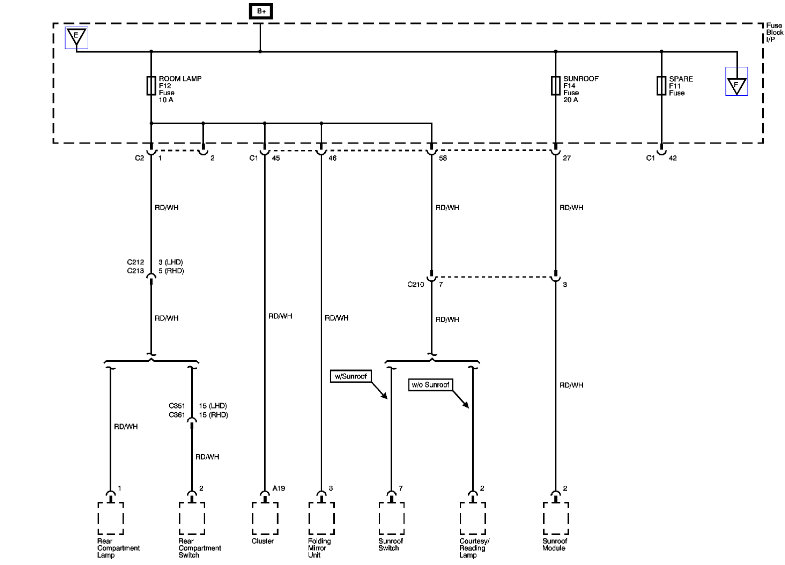
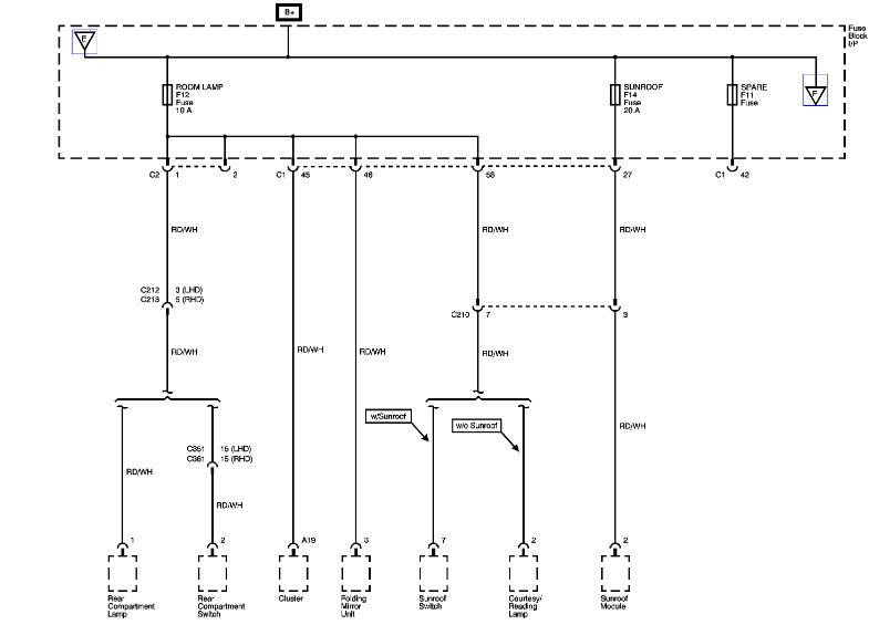
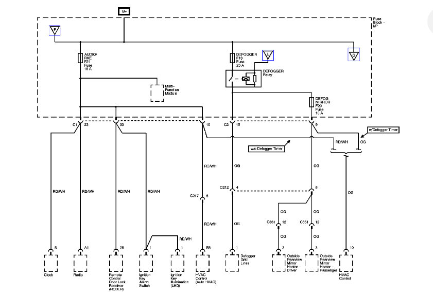
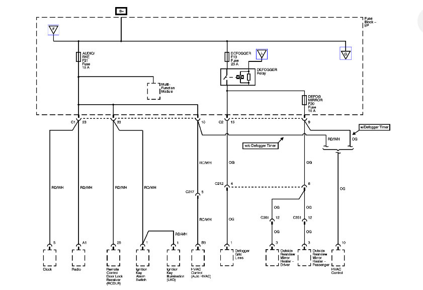
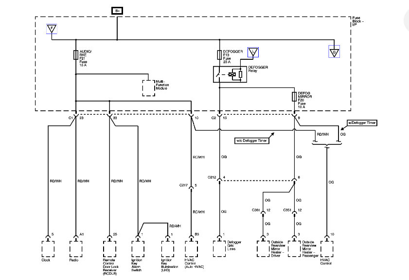
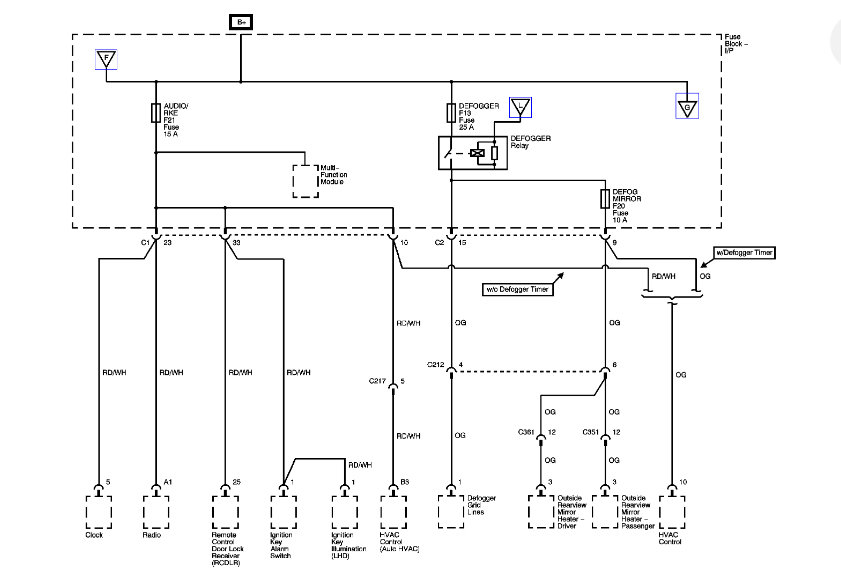
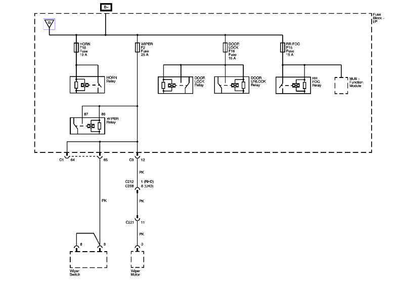
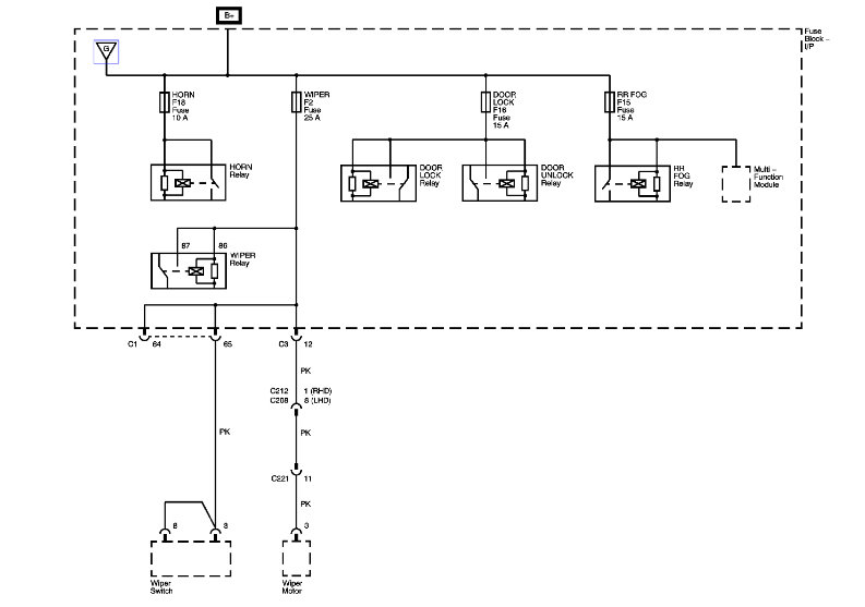
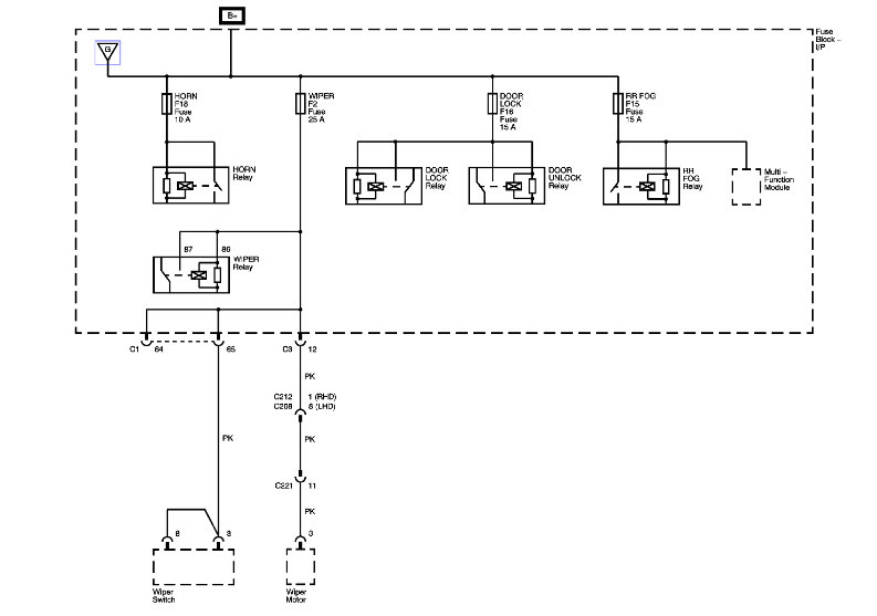
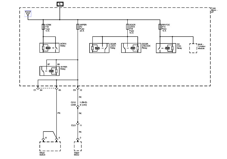
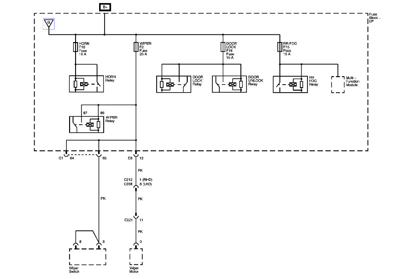
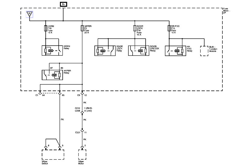
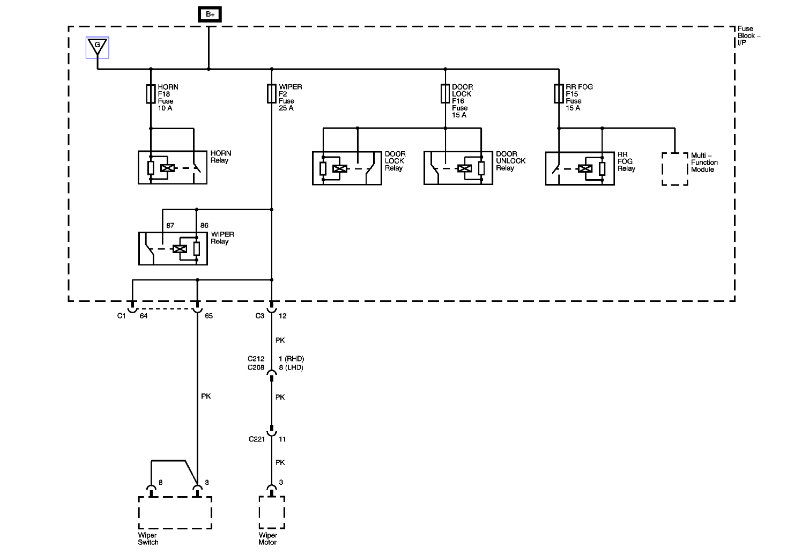
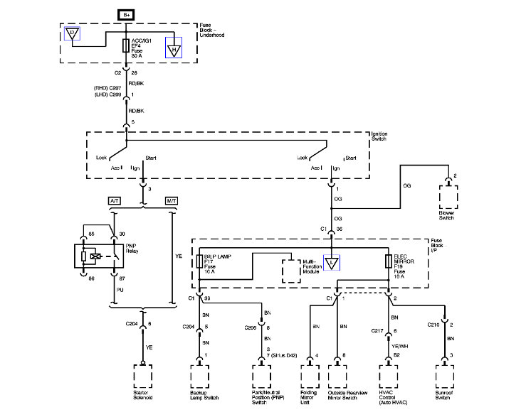
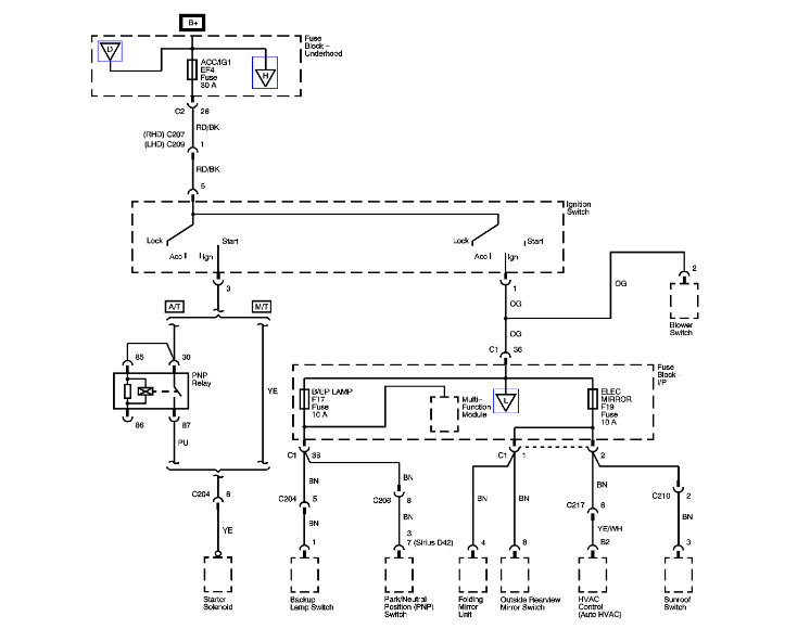
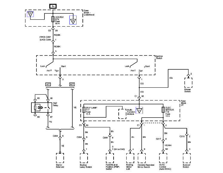
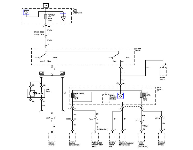
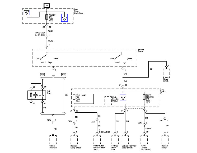
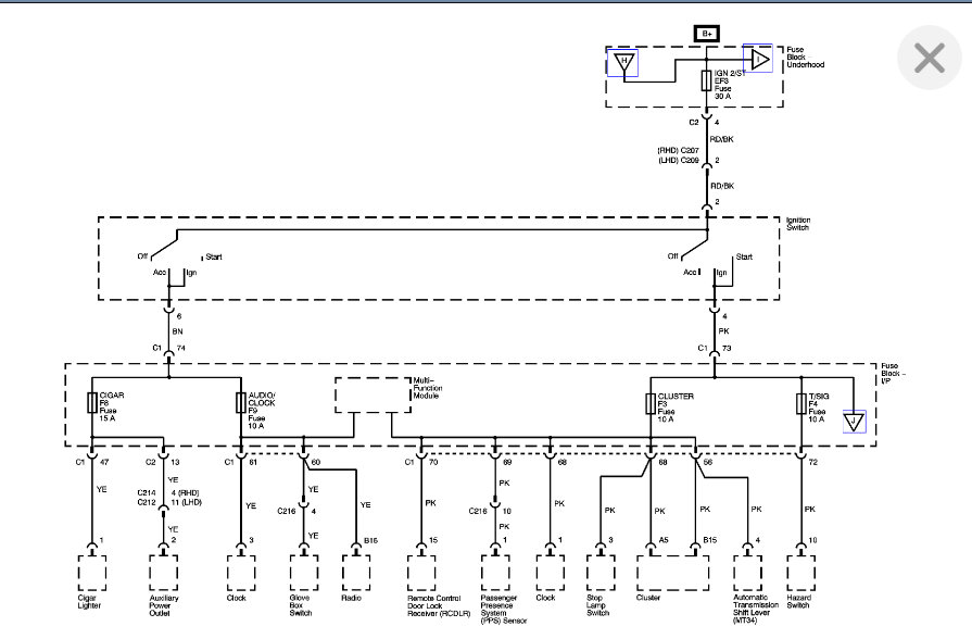
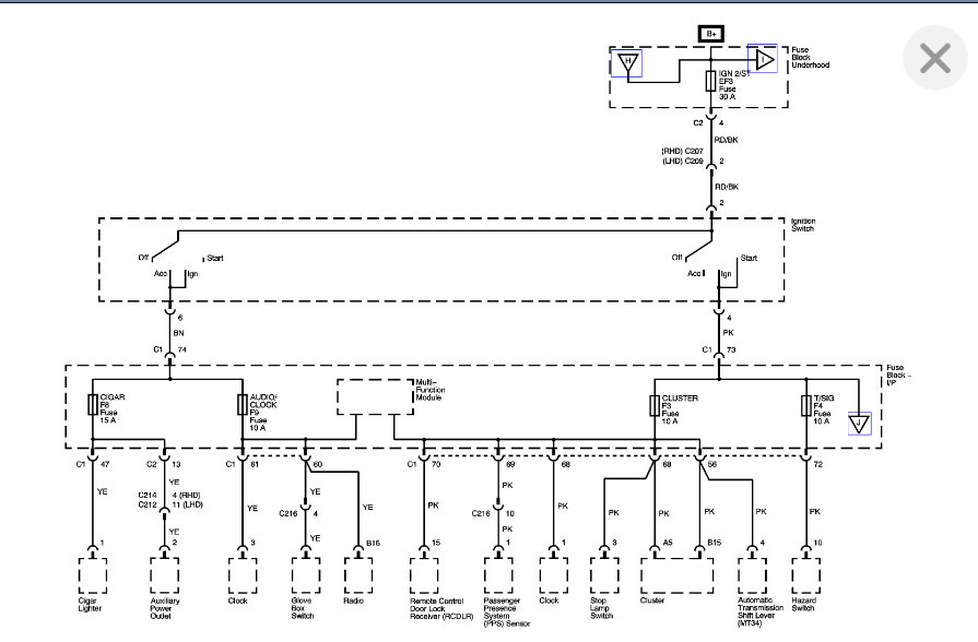
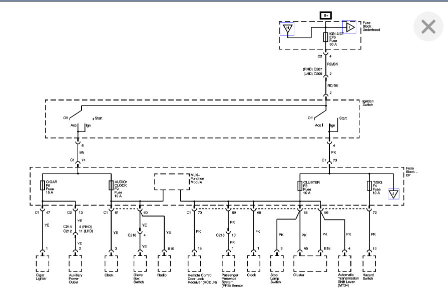
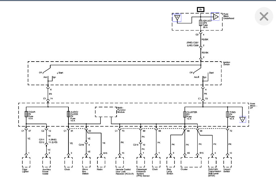
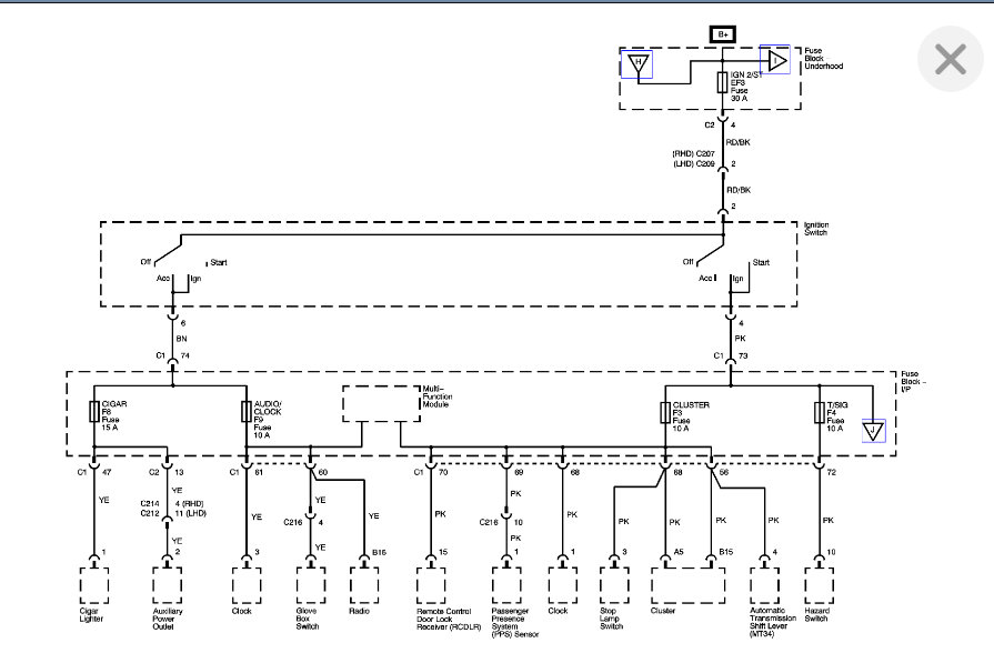
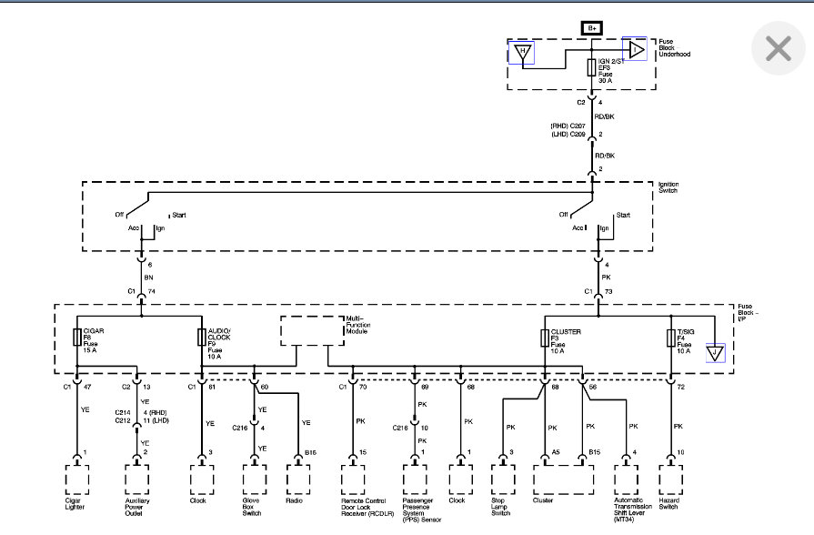
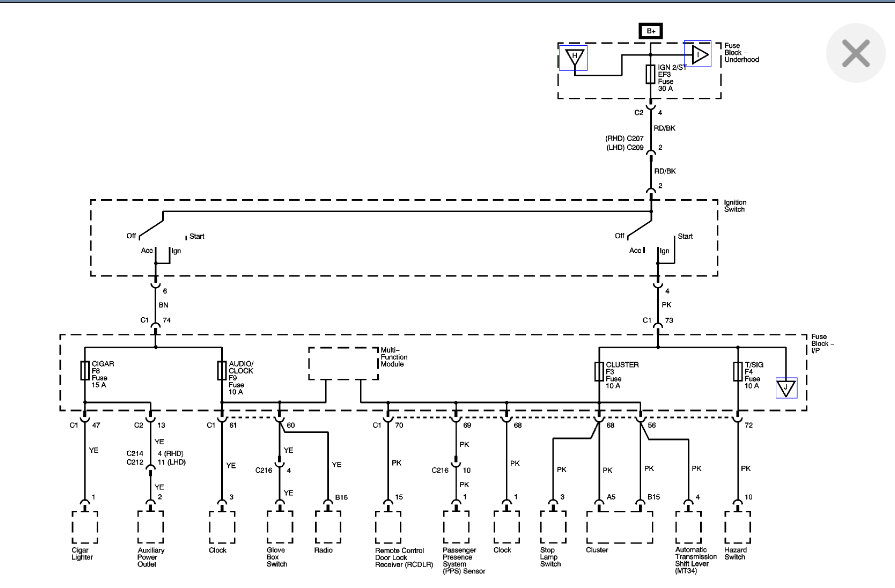
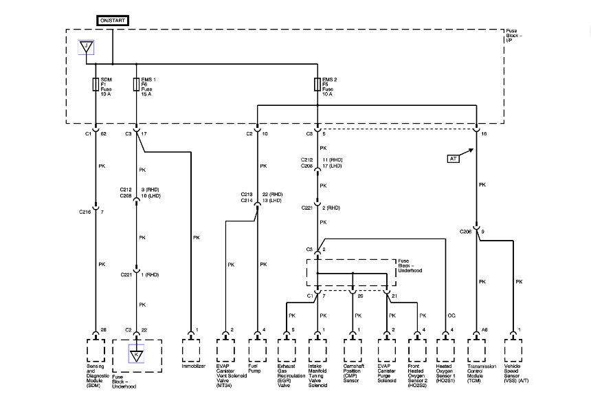
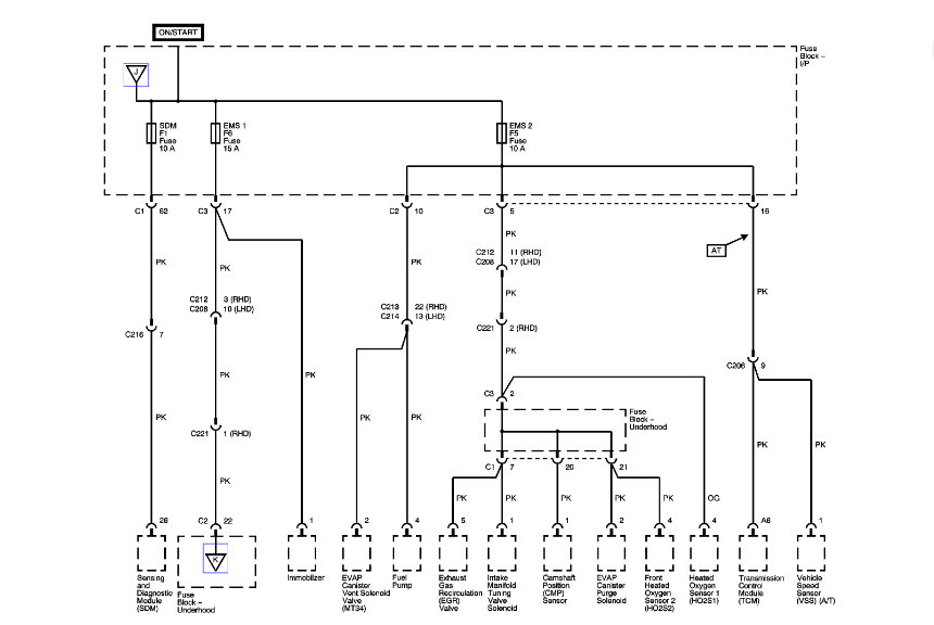
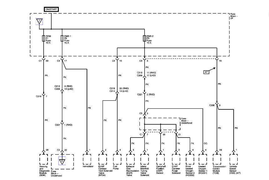
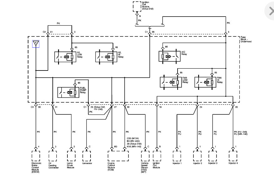
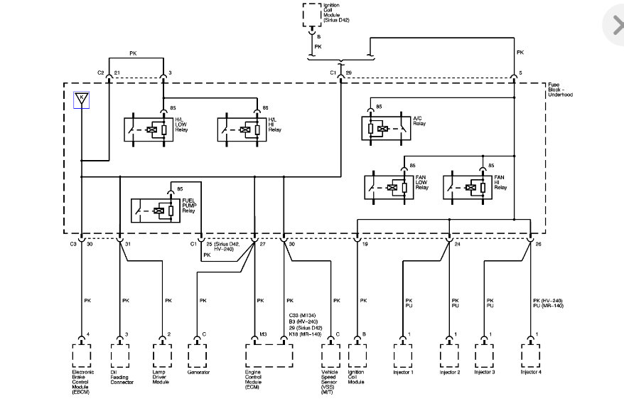
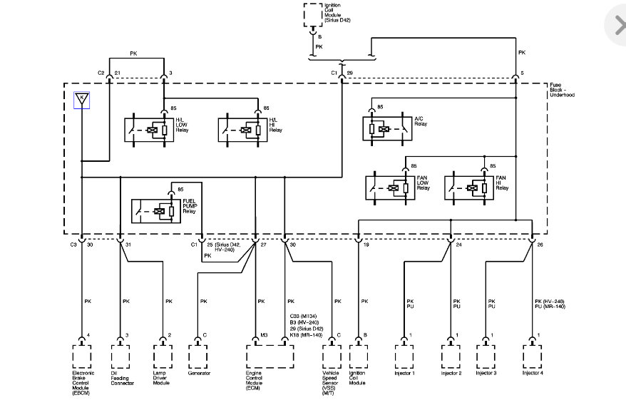
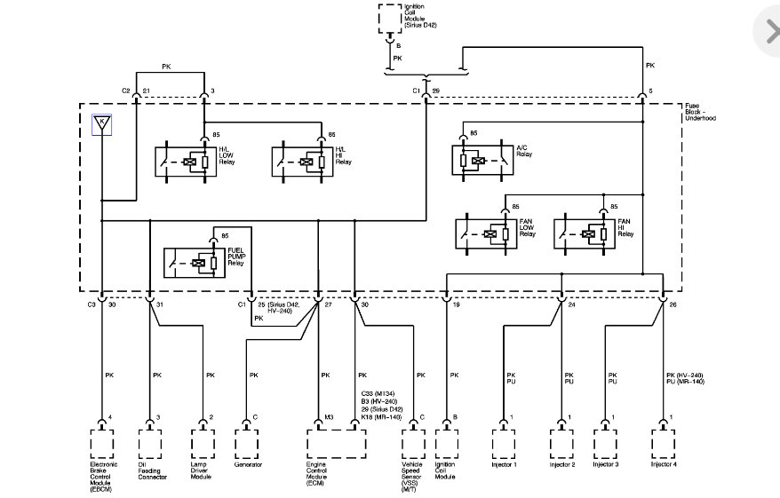
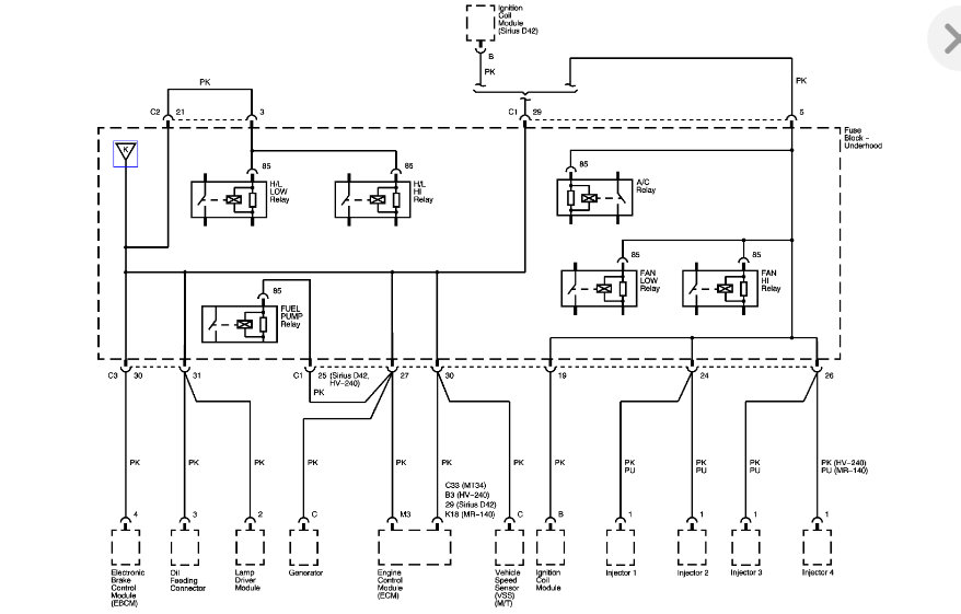
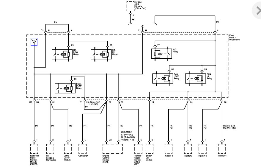
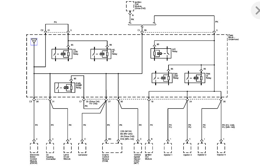
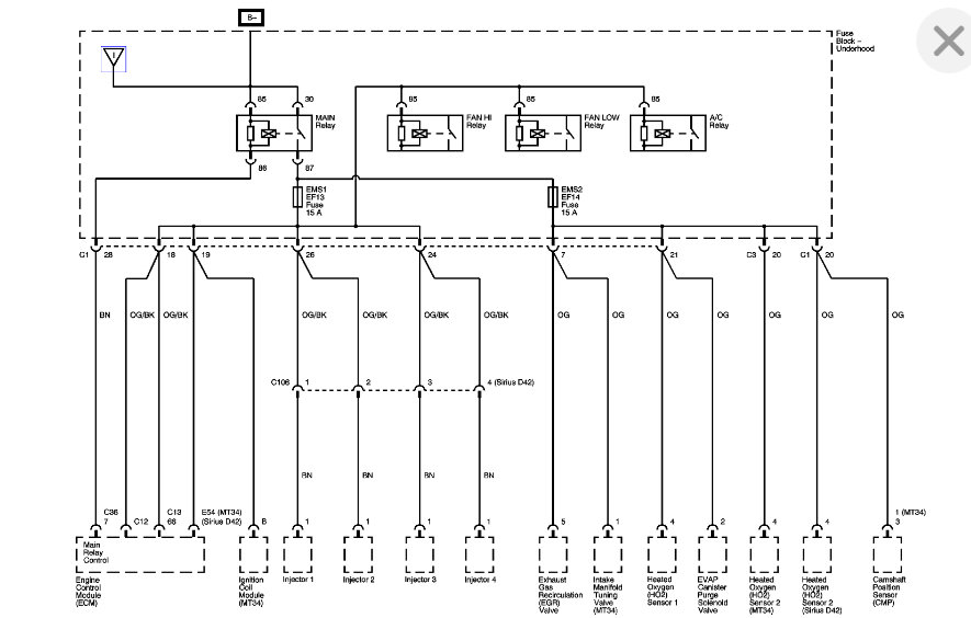
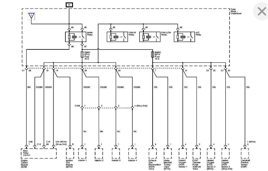
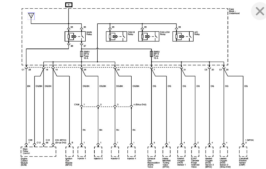
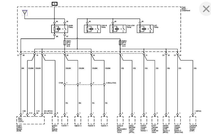
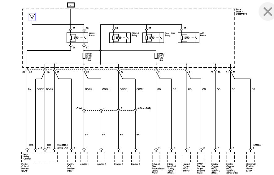
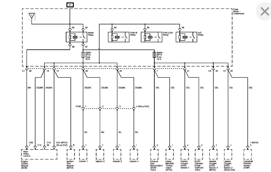
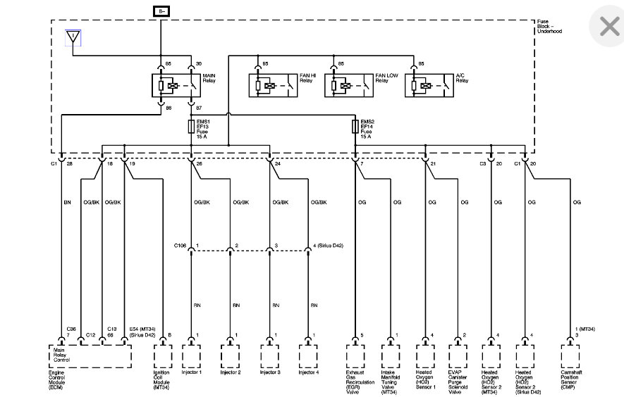
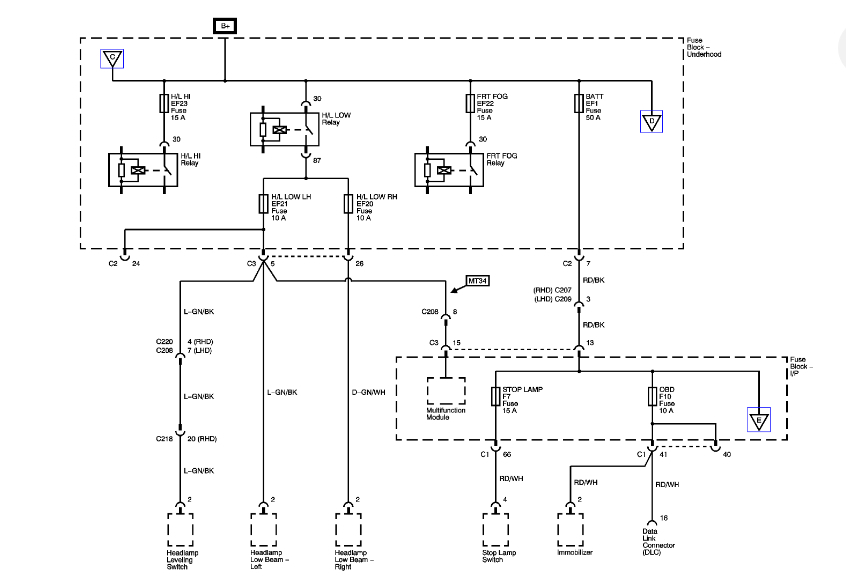
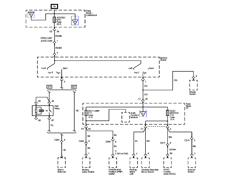
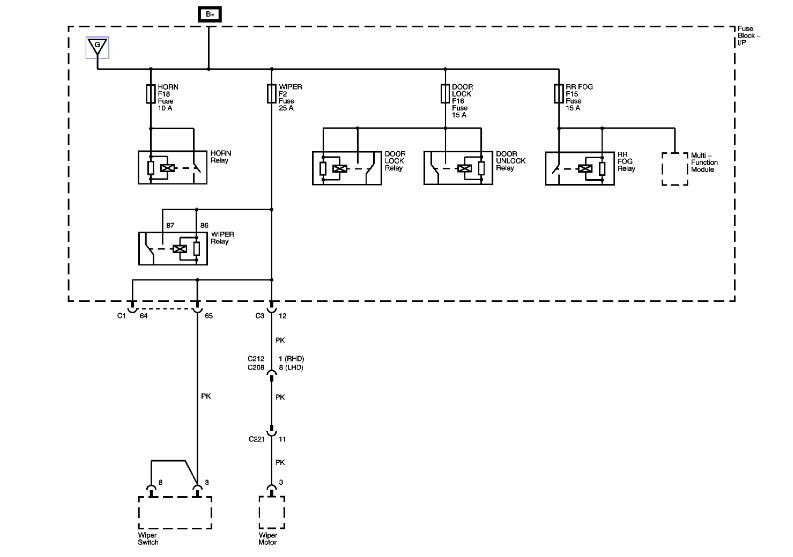
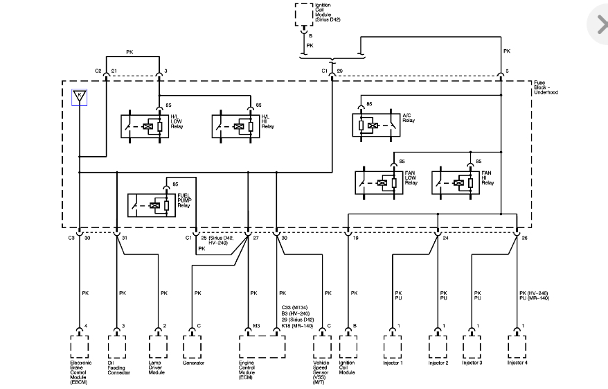
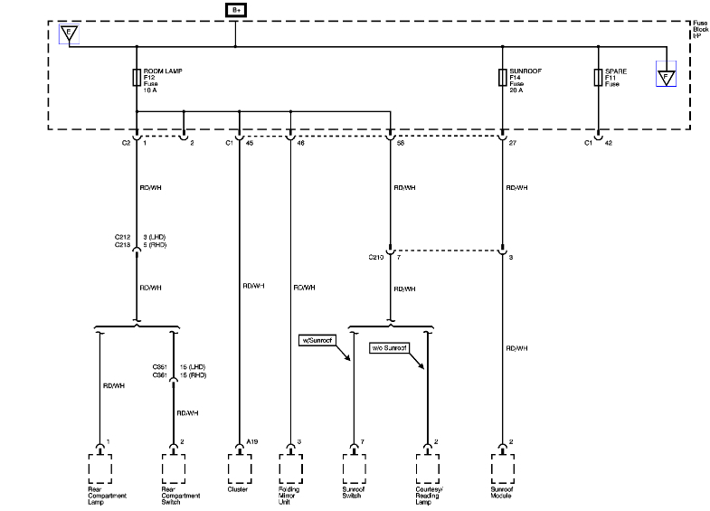
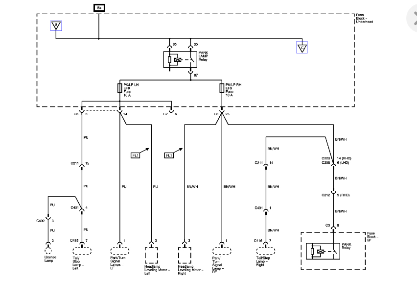
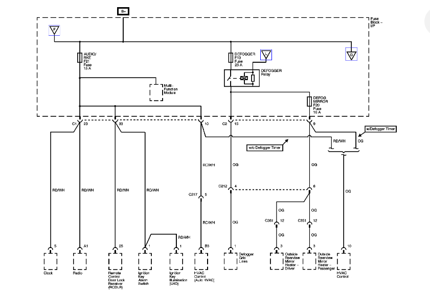
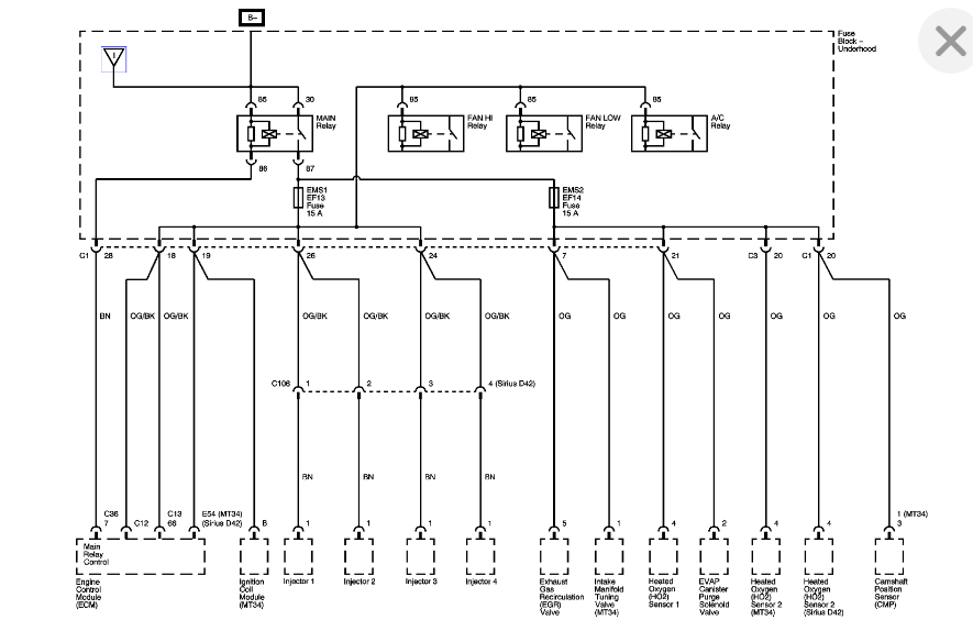
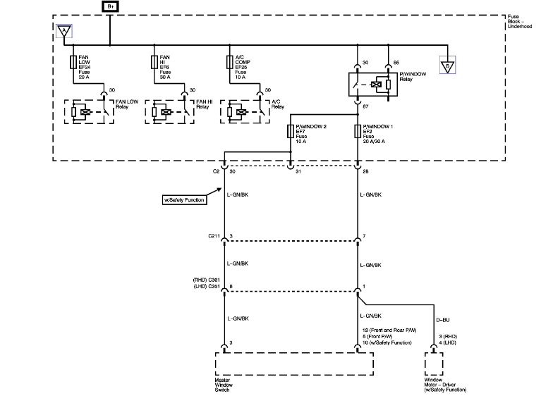
I need a wiring diagram, and the color of wires for my car specifically the wore connector box with puns and the pin diagram, so I know where and what is placed where in the connector itself. Please I have looked all over and cannot find one that matches mine.






















