After attempting to install a stereo drivers side door window button, tailgate button and vent windows all stopped working?

Tiny
JENNIFERKREISA36
  • MEMBER
  • 2003 LINCOLN NAVIGATOR
  • 189,000 MILES
Someone tried to install a stereo in my vehicle listed above now my drivers side door window button does not work, my tailgate button doesn't work, and my vent windows don't open.
Wednesday, September 22nd, 2021 AT 3:35 PM

1 Reply

Tiny
JACOBANDNICKOLAS
  • MECHANIC
  • 110,194 POSTS
Hi,

When you say the tailgate button doesn't work, are you referring to a liftgate glass release, an automatic rear latch opener, or the lock?

I'm asking because it makes a difference where power comes from.

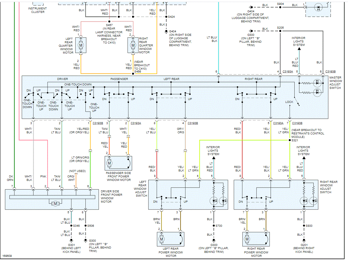
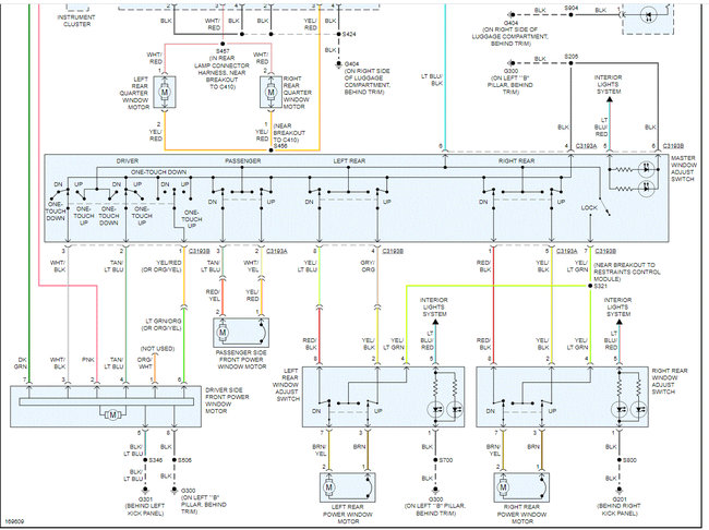
I attached the wiring schematic for the windows below. The first thing I suggest is to check the fuses responsible for the power windows. In addition to checking the fuses, you will need to confirm there is power to and from the fuse. Here is a link showing how it's done:

https://www.2carpros.com/articles/ignition-switch-wont-turn-stuck

If you look at pics 1 and 2, they provide the schematic. I had to cut the one page in half to make it readable for you. I did overlap the two so you can follow from one to the next.

If you look at pic 3, I highlighted the two fuses to be checked. This is the central junction box. Pic 4 shows its location.

Let me know if this helps or if you have other questions. Also, let me know if the person was only working at the dash (front) of the vehicle.

Take care,

Joe

See pics below.

Was this
answer
helpful?
Yes
No
Wednesday, September 22nd, 2021 AT 6:32 PM

Please login or register to post a reply.