When I turn switch to headlights, dash and headlights do not work, possible short

Tiny
HOGLESHANNA
  • MEMBER
  • 2004 FORD TAURUS
  • 108,000 MILES
When I turn headlights on, dash lights don't come on. If I turn on parking lights, dash light works but no lights. That's how it started. Now, when I turn switch to headlights, dash and headlights don't work. I hit a bump, headlights may come back on. Where can I find out if there is a short?
Friday, January 24th, 2020 AT 9:35 AM

1 Reply

Tiny
KASEKENNY
  • MECHANIC
  • 18,907 POSTS
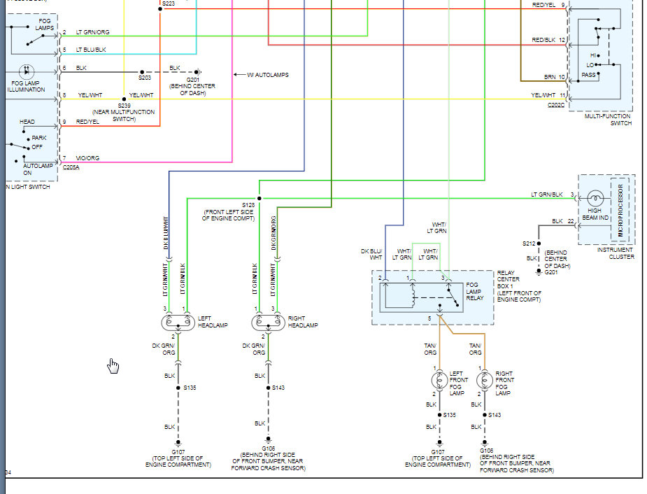
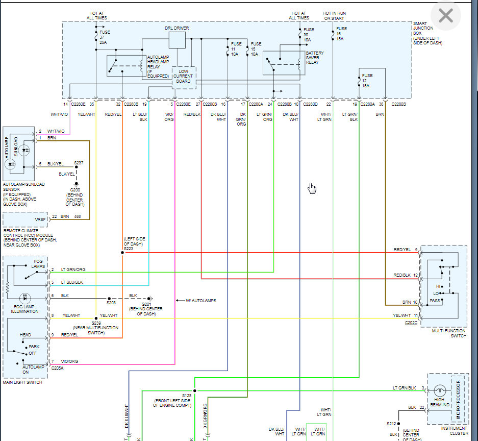
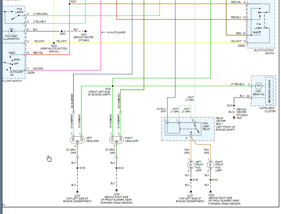
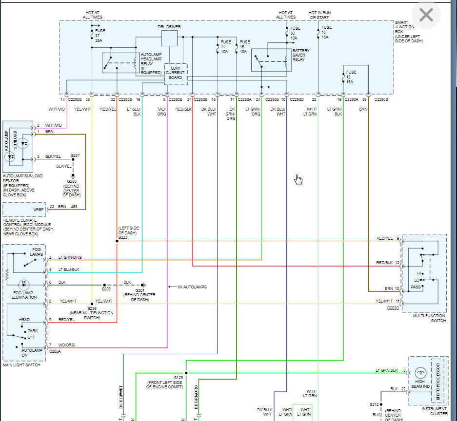
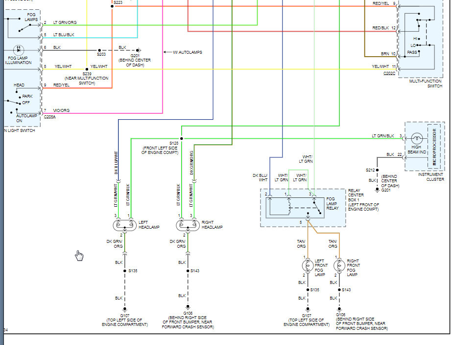
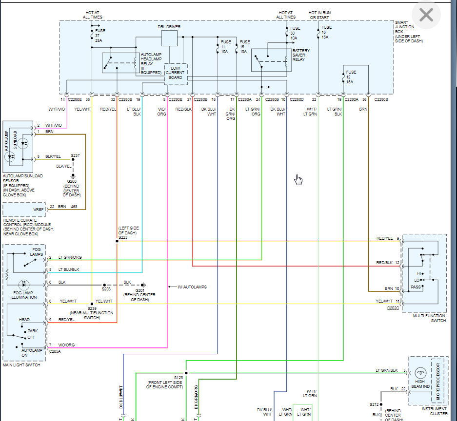
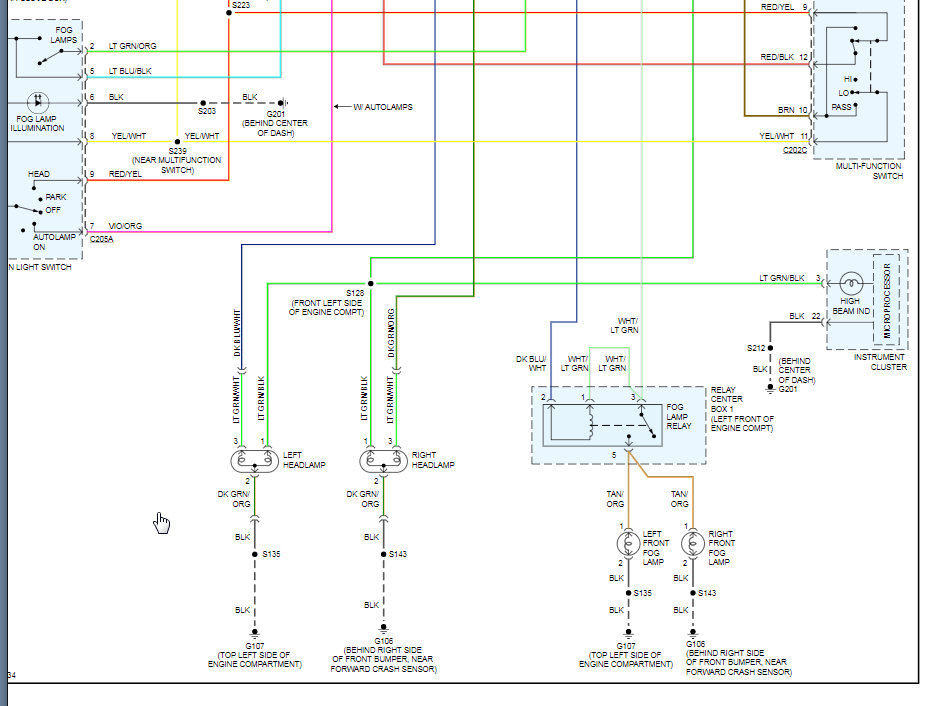
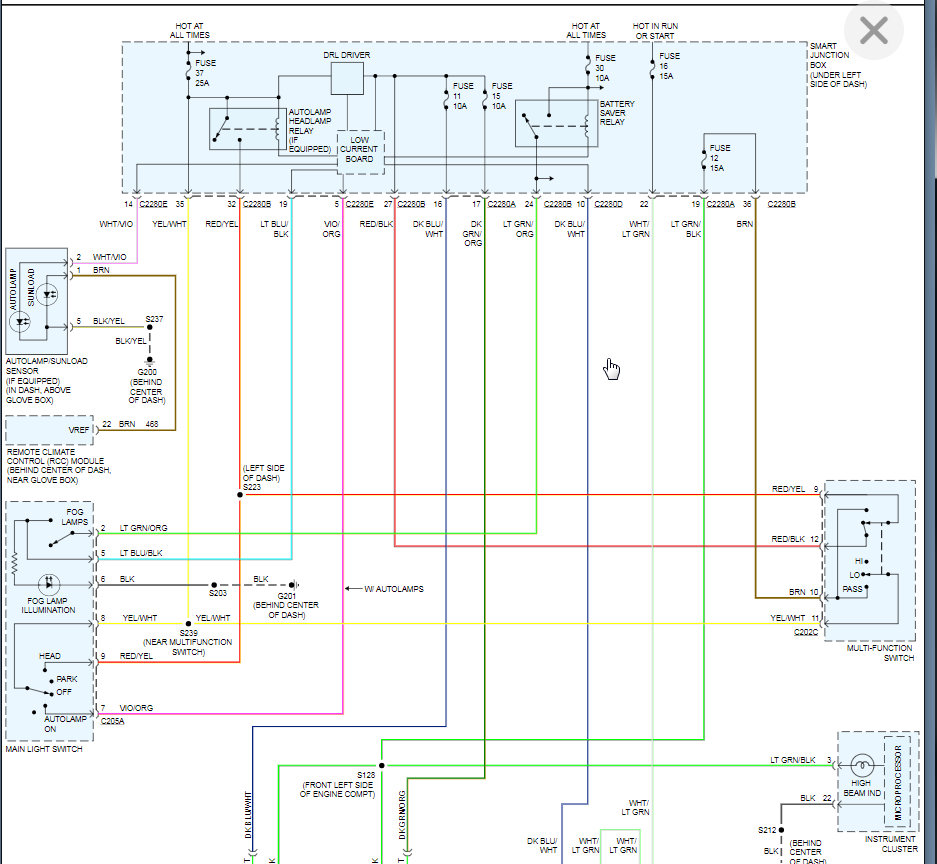
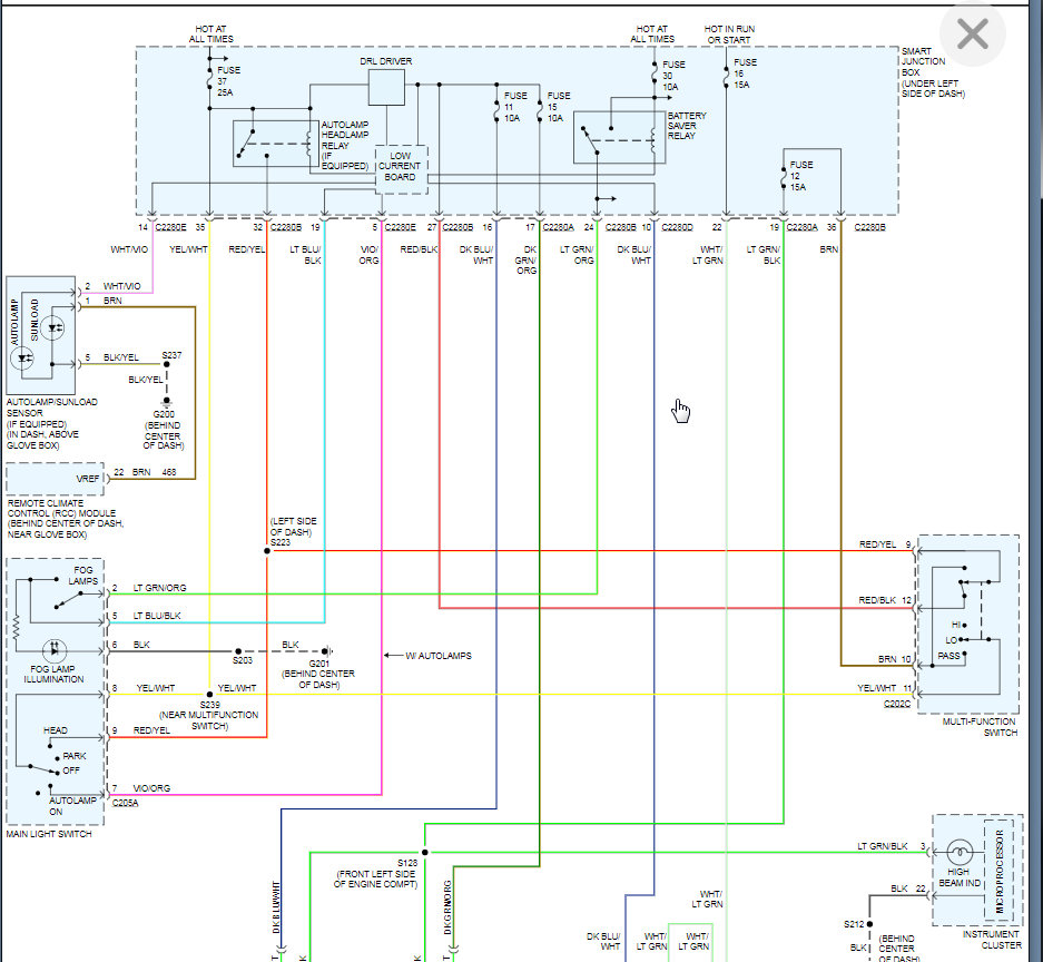
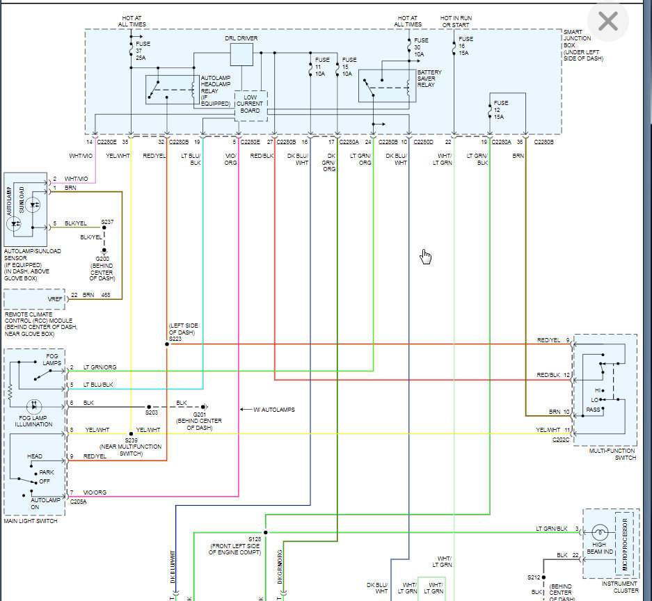
You are probably right however, this is not an easy task. You have many feet of wiring that is for the head light system and it could be many of them but we need to start with checking the power coming out of the switch and from the fuses that go to the headlamps when they are not on. Basically we need to find where we have power and where we do not.

If we can find we have power at the proper places on the switch and fuses, then we need to check at the bulbs and I am sure you will not have power there. At that point, you have two points, one with power and one without when you should have power at both. This means the issue is in between the two points and we just need to run a new wire rather than trying to find the place it is shorted.

I am sure you have questions so let me know and we can go from there. Thanks
Was this
answer
helpful?
Yes
No
Friday, January 24th, 2020 AT 6:36 PM

Please login or register to post a reply.