Wednesday, April 15th, 2009 AT 5:37 PM
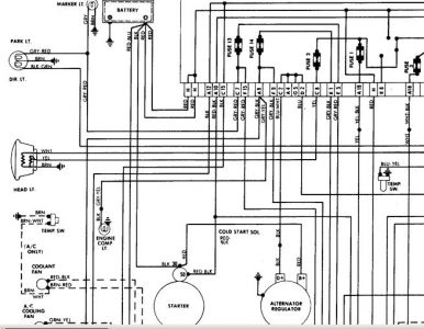
I have had my alternator tested at a parts store and it checks out good. My car manual says that if the dash indicator light stays on, the alternator regulator is bad. I replaced the regulator and the light stays on but the system doesn't charge (only 12 volts at the battery). I friend of mine said to remove the excitor wire and jump 12 volts to the alternator while the engine is running. Doesn't work either. How can I check the alternator internal windings etc to see if it is the culprit.






