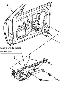
Here is a diagram of the rivets that hold the regulator in place. The regulator should also be in this approximate position for easiest removal.
Please keep in mind that the regulator is under tension, and once the motor is separated from it the spring will snap violently unless a a pair of vice grips is clamped onto the regulator arms.

If you complete the job please post positive feedback. If you require more assistance please post back and we will continue to help.
Good luck,
Sunday, November 22nd, 2009 AT 10:46 AM