2000 Pontiac Grand Am Blow modulator

Tiny
CRFOLEY
  • MEMBER
  • 2000 PONTIAC GRAND AM
  • 4 CYL
  • FWD
  • AUTOMATIC
  • 114,521 MILES
The fan only runs on hi speed. I have a new modulator and I want to replace the old one.
How do I get to the old one to replace?
Friday, January 1st, 2010 AT 12:16 PM

5 Replies

Tiny
JDL
  • MECHANIC
  • 16,098 POSTS
Welcome to the forum, is it the resistor block you want to replace?


https://www.2carpros.com/forum/automotive_pictures/170934_2000_pontiac_resistor_block_1.jpg

Was this
answer
helpful?
Yes
No
Friday, January 1st, 2010 AT 2:09 PM
Tiny
CRFOLEY
  • MEMBER
  • 3 POSTS
I have removed the glove box.
I can see the blower housing.
The top of the blower housing tilts back and the blower wheel spins free.
I cannot find where to put the rplacment part.
It has a 6 prong female fitting, and a 2 by 4 "card" attached that has printed circuits and 4 nodules.
Is that part on the back side of the blower housing?

Thanks,
Craig
Was this
answer
helpful?
Yes
No
Friday, January 1st, 2010 AT 2:14 PM
Tiny
JDL
  • MECHANIC
  • 16,098 POSTS


https://www.2carpros.com/forum/automotive_pictures/170934_blower_resistor_picture_1.jpg



https://www.2carpros.com/forum/automotive_pictures/170934_blower_resistor_assembly_wiring_colors_1.jpg



I tried to find an exploded view of the system, haven't found it yet. Look at the color of the wiring to the resistor connector. Are we talking about the same part? As far as location, my info just says attached to blower housing.
Was this
answer
helpful?
Yes
No
Friday, January 1st, 2010 AT 2:50 PM
Tiny
CRFOLEY
  • MEMBER
  • 3 POSTS
Yes, we are talking about the same part.
I still can't figure how to get at it. It must be directly behnd the blower housing.

Thanks,

Craig
Was this
answer
helpful?
Yes
No
Saturday, January 2nd, 2010 AT 11:04 AM
Tiny
JDL
  • MECHANIC
  • 16,098 POSTS
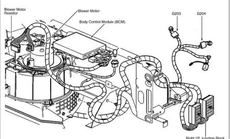
I found this for the grand am GT.


https://www.2carpros.com/forum/automotive_pictures/170934_grand_am_GT_blower_resistor_1.jpg

Was this
answer
helpful?
Yes
No
Saturday, January 2nd, 2010 AT 11:34 AM

Please login or register to post a reply.

Related General Content