Knock sensors?

Tiny
TDW1975
  • MEMBER
  • 1995 PONTIAC FIREBIRD
  • 6 CYL
  • 2WD
  • AUTOMATIC
  • 125,000 MILES
Where exactly are the knock sensor located at on the engine?
Sunday, December 16th, 2007 AT 2:34 PM

2 Replies

Tiny
RASMATAZ
  • MECHANIC
  • 75,992 POSTS
3.4 liter


http://www.2carpros.com/forum/automotive_pictures/12900_3_3.jpg



3.8 liter


http://www.2carpros.com/forum/automotive_pictures/12900_knock_sensor_3_1.jpg

Was this
answer
helpful?
Yes
No
+1
Sunday, December 16th, 2007 AT 3:52 PM
Tiny
KEN L
  • MASTER CERTIFIED MECHANIC
  • 55,223 POSTS
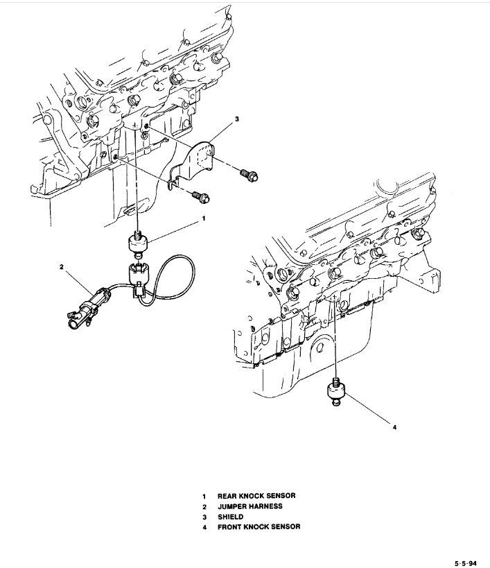
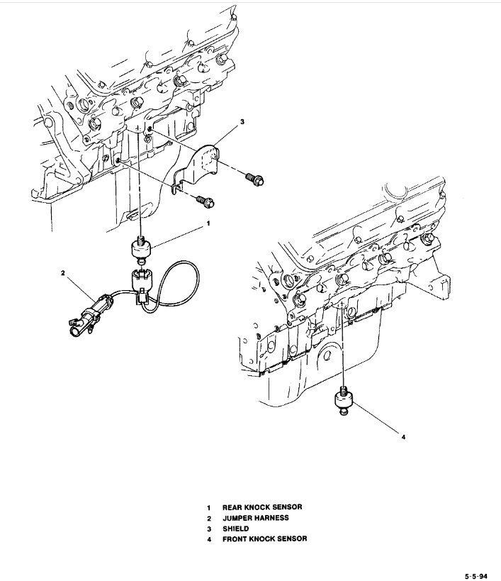
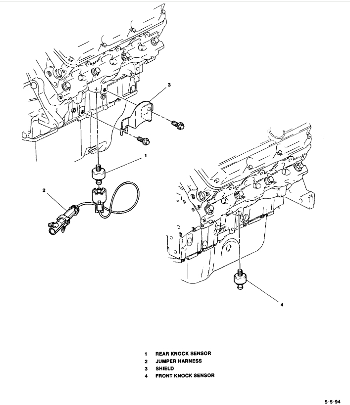
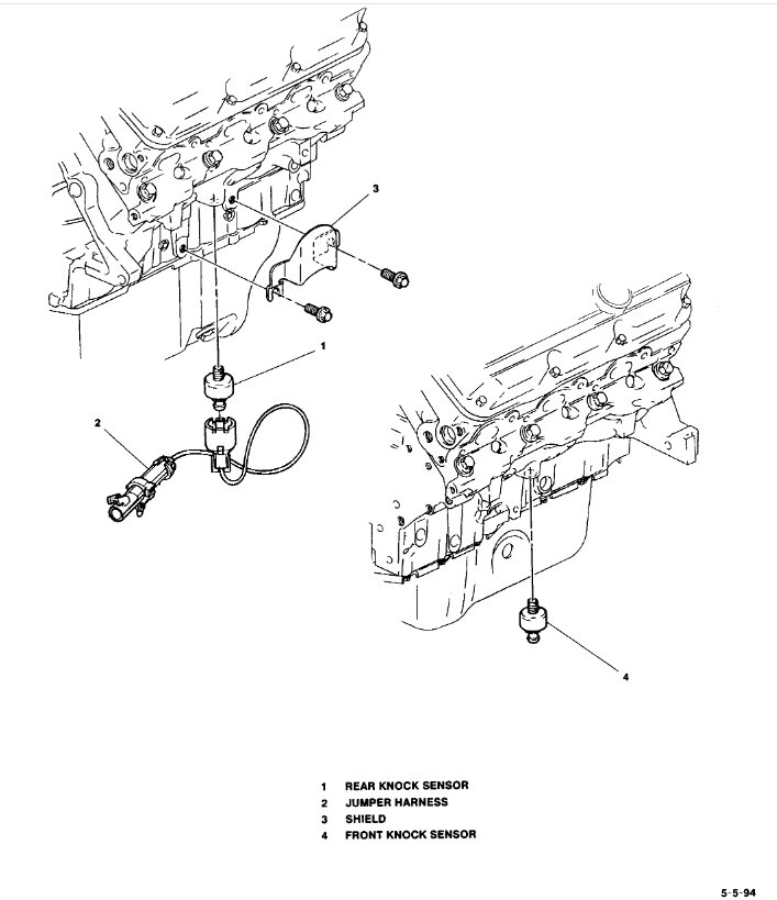
Here are the instructions and the location of the knock sensor which is down low on the engine block. Check out the images (below). Let us know if you need anything else.
Was this
answer
helpful?
Yes
No
Wednesday, November 13th, 2024 AT 9:07 AM

Please login or register to post a reply.