Wednesday, October 17th, 2007 AT 6:58 PM
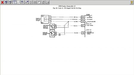
I have a 1990 pontiac boniville with a little over 246000 miles on it. It has a 3800 v6 in it and the codes have just started today. On the code 21 what does it mean by signal high on it and is there a way to fix it without getting a new sensor. On the code 31 im not even sure I have that one but it comes up with the other codes and im just wondering what its for, what to do to fix it, and where its located on the car. The code 41 what does it mean and what to do to fix it.

