2000 Pontiac Bonneville BODY CONTROL MODULE

Tiny
FRED1207
  • MEMBER
  • 2000 PONTIAC BONNEVILLE
Computer problem
2000 Pontiac Bonneville 6 cyl Two Wheel Drive Automatic

WHERE IS THE BODY CONTROL MODULE LOCATED ON THIS CAR?
Monday, February 1st, 2010 AT 3:29 PM

16 Replies

Tiny
KEN L
  • MASTER CERTIFIED MECHANIC
  • 55,488 POSTS
Hey Fred,

It is located on the passengers side near the kick panel, here is a diagram to show you.

Please let me know if you need anything else to get the problem fixed.

Best, Ken
Was this
answer
helpful?
Yes
No
+4
Tuesday, February 21st, 2017 AT 3:05 PM
Tiny
TUTG1971
  • MEMBER
  • 1 POST
  • 2000 PONTIAC BONNEVILLE
  • 160,000 MILES
My wife's bonneville se has multiple electrical issues. Interior dome lights stay on, door ajar indicators when no doors are open, windshield wipers come on with out being turned on. Door locks and windows other than the driver's work sometimes. I think it could be the BCM. Can you send me a diagram showing me where it is located on this car?
Was this
answer
helpful?
Yes
No
+4
Tuesday, February 21st, 2017 AT 3:05 PM (Merged)
Tiny
HMAC300
  • MECHANIC
  • 48,601 POSTS
Check your door switches first for lights, it may have rusted the wire off and its keeping lights on bcm doesnot control windows check for broken wires where door shuts.
Was this
answer
helpful?
Yes
No
+1
Tuesday, February 21st, 2017 AT 3:05 PM (Merged)
Tiny
JERR_
  • MEMBER
  • 5 POSTS
  • 1999 PONTIAC BONNEVILLE
  • 160,000 MILES
Car wont turn over security light is flashing, been this way for a week as I have searched and searched for solutions on fixing this problem but nop one can tell me where it is or what it looks like
Was this
answer
helpful?
Yes
No
+1
Tuesday, February 21st, 2017 AT 3:05 PM (Merged)
Tiny
RASMATAZ
  • MECHANIC
  • 75,992 POSTS
Behind right side of dash, near rear of glove box.
Was this
answer
helpful?
Yes
No
+1
Tuesday, February 21st, 2017 AT 3:05 PM (Merged)
Tiny
WRENCHTECH
  • MECHANIC
  • 20,761 POSTS
Not sure why you are even looking for the BCM since it plays no part in the VTD system on this car.
Was this
answer
helpful?
Yes
No
-1
Tuesday, February 21st, 2017 AT 3:05 PM (Merged)
Tiny
JERR_
  • MEMBER
  • 5 POSTS
OMG, your kidding, it has nothing to do with the security system? I was told if I bypass the purple/wht wire # B7 and the wht/blk #B8 and put a risistor in between these two wires it would satisfy the security system and the car would start. So your telling me for a week I have done things that was not neccesary? Please tell me where to go to fix this problem I am tired of walking 9 miles each way to work I start at 10 pm get off between 7 and 8 am I cannot do this any more.
Was this
answer
helpful?
Yes
No
Tuesday, February 21st, 2017 AT 3:05 PM (Merged)
Tiny
WRENCHTECH
  • MECHANIC
  • 20,761 POSTS
The 2 wires that you are looking for are right at the ignition switch. You can access them by removing the cover around the column. You can't use just any resister. You have to measure the pellet in the key and duplicate it. Just remember that the only thing that you are bypassing is the key sensor and the rest of the system has to remain operational or it still won't start. This is only going to work if the key sensor is the problem in the first place.
Was this
answer
helpful?
Yes
No
Tuesday, February 21st, 2017 AT 3:05 PM (Merged)
Tiny
JERR_
  • MEMBER
  • 5 POSTS
My key has a resistance of.681 ohms, do you know what it should be?
Was this
answer
helpful?
Yes
No
Tuesday, February 21st, 2017 AT 3:05 PM (Merged)
Tiny
WRENCHTECH
  • MECHANIC
  • 20,761 POSTS
Yes, that is one of 15 possible resistance values they use. They are different so keys don't interchange. You can go a maximum of 30ohms plus or minus.
Was this
answer
helpful?
Yes
No
Tuesday, February 21st, 2017 AT 3:05 PM (Merged)
Tiny
JERR_
  • MEMBER
  • 5 POSTS
Omg, I am going to crumble if this isnt the prob, I don't understand why the security would be on if the key is ok. This makes no sense to me.
Was this
answer
helpful?
Yes
No
Tuesday, February 21st, 2017 AT 3:05 PM (Merged)
Tiny
WRENCHTECH
  • MECHANIC
  • 20,761 POSTS
There are other components to that system and any of them can have or cause a problem. The key sensor is the most common though.
Was this
answer
helpful?
Yes
No
Tuesday, February 21st, 2017 AT 3:05 PM (Merged)
Tiny
SNOPRO1998
  • MEMBER
  • 2 POSTS
  • 1996 PONTIAC BONNEVILLE
  • 6 CYL
  • FWD
  • AUTOMATIC
  • 120,000 MILES
I have a 1996 Pontiac Bonneville which runs great but quits sporadically and wont restart you cant here the fuel pump running. Have checked and cleaned all grounds battery cables and fuses. The security light acts normal. Sometimes it will start in a couple of hours sometimes days?
Was this
answer
helpful?
Yes
No
Tuesday, February 21st, 2017 AT 3:05 PM (Merged)
Tiny
RASMATAZ
  • MECHANIC
  • 75,992 POSTS
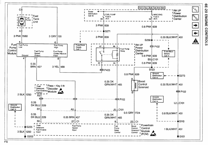
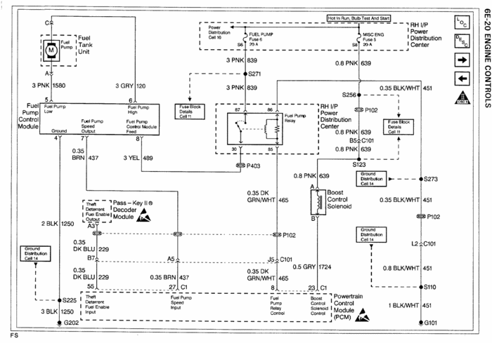
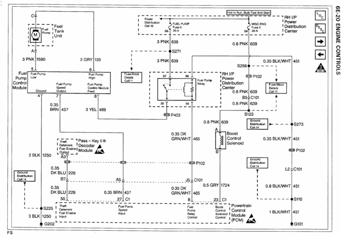
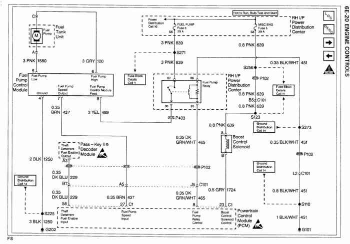
If you can't hear the fuel pump -check and test the fuel pump fuse no.6, FP relay and the computer control of the fuel pump relay coil side
Was this
answer
helpful?
Yes
No
Tuesday, February 21st, 2017 AT 3:05 PM (Merged)
Tiny
JERR_
  • MEMBER
  • 5 POSTS
Thankyou Wrenchtech, I just got back from RadioShack, bought a set of 10, 15 and 22 ohm resistors, hopefull this will do it I will find out tomorrow or Sunday, first thing is to put back the two circuit boards I took out then reinstall all the wiring harnesses. Uhgg, I went to a site where everyone that had this problem got answers and seemed to fix their prob, but I should have realized someting wasn't right when I was told about the set of ribbons that come out of the stering columb was wrong, then told me to go directly to the bcm module and cut the wires their. Well I think I have someone I can rely on now, thank you. Jerr_
Was this
answer
helpful?
Yes
No
+1
Tuesday, February 21st, 2017 AT 3:05 PM (Merged)
Tiny
WRENCHTECH
  • MECHANIC
  • 20,761 POSTS
You need a single resister of 681ohms. What does 10, 15 or 22 have to do with anything?
Was this
answer
helpful?
Yes
No
Tuesday, February 21st, 2017 AT 3:05 PM (Merged)

Please login or register to post a reply.