Code PO340?

Tiny
TOMMY PEPSI
  • MEMBER
  • 2010 JEEP GRAND CHEROKEE
  • 3.6L
  • 6 CYL
  • 4WD
  • AUTOMATIC
  • 175,000 MILES
When I clear code and drive it after letting it sit start the car in the morning car will make like a lifter noise and then go away in about 30 seconds and then po340 will set and I guess it goes into limp mode loss of power. What should I look for?
Sunday, November 13th, 2022 AT 6:17 PM

5 Replies

Tiny
JACOBANDNICKOLAS
  • MECHANIC
  • 110,192 POSTS
Hi,

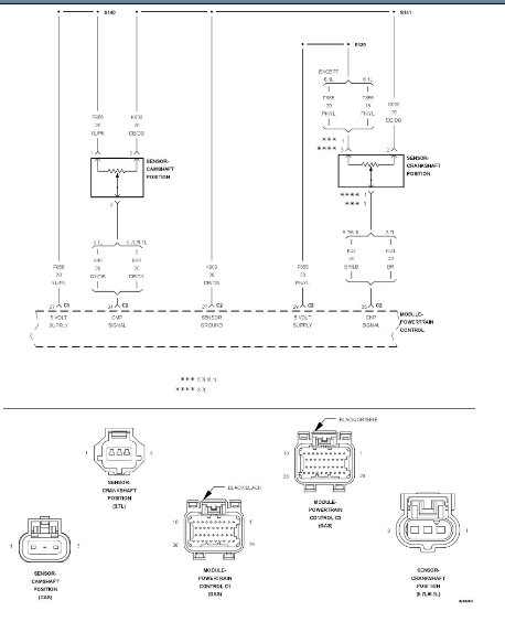
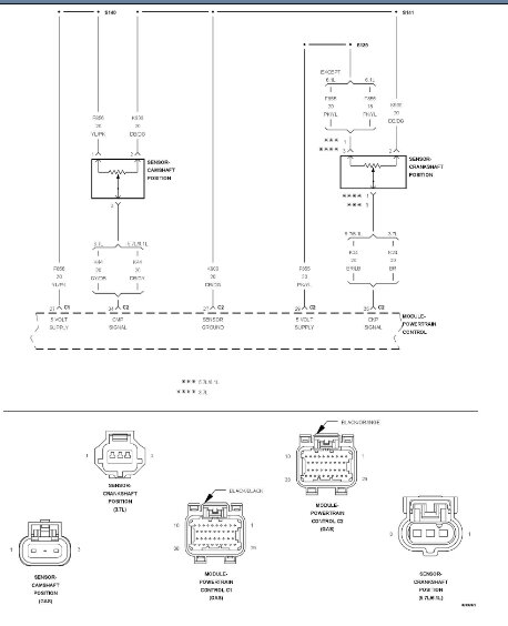
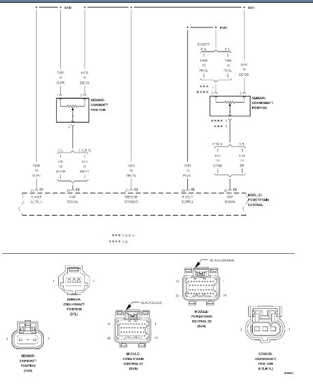
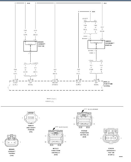
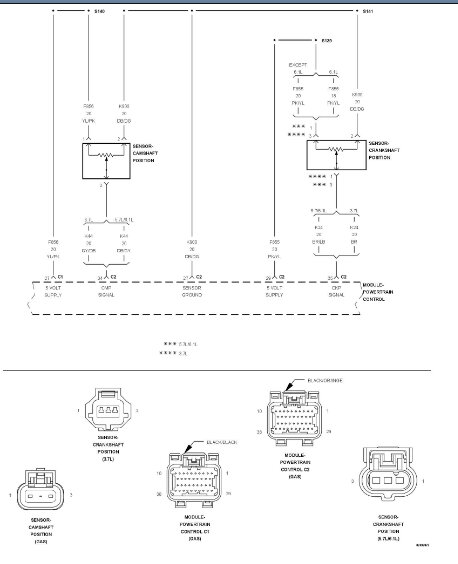
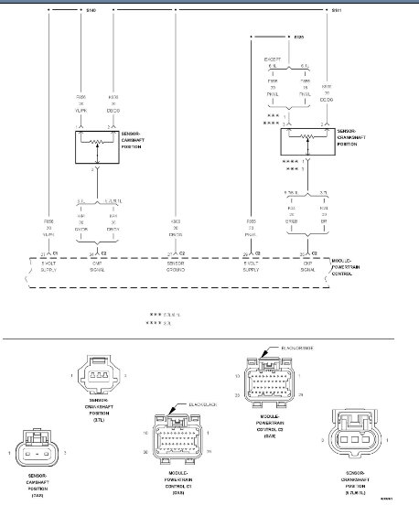
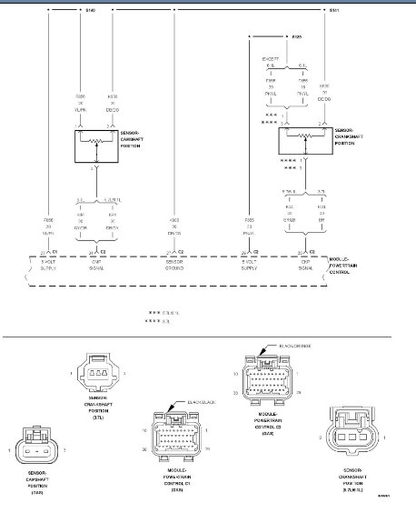
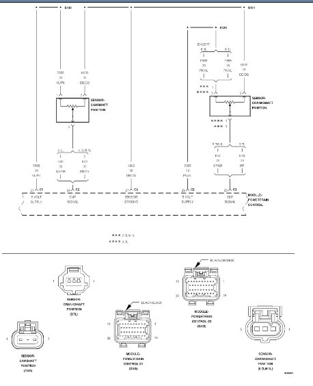
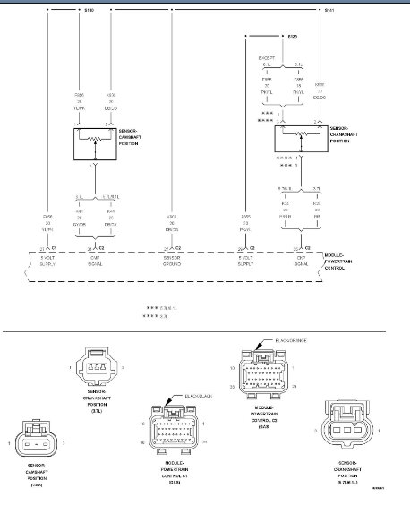
The code is related to the camshaft position sensor (CMP). First, is the engine oil clean and full? Has the vehicle been serviced on a regular basis?

Next, 50% of the time, the sensor itself is the issue. However, I don't like the idea that you are hearing the noise. That is why I'm asking about the oil level and condition.

At this point, we have two ways to go. First, the easiest is to replace the sensor and see if the code is gone. Or we can perform the diagnostics to determine what is setting the code.

If you decide to replace the sensor, the first 4 pics below are the directions. This is a simple job, but you may need to move a few things around for access such as the air intake tube.

If you would rather diagnose the issue, the remaining pics are the directions for that. If you have questions, let me know.

Take care and let me know how things work out for you.

Joe

See pics below.
Was this
answer
helpful?
Yes
No
Sunday, November 13th, 2022 AT 7:24 PM
Tiny
TOMMY PEPSI
  • MEMBER
  • 10 POSTS
Hi Joe, I just would like to know if the camshaft sensor is in the front or the back of cylinder head because I have a 2011 Jeep Grand Cherokee 3.6 not a 3.7 engine.
Was this
answer
helpful?
Yes
No
Monday, November 14th, 2022 AT 12:52 AM
Tiny
JACOBANDNICKOLAS
  • MECHANIC
  • 110,192 POSTS
Hi,

That makes a big difference. I looked up info for a 2010. I thought maybe it was a typo. LOL

If you are standing at the front of the vehicle, it will be the furthest to the left. I attached two pics below. One indicates the issue related to the code and pic 2 shows the sensor location.

Let me know if this helps.

Take care,

Joe

See pics below.
Was this
answer
helpful?
Yes
No
+1
Monday, November 14th, 2022 AT 7:22 PM
Tiny
TOMMY PEPSI
  • MEMBER
  • 10 POSTS
Hi Joe, yes thank you for the information is that part called the camshaft actuator that is not the camshaft sensor on bank 1 because I know that is on the rear of the valve cover the po340 code pertains to the one you highlighted. I will let you know how I make out with it and once again I thank you.
Was this
answer
helpful?
Yes
No
Monday, November 14th, 2022 AT 10:44 PM
Tiny
JACOBANDNICKOLAS
  • MECHANIC
  • 110,192 POSTS
Hi,

The sensor is on the rear, you are correct. See pic 1. The one I highlighted above is the camshaft position solenoid.

You may have an interest in the last two pics. They describe the solenoid's function and how it works.

Let me know.

Take care,

Joe

See pics below.
Was this
answer
helpful?
Yes
No
Tuesday, November 15th, 2022 AT 7:03 PM

Please login or register to post a reply.