Codes C0226 and C0236 and C1223

Tiny
QEWANI
  • MEMBER
  • 2000 LEXUS LS 400
  • 4.0L
  • V8
  • 2WD
  • AUTOMATIC
  • 255,555 MILES
Could you please help? I am getting ABS and VSC on with codes C0226 and C0236 and C1223.
Thursday, April 25th, 2019 AT 1:52 PM

19 Replies

Tiny
ASEMASTER6371
  • MECHANIC
  • 52,796 POSTS
Good afternoon,

I will post the flow chart for you below with some diagrams. You will need to follow the flow charts to determine the failure.

The 1223 is related to the other two codes.

Roy

226 and 236

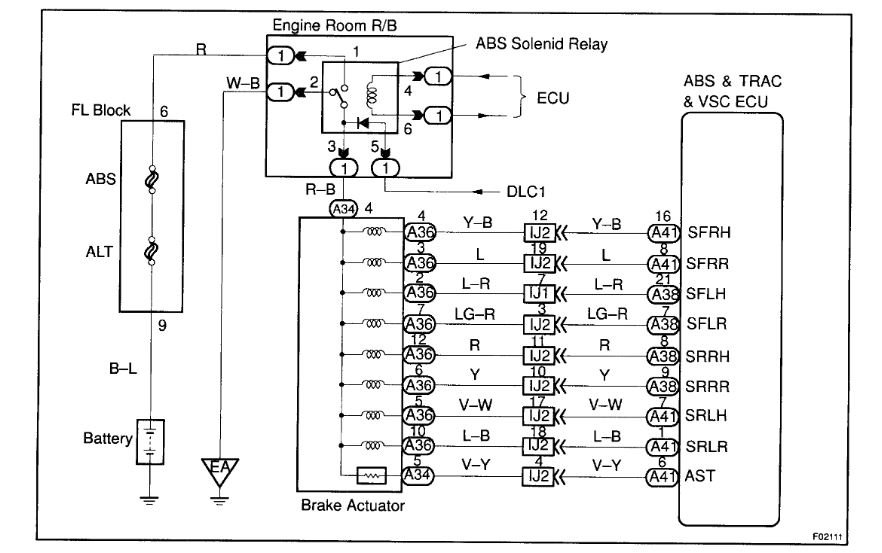
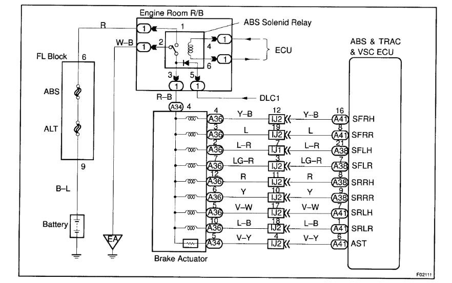
CIRCUIT DESCRIPTION
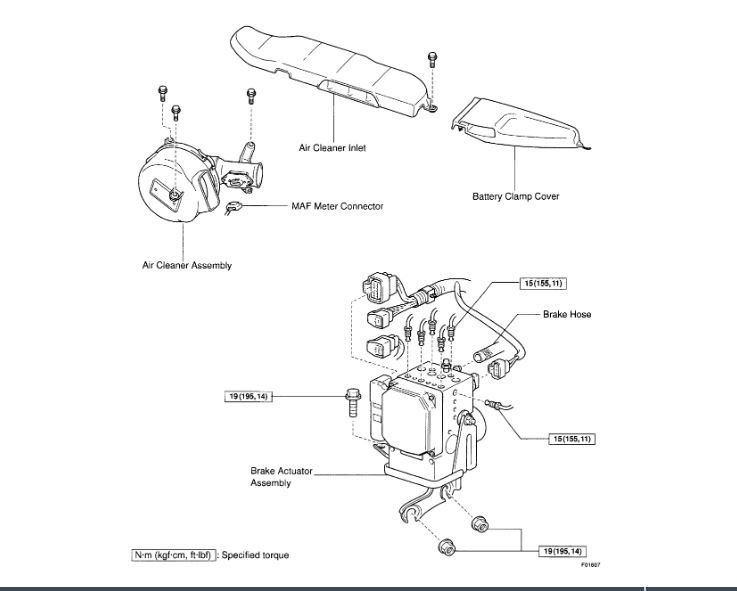
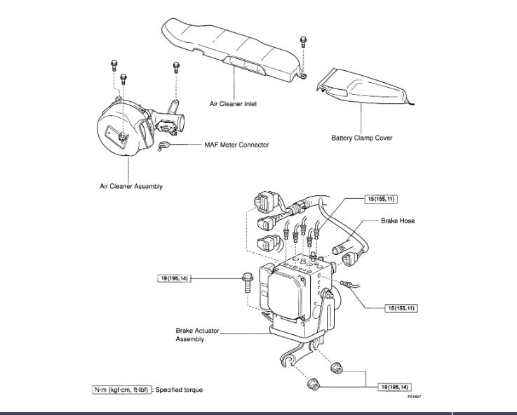
This solenoid goes on when signals are received from the ECU and controls the pressure acting on the wheel cylinders thus controlling the braking force.

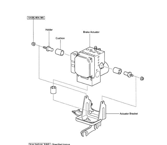
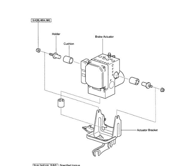
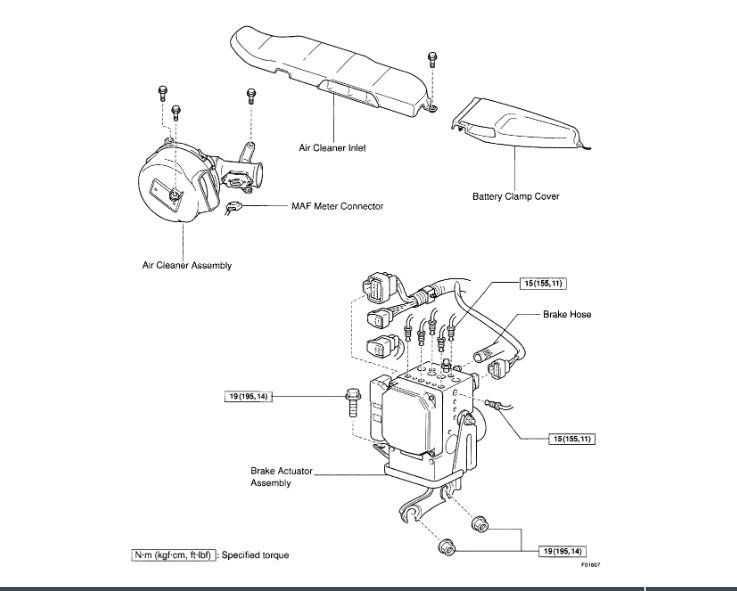
ImageOpen In New TabZoom/Print

DETECTING CONDITIONS

Fail Safe Function:
If trouble occurs in the actuator solenoid circuit, the ECU cuts off current to the ABS solenoid relay and prohibits ABS & TRAC & VSC controls and the brake system becomes normal.

ImageOpen In New TabZoom/Print

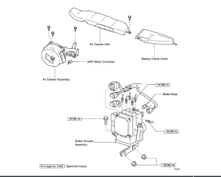
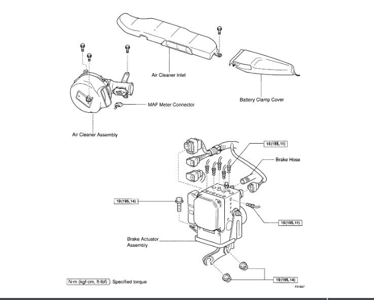
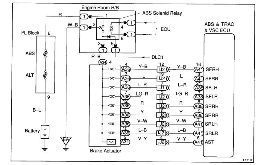
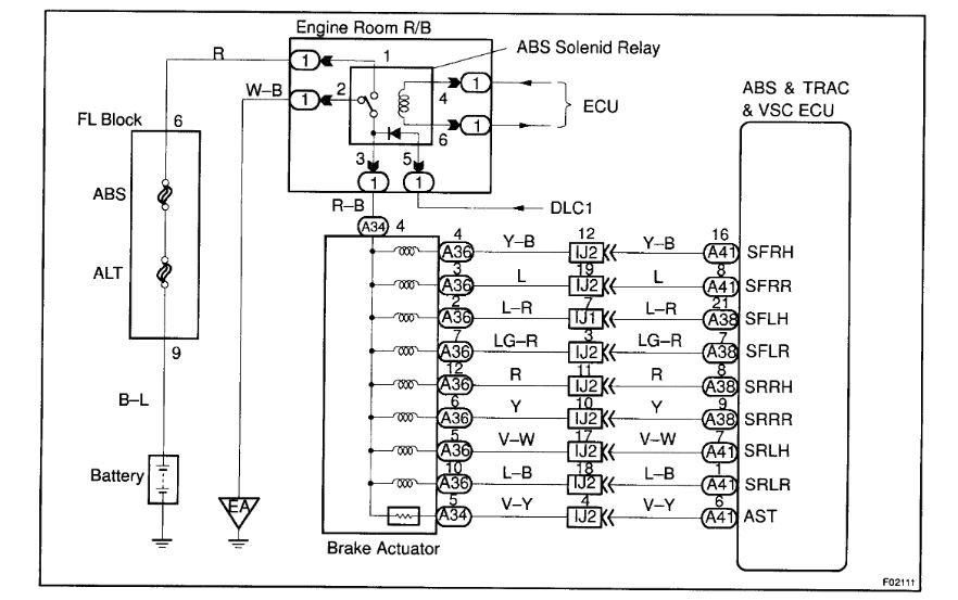
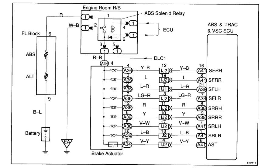
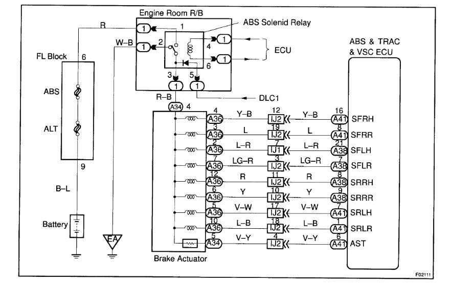
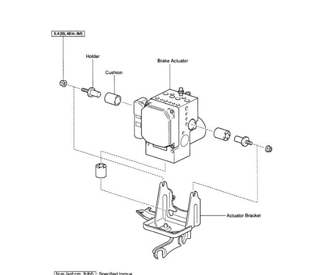
WIRING DIAGRAM

Step 1
imageOpen In New TabZoom/Print

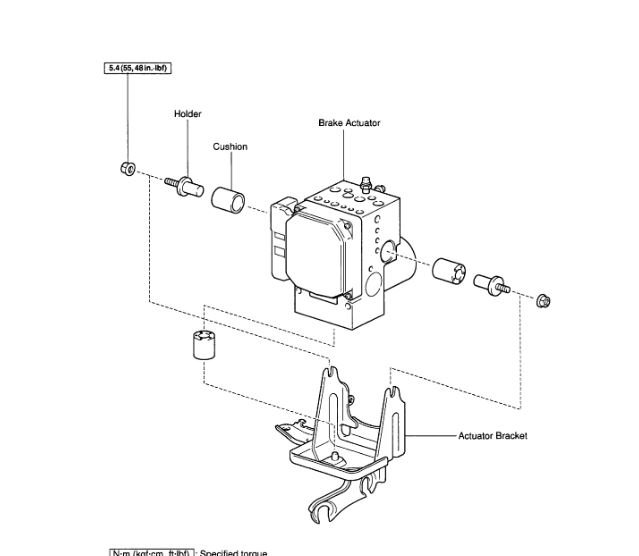
Step 2
imageOpen In New TabZoom/Print

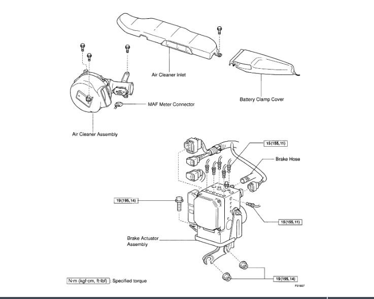
INSPECTION PROCEDURE
Was this
answer
helpful?
Yes
No
Thursday, April 25th, 2019 AT 2:08 PM
Tiny
QEWANI
  • MEMBER
  • 32 POSTS
Most showing 7.6 and few showing no change only reading 1?
Was this
answer
helpful?
Yes
No
Friday, April 26th, 2019 AT 3:25 AM
Tiny
ASEMASTER6371
  • MECHANIC
  • 52,796 POSTS
Where are those readings? What did you use to see these readings?

Roy
Was this
answer
helpful?
Yes
No
Friday, April 26th, 2019 AT 3:50 AM
Tiny
QEWANI
  • MEMBER
  • 32 POSTS
I have used the digital multimeter, setting the reading to 20k ohm where it shows 1 ohm on display and then checked the continuity by connecting one lead to A34-4 and the other lead to A36-2, 3, 4, 5, 6, 7, 10 and 12

i have noticed that all reading 7.6 ohm while some only show 1 ohm

i thought maybe the multimeter is damaged or mulfanctioning, but tested the multimeter while connecting both leads toghther where it was reading nearly zero, which indicate that the multimeter is working perfectly, should I go ahead and replace the brake actuator?
Was this
answer
helpful?
Yes
No
Saturday, April 27th, 2019 AT 3:47 AM
Tiny
ASEMASTER6371
  • MECHANIC
  • 52,796 POSTS
That's what it is pointing to.

Roy
Was this
answer
helpful?
Yes
No
Saturday, April 27th, 2019 AT 4:26 AM
Tiny
QEWANI
  • MEMBER
  • 32 POSTS
I have check last time the reading from the ABS connectors instead of ABS itself. Just checked today again from ABS itself and continuity all showing zero. What next to check please?
Was this
answer
helpful?
Yes
No
Monday, June 3rd, 2019 AT 6:27 AM
Tiny
ASEMASTER6371
  • MECHANIC
  • 52,796 POSTS
Do you have a scan tool that can communicate with the ABS module?

Roy
Was this
answer
helpful?
Yes
No
Monday, June 3rd, 2019 AT 12:41 PM
Tiny
QEWANI
  • MEMBER
  • 32 POSTS
Yes I do have, I used it to get the codes which I posted.
Was this
answer
helpful?
Yes
No
Monday, June 3rd, 2019 AT 5:20 PM
Tiny
ASEMASTER6371
  • MECHANIC
  • 52,796 POSTS
Can you read live data from the sensors while driving?

Roy
Was this
answer
helpful?
Yes
No
Monday, June 3rd, 2019 AT 5:24 PM
Tiny
QEWANI
  • MEMBER
  • 32 POSTS
Tried to read live data but it seems it show the ABS sensor is off. See the photo and am getting some more ABS codes.
Was this
answer
helpful?
Yes
No
+1
Saturday, June 15th, 2019 AT 11:20 AM
Tiny
ASEMASTER6371
  • MECHANIC
  • 52,796 POSTS
You need to view the ABS sensor readings. I do not see any option for the actual reading for the sensors. The information will be listed in MPH when you are moving.

Roy
Was this
answer
helpful?
Yes
No
Saturday, June 15th, 2019 AT 11:28 AM
Tiny
QEWANI
  • MEMBER
  • 32 POSTS
All speed sensor are seems to be okay. I am getting readings from all four sensors while moving.
Also steering angle sensor showing reading when turning the wheel left and right.

Yaw rate sensor also showing reading from start to stop.

Deceleration sensors also showing readings.

Am not not able to do calibration with TC with E1.

What to do next?
Was this
answer
helpful?
Yes
No
Tuesday, June 25th, 2019 AT 12:07 PM
Tiny
ASEMASTER6371
  • MECHANIC
  • 52,796 POSTS
Seem to be okay? Please explain.

Do they all read the same MPH when moving?

Roy
Was this
answer
helpful?
Yes
No
Tuesday, June 25th, 2019 AT 3:20 PM
Tiny
QEWANI
  • MEMBER
  • 32 POSTS
Yes they all read the same.
Was this
answer
helpful?
Yes
No
Tuesday, June 25th, 2019 AT 6:26 PM
Tiny
ASEMASTER6371
  • MECHANIC
  • 52,796 POSTS
If they all read the same, the light should be off.

Is the light still on?

Roy
Was this
answer
helpful?
Yes
No
Wednesday, June 26th, 2019 AT 2:00 AM
Tiny
QEWANI
  • MEMBER
  • 32 POSTS
The light still on and I tried to clear the codes with the scanner launch x431 pro but it does not clear the codes.
Tried to clear the code with connecting pin between TC and E1 but no success with that.

The steering angle sensor is oily covered with oil due to some small leak I have on my steering rack. Could that be the cause?
Was this
answer
helpful?
Yes
No
Wednesday, June 26th, 2019 AT 9:06 AM
Tiny
ASEMASTER6371
  • MECHANIC
  • 52,796 POSTS
ABS does not need to be reset. If the repairs were successful, the light will go out on its own.

You need to calibrate the module. If you cannot do, it, then you need to have someone do it.

Roy
Was this
answer
helpful?
Yes
No
Wednesday, June 26th, 2019 AT 9:23 AM
Tiny
QEWANI
  • MEMBER
  • 32 POSTS
Can you guide me how to calibrate? Do I need the scanner or can do it manually.
Was this
answer
helpful?
Yes
No
Wednesday, June 26th, 2019 AT 9:32 AM
Tiny
ASEMASTER6371
  • MECHANIC
  • 52,796 POSTS
You need an advanced scan tool that can perform the calibration. It will need access to the internet to the web site for the download.

You need either a TECH2 or a Snap on scanner.

Roy
Was this
answer
helpful?
Yes
No
+1
Wednesday, June 26th, 2019 AT 9:35 AM

Please login or register to post a reply.