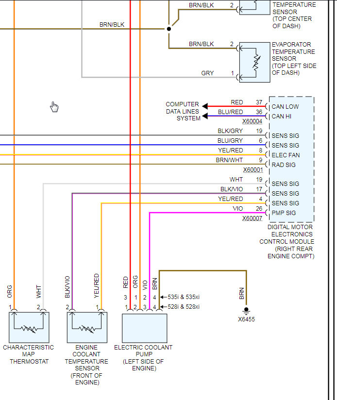
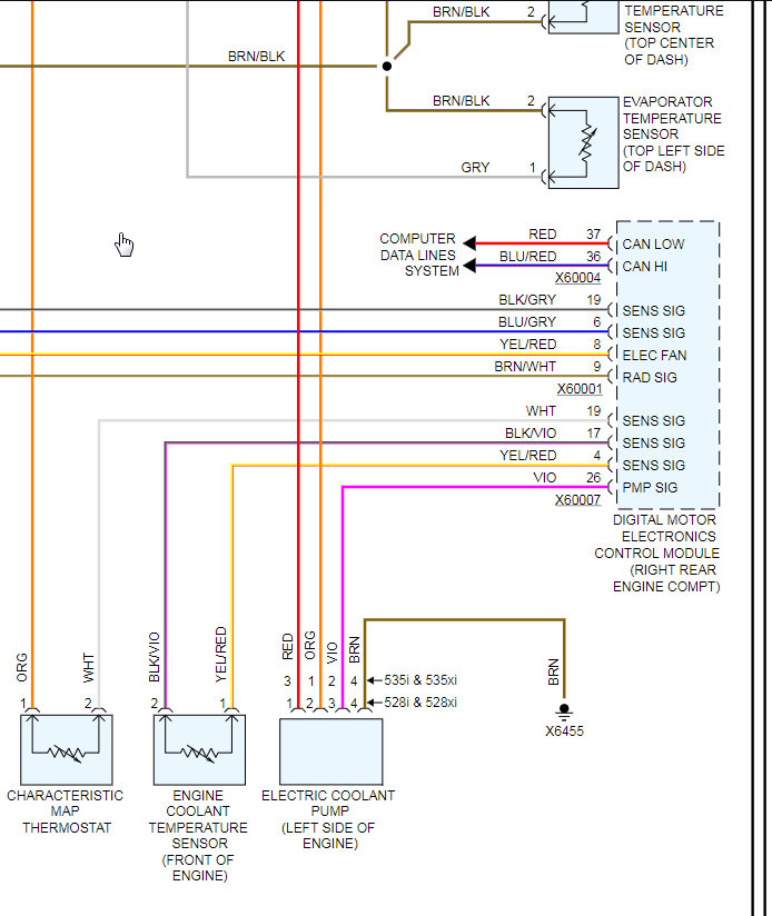
Monday, December 23rd, 2019 AT 6:36 AM
I bought a thermostat and had it installed, that did not help the problem. Then I noticed that when you try to bleed the coolant system the water pump is not working at all not sure that is not a fuse for the water pump though and I cannot find the location of these fuses. Please help.













