Monday, July 10th, 2023 AT 9:36 AM
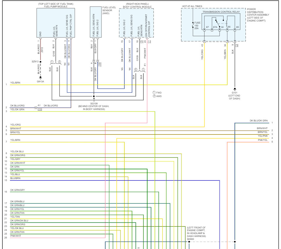
I need a PCM pinout for the vehicle listed above Crossroads 2WD. I have been fighting low voltage and have replaced the battery, alternator, wiring harness and still can't seem to maintain more than 11.7 Volts.













