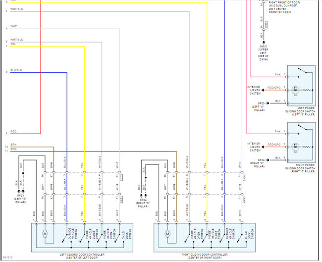
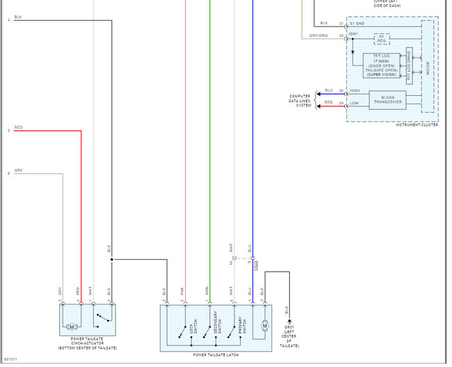
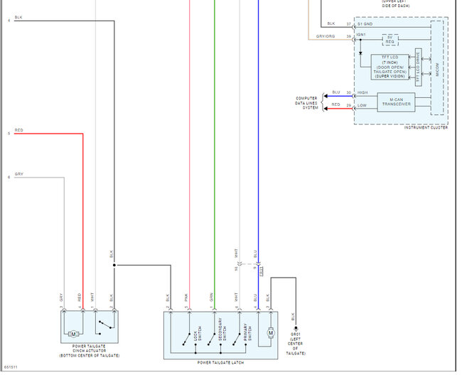
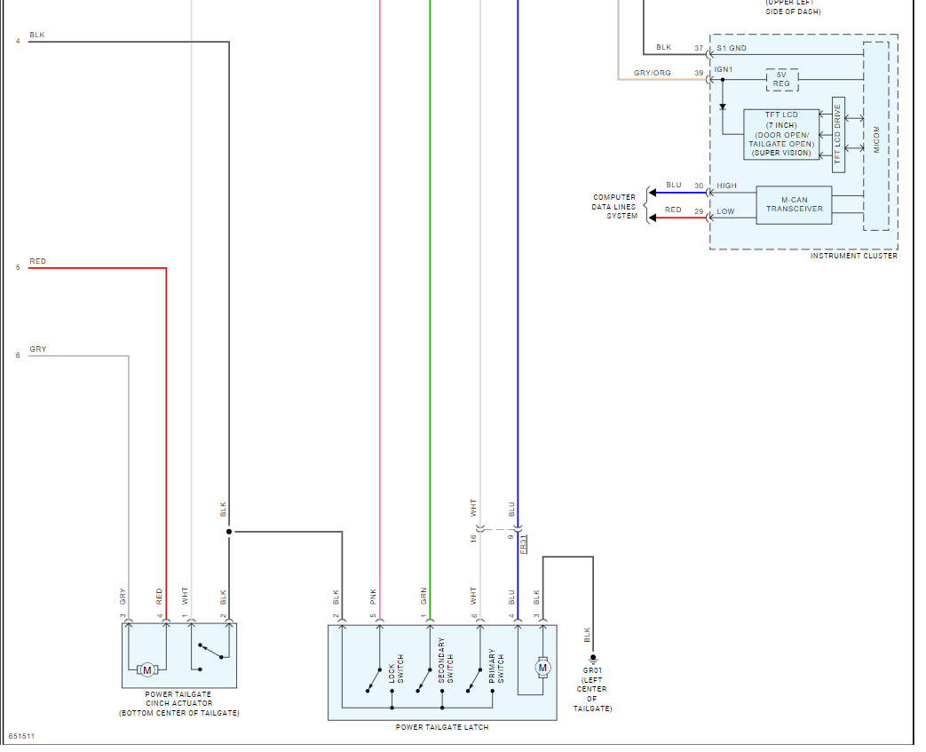
Liftgate button doesn't work (not power close), but when you press and hold down the trunk button on key fob the taillight's blink twice and the button works. I hope this is a common issue. I did turn the fuse box off for 1 minute and back on and did the reset thing. Didn't work. Maybe a solenoid in the engine fuse box?
Sunday, August 4th, 2024 AT 8:27 PM








